GM Service Manual Online
For 1990-2009 cars only
Makes
🢒
Pontiac
🢒
1999
🢒
Grand Prix
🢒
Body and Accessories
🢒
Seats
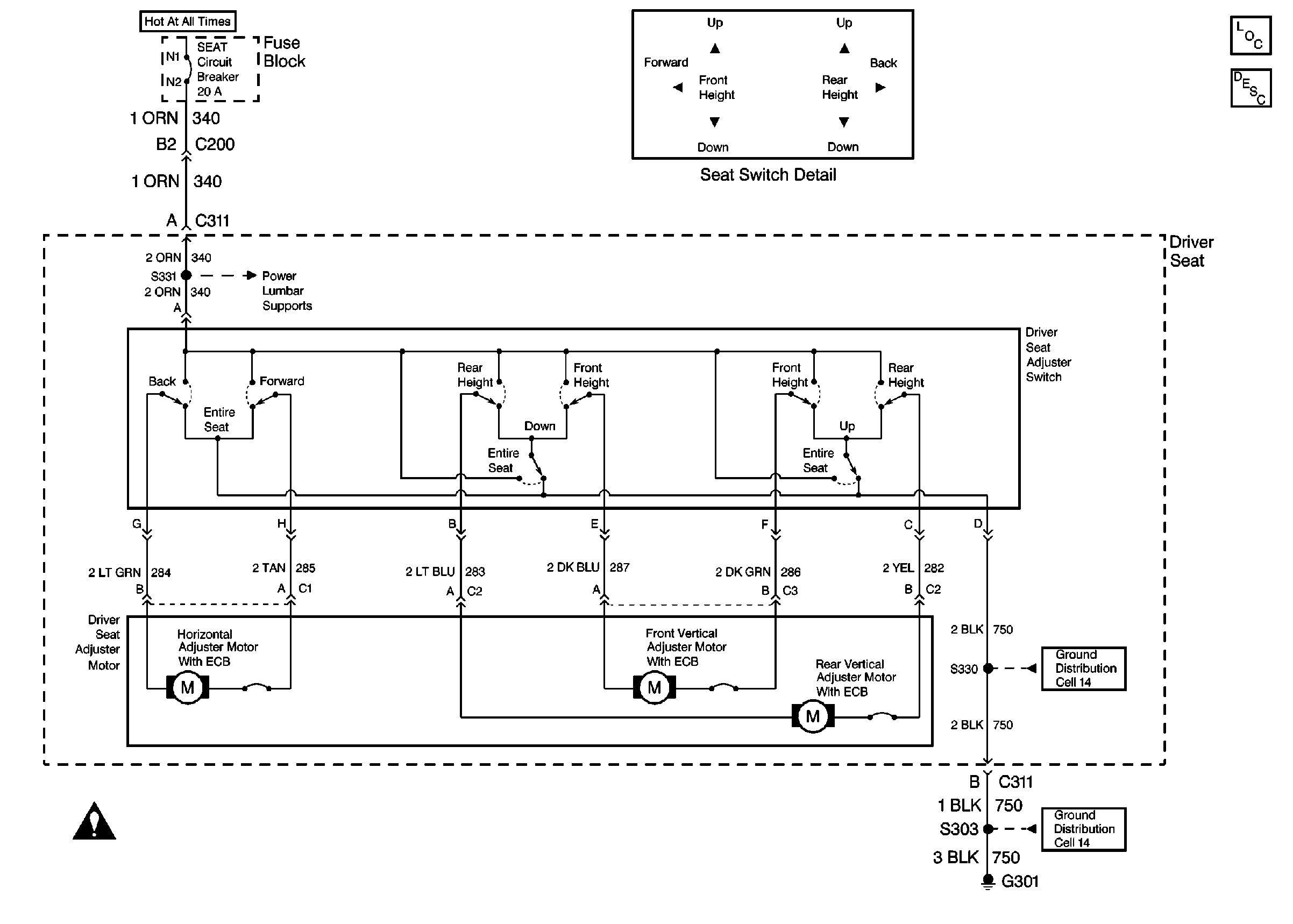
🢒 Power Seats Schematics
Cell 140
Power Seat Systems Components
Power Seats Circuit Description
Ground Distribution Schematics
Ground Distribution Schematics