GM Service Manual Online
For 1990-2009 cars only
Makes
🢒
Pontiac
🢒
1999
🢒
Grand Prix
🢒
Body and Accessories
🢒
Seats
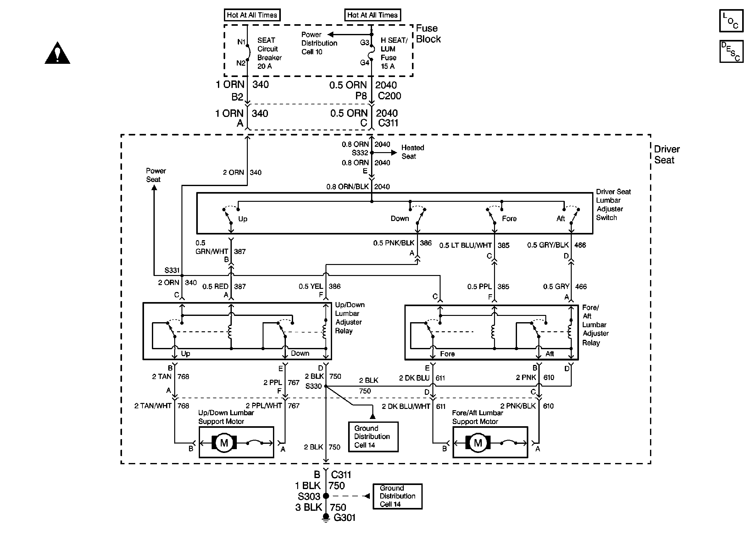
🢒 Lumbar Support Schematics
Cell 142
Power Seat Systems Components
Power Lumbar Circuit Description
Ground Distribution Schematics
Ground Distribution Schematics