GM Service Manual Online
For 1990-2009 cars only
Makes
🢒
Pontiac
🢒
1999
🢒
Grand Prix
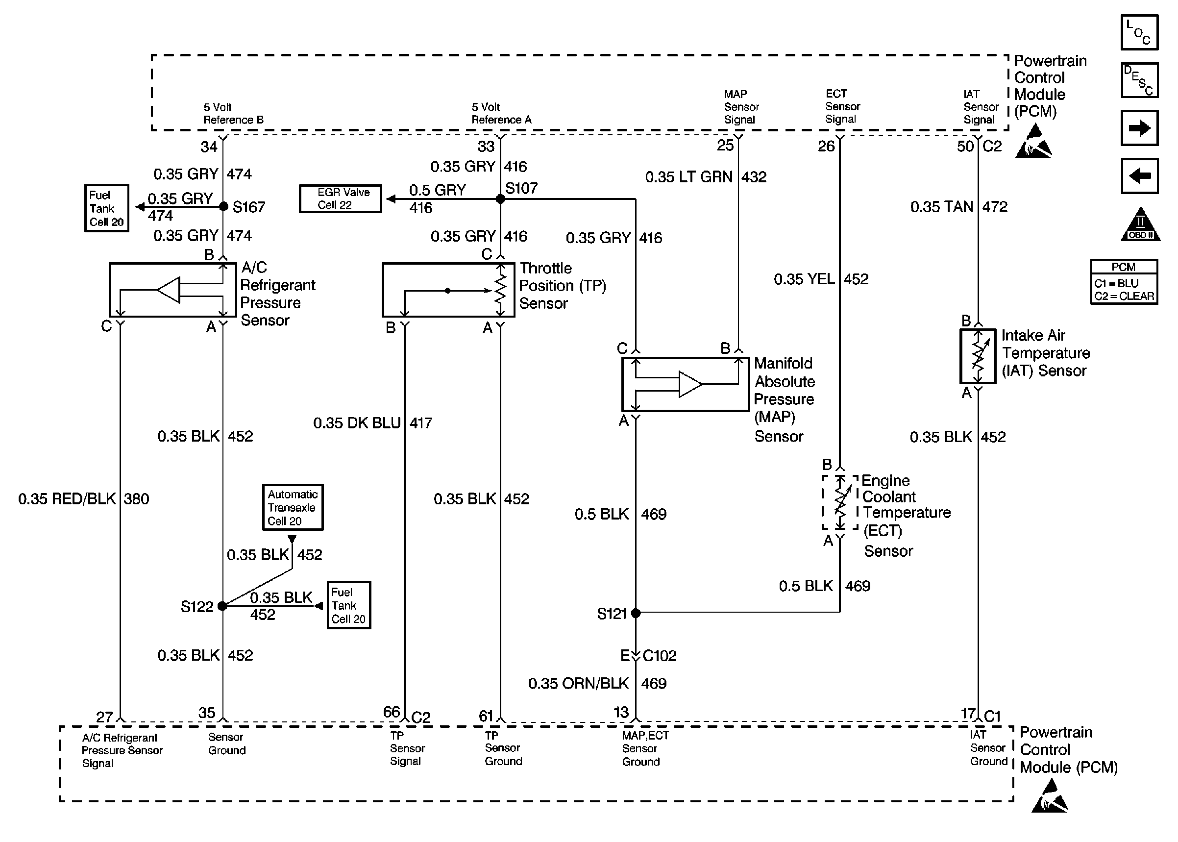
🢒 Engine Data Sensors - A/C Refrig Press, TP, MAP, ECT, IAT
Engine Data Sensors - A/C Refrig Press, TP, MAP, ECT, IAT
Engine Data Sensors -- A/C Refrig Press, TP, MAP, ECT, IAT
Engine Controls Components
Information Sensors/Switches Description
Engine Data Sensors - MAF, EVAP Vent, EVAP Purge, EGR
Indicator Lamps
OBD II Symbol Description Notice
Powertrain Control Module Connector End Views