GM Service Manual Online
For 1990-2009 cars only
Makes
🢒
Pontiac
🢒
1999
🢒
Grand Prix
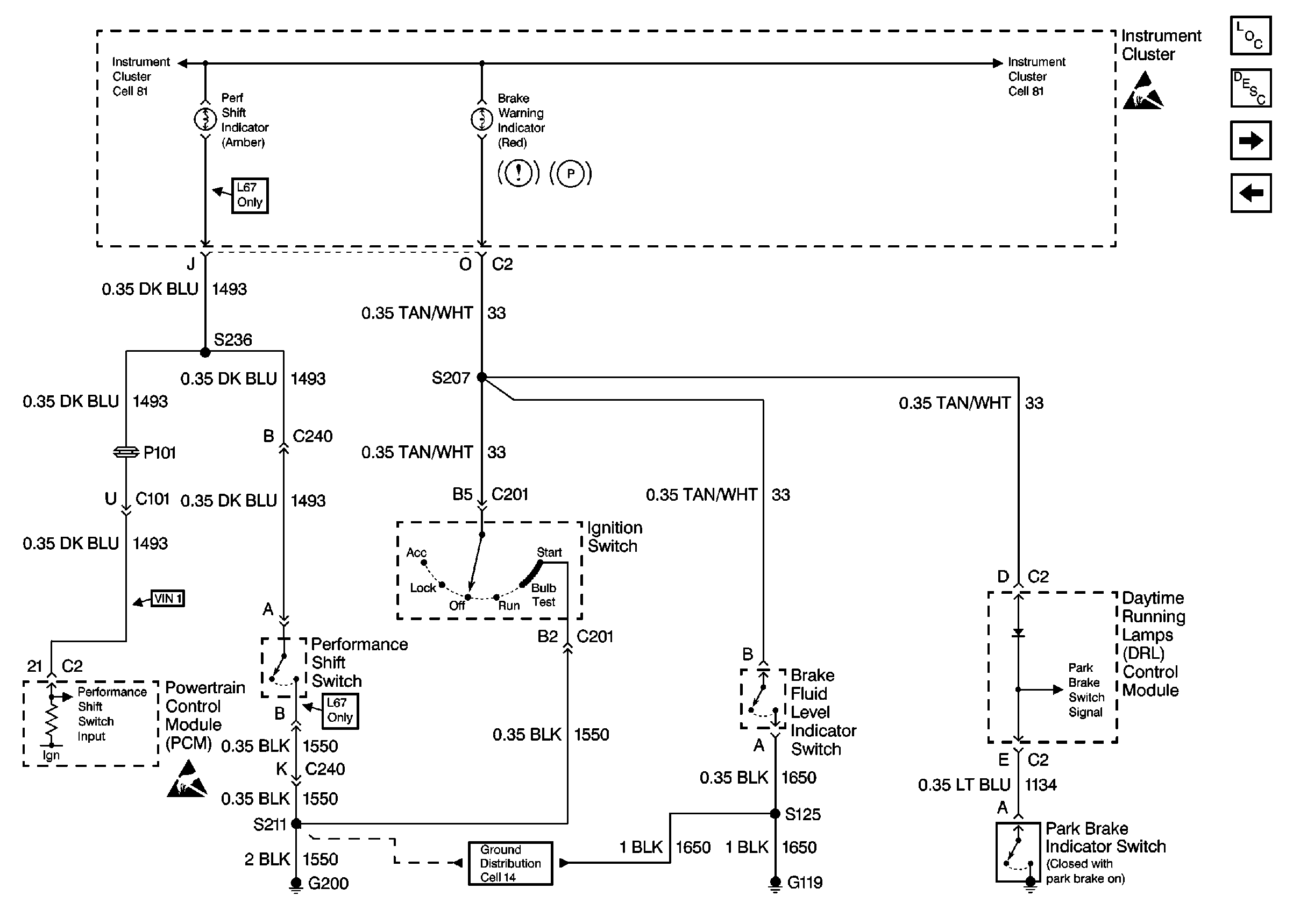
🢒 Cell 81: Instrument Cluster, Continued
Cell 81: Instrument Cluster, Continued
Cell 81: Instrument Cluster, Continued
Instrument Cluster and HUD Components
Instrument Cluster Circuit Description
Cell 81: Instrument Cluster, Continued
Cell 81: Instrument Cluster, Continued
Ground Distribution Schematics
Handling ESD Sensitive Parts Notice
Handling ESD Sensitive Parts Notice