GM Service Manual Online
For 1990-2009 cars only

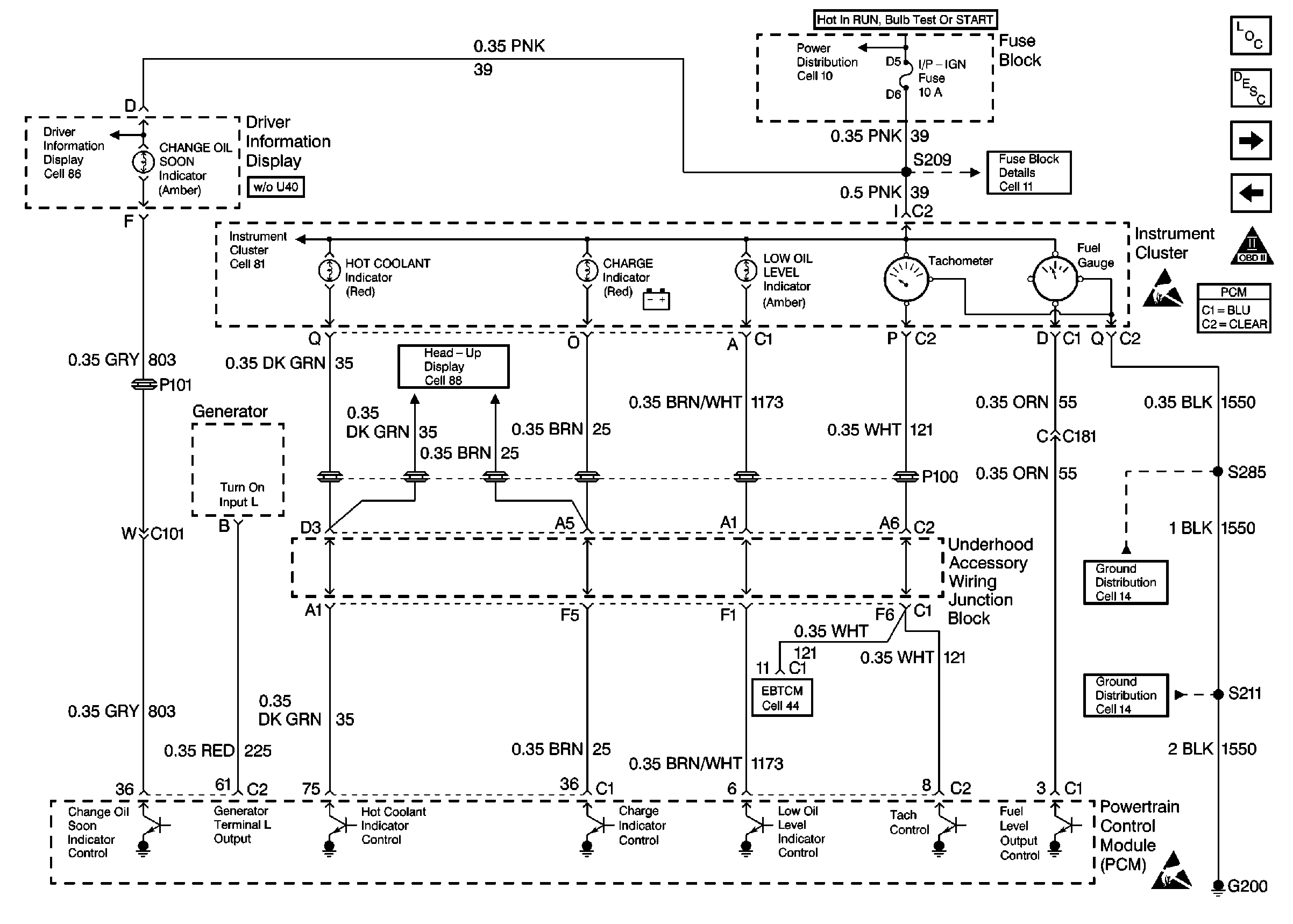
Refer to Engine Controls Schematic

Cell 21: Engine Data Sensos-Indicator Lamps


Object Number: 352472  Size: FS
Cell 86: Driver Information Display
Cell 10: IGN MAIN 1 MaxiFuse 40 A
Cell 11: DRL, CANISTER VENT, PWR DROP, TURN, SIR, IP-IGN, CRUISE and ECM Fuses
Cell 21 Automatic Transaxle Range Switch, and IAC
Cell 21: Engine Data Sensors-MAF, EVAP Vent, EVAP Purge, EGR
OBDII Symbol Description Notice
Handling Electrostatic Discharge Sensitive Parts Notice
Handling Electrostatic Discharge Sensitive Parts Notice
Cell 14: RH/IP Ground G200 (4 of 4)
Cell 83: Head-Up Display (HUD), Continued

Circuit Description

Output Driver Modules (ODMs) are used by the PCM to turn ON many of the current-driven devices that are needed to control various engine and Transaxle functions. Each ODM is capable of controlling up to 7 separate outputs by applying ground to the device which the PCM is commanding ON.

Unlike the Quad Driver Modules (QDMs) used in prior model years, ODMs have the capability of diagnosing each output circuit individually. DTC P1653 set indicates an improper voltage level has been detected on the output circuit which controls the Low Engine Oil Level Lamp.

Conditions for Setting the DTC

    • Ignition is ON.
    • An improper voltage level has been detected on the output circuit which controls the low engine oil level lamp.
    • Above conditions for at least 30 seconds.

Action Taken When the DTC Sets

    • The PCM will not illuminate the MIL.
    • The PCM will store conditions which were present when the DTC set as Fail Records data only. This information will not be stored as Freeze Frame data.

Conditions for Clearing the MIL/DTC

    • A history DTC P1653 will clear after 40 consecutive warm-up cycles have occurred without a fault.
    • DTC P1653 can be cleared by using the scan tool Clear Info function or by disconnecting the PCM battery feed.

Diagnostic Aids

Check for the following condition(s):

    • Poor connection at the PCM. Inspect harness connectors for backed out terminals, improper mating, broken locks, improperly formed or damaged terminals, and poor terminal to wire connection(s).
    • Damaged harness. Inspect the wiring harness for damage. If the harness appears to be OK, disconnect the PCM, turn the ignition ON and observe a voltmeter connected to the Engine Low Oil Lamp driver circuit at the PCM harness connector while moving connectors and wiring harnesses related to the Engine Low Oil Leve circuit. A change in voltage will indicate the location of the fault.

Reviewing the Fail Records vehicle milage since the diagnostic test last failed may help determine how often the condition that caused the DTC to be set occurs. This may assist in diagnosing the condition.

Test Description

Number(s) below refer to the step number(s) on the Diagnostic Table.

  1. Normally, ignition feed voltage should be present on the control circuit with the PCM disconnected and the ignition turned ON.

  2. Checks for a shorted component or a short to B+ on the control circuit. Either condition would result in a measured current of over 500 milliamps. Also checks for a component that is causing an open circuit while being operated, resulting in a measured current of 0 milliamps.

  3. Checks for a short to voltage on the control circuit.

  4. This vehicle is equipped with a PCM which utilizes an Electrically Erasable Programmable Read Only Memory (EEPROM). When the PCM is being replaced, the new PCM must be programmed.

DTC P1672 - Low Engine Oil Level Lamp Control Circuit

Step

Action

Value(s)

Yes

No

1

Was the Powertrain On-Board Diagnostic (OBD) System Check performed?

--

Go to Step 2

Go to Powertrain On Board Diagnostic (OBD) System Check

2

  1. Turn OFF the ignition switch.
  2. Disconnect the PCM.
  3. Turn ON the ignition switch.
  4. Using a Digital Multimeter, measure voltage between the low engine oil level lamp control circuit at the PCM harness connector and ground.

Is voltage near the specified value?

B+

Go to Step 3

Go to Step 6

3

  1. Connect the digital multimeter to measure current between the low engine oil level lamp control circuit at the PCM harness connector and ground.
  2. Monitor the current reading on the digital multimeter for at least 2 minutes.

Does the current reading remain between the specified values?

0.05-0.5 Amps

(50-500 mA)

Go to Step 11

Go to Step 4

4

  1. Turn OFF the ignition switch.
  2. Disconnect the instrument panel (leave the PCM disconnected).
  3. Turn ON the ignition switch.
  4. Using a digital multimeter, measure voltage between the low engine oil level lamp control circuit and ground.

Is voltage at the specified value?

0 V

Go to Step 10

Go to Step 5

5

Locate and repair short to voltage in the low engine oil level lamp control circuit. Refer to Wiring Repairs .

Is action complete?

--

Go to Step 15

--

6

Check the ignition feed fuse for the instrument panel indicators.

Is the fuse blown?

--

Go to Step 7

Go to Step 8

7

  1. Locate and repair short to ground in ignition feed circuit for the instrument panel indicators. Refer to Fuse Block Schematics in Wiring Systems.
  2. Replace fuse.

Is action complete?

--

Go to Step 15

--

8

  1. Disconnect the instrument cluster.
  2. Turn ON the ignition switch.
  3. Measure voltage between the ignition feed circuit for the instrument cluster indicators and ground.

Is voltage near the specified value?

B+

Go to Step 9

Go to Step 13

9

  1. Check the low engine oil level lamp control circuit for an open or a short to ground.
  2. If a problem is found, repair the low engine oil level lamp control circuit. Refer to Wiring Repairs .

Was a problem found?

--

Go to Step 15

Go to Step 10

10

  1. Check the low engine oil level lamp control circuit and the instrument panel indicators ignition feed circuit for a poor connection at the instrument panel and at the PCM.
  2. If a problem is found, replace faulty terminal(s). Refer to Wiring Repairs .

Was a problem found?

--

Go to Step 15

Go to Instrument Cluster System Check in Instrument Panel, Gauges, and Console

11

  1. Turn OFF the ignition switch.
  2. Reconnect the PCM.
  3. Disconnect the instrument cluster.
  4. Turn ON the ignition switch.
  5. Connect a test lamp between the low engine oil level lamp control circuit and the ignition feed circuit at the instrument panel harness connector.
  6. Using the scan tool outputs test function, cycle the low engine oil level lamp ON and OFF.

Does the test lamp flash ON and OFF?

--

Go to Diagnostic Aids

Go to Step 12

12

  1. Check the low engine oil level lamp control circuit for a poor connection at the PCM.
  2. If a problem is found, replace faulty terminal. Refer to Wiring Repairs .

Was a problem found?

--

Go to Step 15

Go to Step 14

13

Locate and repair open in the ignition feed circuit to the I/P indicators. Refer to Wiring Repairs .

Is action complete?

--

Go to Step 15

--

14

Important:: The replacement PCM must be programmed.

Replace the PCM.

Refer to Powertrain Control Module Replacement/Programming .

Is action complete?

--

Go to Step 15

--

15

  1. Review and record scan tool Fail Records data.
  2. Clear DTCs.
  3. Operate the vehicle within Fail Records conditions.
  4. Using a scan tool, monitor Specific DTC info for DTC P1653 until the DTC P1653 test runs.

Does the scan tool indicate DTC P1653 failed this ignition?

--

Go to Step 2

System OK