GM Service Manual Online
For 1990-2009 cars only

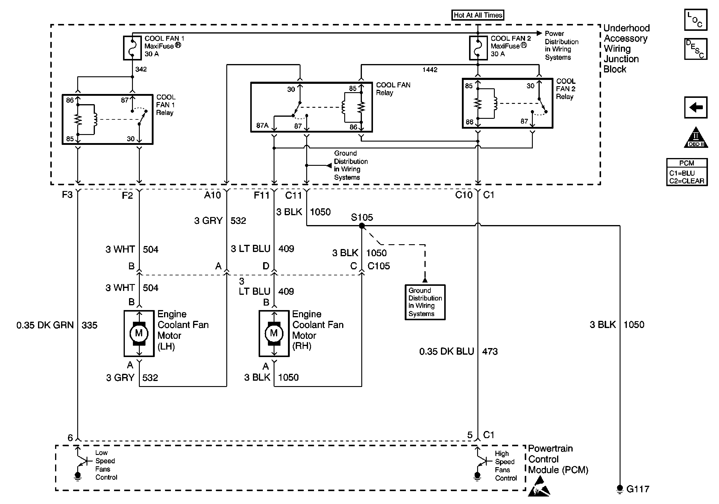
Refer to Engine Controls Schematic

Coolant Fan Motor #1 and Coolant Fan Motor #2


Object Number: 588239  Size: FS
G117
G117
Underhood Accessory Wiring Junction Block
Handling ESD Sensitive Parts Notice
Engine Controls Components
Powertrain Control Module Description
Heater A/C Control and A/C Compressor Clutch Coil
OBD II Symbol Description Notice
.

Circuit Description

The PCM controls engine idle speed by adjusting the position of the idle air control (IAC) motor pintle. The IAC is a bi-directional motor driven by two coils. The PCM applies current to the IAC coils in pulses (counts) to extend the IAC pintle into a passage in the throttle body to decrease air flow. The PCM reverses the current to retract the pintle, increasing air flow. This method allows highly accurate control of idle speed and quick response to changes in engine load. If the PCM detects a condition where too high of an idle speed is present and the PCM is unable to adjust idle speed by decreasing the IAC counts, DTC P0507 will set indicating a problem with the idle control system.

Conditions for Running the DTC

    •  No active TP, ECT, MAP, IAT, MAF, CKP, sensor, EVAP, misfire, EGR, VSS, Fuel Trim, injector circuit, DTCs active.
    •  Engine coolant temperature is above 70°C (158°F).
    •  The engine has been running for at least 2 minutes.
    •  System voltage is between 9.0 and 18.0 volts.
    •  Vehicle speed is less than 3 mph.
    •  Intake air temperature is above -18°C (5°F).
    •  The throttle is less than 1.5 percent.
    •  BARO above 65 kPa.
    •  Engine run time is more than 2 minutes.

Conditions for Setting the DTC

Engine Speed is more than 175 RPM higher than Desired Idle for greater than 15 seconds.

Action Taken When the DTC Sets

    • The PCM will illuminate the malfunction indicator lamp (MIL) during the second consecutive trip in which the diagnostic test has been run and failed.
    • The PCM will store conditions which were present when the DTC set as Freeze Frame/Failure Records data.

Conditions for Clearing the MIL/DTC

    • The PCM will turn OFF the malfunction indicator lamp (MIL) during the third consecutive trip in which the diagnostic has run and passed.
    • The history DTC will clear after 40 consecutive warm-up cycles have occurred without a malfunction.
    • The DTC can be cleared by using a scan tool.

Diagnostic Aids

Inspect for the following conditions:

    •  Restricted air intake system --Inspect for a possible collapsed air intake duct, restricted air filter element, or foreign objects blocking the air intake system.
    •  Throttle body -- Inspect for objects blocking the IAC passage or throttle bore, excessive deposits in the IAC passage and on the IAC pintle, and excessive deposits in the throttle bore and on the throttle plate.
    •  Large vacuum leak -- Inspect for a condition that causes a large vacuum leak, such as a incorrectly installed or faulty PCV valve or brake booster hose disconnected.

Many situations may lead to an intermittent condition. Perform each inspection or test as directed.

Important: :  Remove any debris from the connector surfaces before servicing a component. Inspect the connector gaskets when diagnosing or replacing a component. Ensure that the gaskets are installed correctly. The gaskets prevent contaminate intrusion.

    • Loose terminal connection
       -  Use a corresponding mating terminal to test for proper tension. Refer to Testing for Intermittent Conditions and Poor Connections , and to Connector Repairs in Wiring Systems for diagnosis and repair.
       -  Inspect the harness connectors for backed out terminals, improper mating, broken locks, improperly formed or damaged terminals, and faulty terminal to wire connection. Refer to Testing for Intermittent Conditions and Poor Connections , and to Connector Repairs in Wiring Systems for diagnosis and repair.
    • Damaged harness--Inspect the wiring harness for damage. If the harness inspection does not reveal a problem, observe the display on the scan tool while moving connectors and wiring harnesses related to the sensor. A change in the scan tool display may indicate the location of the fault. Refer to Wiring Repairs in Wiring Systems for diagnosis and repair.
    •  Inspect the powertrain control module (PCM) and the engine grounds for clean and secure connections. Refer to Wiring Repairs in Wiring Systems for diagnosis and repair.

If the condition is determined to be intermittent, reviewing the Snapshot or Freeze Frame/Failure Records may be useful in determining when the DTC or condition was identified.

Test Description

The number below refers to the step number on the diagnostic table:

  1. Before replacing the PCM, check the terminals for improper mating, broken locks, or physical damage to the wiring harness.

Step

Action

Value(s)

Yes

No

1

Did you perform the Powertrain On-Board Diagnostic (OBD) System Check?

--

Go to Step 2

Go to Powertrain On Board Diagnostic (OBD) System Check

2

Are any other DTCs set?

--

Got to applicable DTC

Go to Step 3

3

  1. Start the engine.
  2. Turn OFF all accessories.
  3. Using a scan tool, command RPM up to 1500, down to 650, and then up to 1500 while monitoring the Engine Speed on the scan tool.

Does Engine Speed remain within the specified value of Desired Idle for each RPM commanded

175 RPM

Go to Diagnostic Aids

Go to Step 4

4

  1. Disconnect the IAC.
  2. Install J 37027-A IAC system motor analyzer to the IAC harness connector.
  3. With engine running, command RPM up to 1500, down to 650, and then up to 1500 while observing the node light.

Does the J 37027-A IAC system motor analyzer cycle from red to green (never off)?

--

Go to Step 6

Go to Step 5

5

Test the following circuits for an open, short to voltage, or a short to ground:

    •  IAC A Low
    •  IAC A High
    •  IAC B Low
    •  IAC B High

Did you find and correct the condition?

--

Go to Step 11

Go to Step 9

6

Inspect for poor connection at the IAC harness connector. Refer to Testing for Intermittent Conditions and Poor Connections in Wiring Systems.

Did you find and correct the condition?

--

Go to Step 11

Go to Step 7

7

Visually/Physically inspect for the following conditions:

    •  Vacuum leaks
    •  Throttle body tampering (Throttle Lever Stop Screw turned)
    •  Throttle plate or throttle shaft for binding.
    •  Faulty, missing, for incorrectly installed PCV Valve

Does any of the above require a repair?

--

Go to Step 11

Go to Step 8

8

Replace the IAC Valve. Refer to Idle Air Control Valve Replacement .

Did you complete the repair?

--

Go to Step 11

--

9

Inspect for poor connection at the PCM harness connector. Refer to Testing for Intermittent Conditions and Poor Connections in Wiring Systems.

Did you find and correct the condition?

--

Go to Step 11

Go to Step 10

10

Important: :  The replacement PCM must be programmed.

Replace the PCM. Refer to Powertrain Control Module Replacement/Programming .

Did you complete the repair?

--

Go to Step 11

--

11

  1. Start the engine.
  2. Turn OFF all accessories.
  3. Using a scan tool, command RPM up to 1500, down to 650, and then up to 1500 while monitoring the Engine Speed on the scan tool.

Does the Engine Speed remain within the specified value of Desired Idle for each RPM commanded

175 RPM

System OK

Go to Step 2