GM Service Manual Online
For 1990-2009 cars only

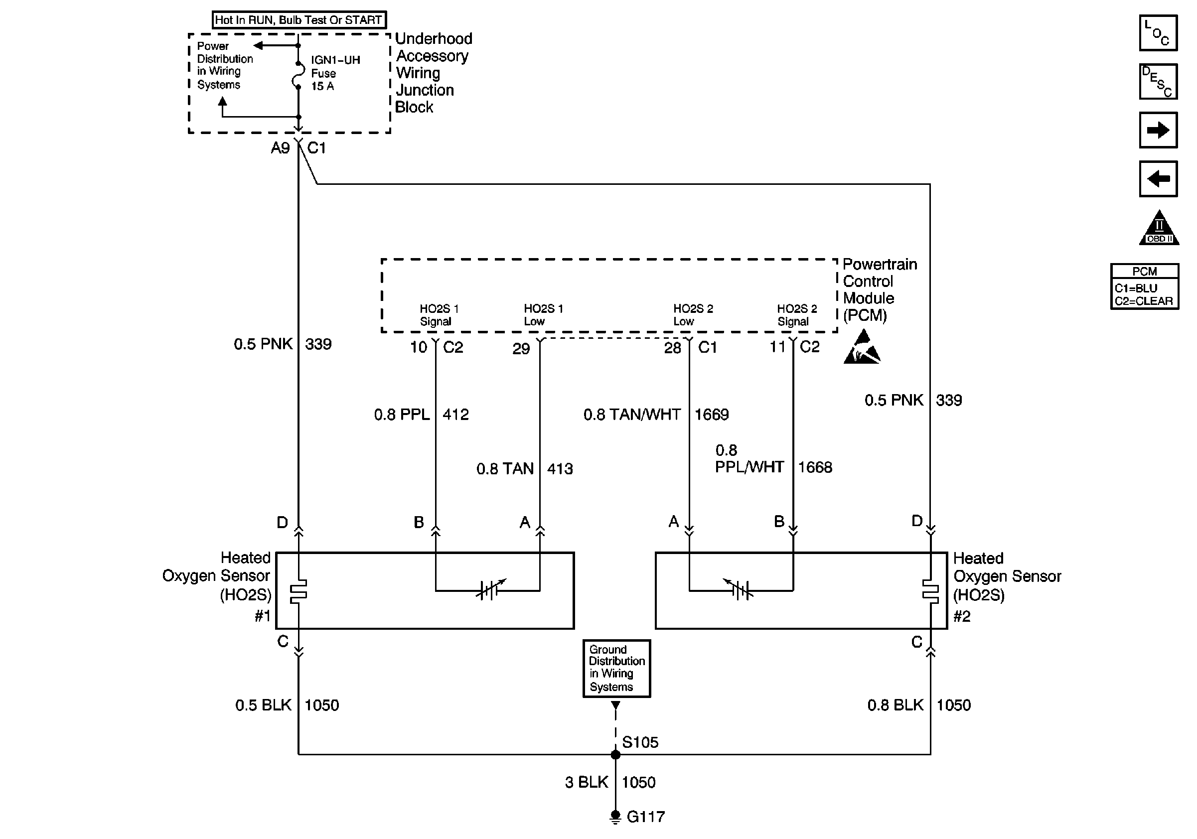
Refer to Engine Controls Schematics

HO2S #1 and HO2S #2


Object Number: 588220  Size: FS
Underhood Accessory Wiring Junction Block, Secondary Air Injection PUmp Relay, Secondary Air Injection Valve Solenoid, Supercharger Bypass Valve, Heated Oxygen Sensors, MAF and EVAP
G117
Handling ESD Sensitive Parts Notice
Engine Controls Components
Powertrain Control Module Description
AIR Motor, AIR Valve, AIR Relay and Theft Deterrent Module
A/C Refrigerant Pressure Sensor, TP, MAP, ECT and IAT Sensor
OBD II Symbol Description Notice
.

Circuit Description

The PCM monitors the Heated Oxygen Sensor (HO2S) activity for 100 seconds. During this test period the PCM counts the number of times that the HO2S signal voltage crosses the rich to lean and lean to rich thresholds. If the PCM determines that the HO2S did not switch enough times, DTC P1133 will be set.

A lean to rich switch is determined when the HO2S voltage changes from less than 300 mV to greater than 600 mV. A rich to lean switch is determined when the HO2S voltage changes from more than 600 mV to less than 300 mV.

Conditions for Running the DTC

    • System voltage between 9.0 and 18.0 volts.
    •  No active MAF, TP, IAT, MAP, ECT sensor, injector circuit, EVAP, misfire, or HO2S heater DTCs.
    •  Above conditions present for a 100 second monitoring period after closed loop.
    • Vehicle not in park or neutral.
    • Mass Air Flow is between 10 and 30 g/s.
    • ECT is greater than 50°C (122°F).
    • Engine speed is between 1000 and 3000 RPM.
    • AIR pump commanded OFF.

Conditions for Setting the DTC

    •  The PCM monitors fewer than 65 rich to lean and 50 lean to rich switches for HO2S 1.
    •  The condition is present for a 100 second monitoring period.

Action Taken When the DTC Sets

    • The PCM will illuminate the malfunction indicator lamp (MIL) during the second consecutive trip in which the diagnostic test has been run and failed.
    • The PCM will store conditions which were present when the DTC set as Freeze Frame/Failure Records data.

Conditions for Clearing the MIL/DTC

    • The PCM will turn OFF the malfunction indicator lamp (MIL) during the third consecutive trip in which the diagnostic has run and passed.
    • The history DTC will clear after 40 consecutive warm-up cycles have occurred without a malfunction.
    • The DTC can be cleared by using a scan tool.

Diagnostic Aids

A malfunction in the HO2S heater ignition feed or ground circuit may cause a DTC P1133 to set. Check HO2S heater circuitry for intermittent faults or poor connections. If connections and wiring are OK and DTC P1133 continues to set, replace the HO2S 1. Refer to Heated Oxygen Sensor Replacement .

Inspect for the following:

Many situations may lead to an intermittent condition. Perform each inspection or test as directed.

Important: :  Remove any debris from the connector surfaces before servicing a component. Inspect the connector gaskets when diagnosing or replacing a component. Ensure that the gaskets are installed correctly. The gaskets prevent contaminate intrusion.

    • Loose terminal connection
       -  Use a corresponding mating terminal to test for proper tension. Refer to Testing for Intermittent Conditions and Poor Connections , and to Connector Repairs in Wiring Systems for diagnosis and repair.
       -  Inspect the harness connectors for backed out terminals, improper mating, broken locks, improperly formed or damaged terminals, and faulty terminal to wire connection. Refer to Testing for Intermittent Conditions and Poor Connections , and to Connector Repairs in Wiring Systems for diagnosis and repair.
    • Damaged harness--Inspect the wiring harness for damage. If the harness inspection does not reveal a problem, observe the display on the scan tool while moving connectors and wiring harnesses related to the sensor. A change in the scan tool display may indicate the location of the fault. Refer to Wiring Repairs in Wiring Systems for diagnosis and repair.
    •  Inspect the powertrain control module (PCM) and the engine grounds for clean and secure connections. Refer to Wiring Repairs in Wiring Systems for diagnosis and repair.

If the condition is determined to be intermittent, reviewing the Snapshot or Freeze Frame/Failure Records may be useful in determining when the DTC or condition was identified.

Test Description

The numbers below refer to the step numbers on the diagnostic table:

  1. When the system is operating correctly the HO2S voltage should toggle above and below the specified values.

  2. If the low circuit is shorted to ground the HO2S voltage will be less than 400 mV when the signal circuit is jumped to ground.

  3. The specified value is what is measured on a correctly operating system.

  4. The specified value is what is measured on a correctly operating system.

  5. This vehicle is equipped with a PCM which utilizes an Electrically Erasable Programmable Read Only Memory (EEPROM). When the PCM is replaced, the new PCM must be programmed.

Step

Action

Values

Yes

No

1

Did you perform the Powertrain On-Board Diagnostic (OBD) System Check?

--

Go to Step 2

Go to Powertrain On Board Diagnostic (OBD) System Check

2

Important:: If any other DTCs are set (except HO2S DTCs), refer to other DTCs first before proceeding with this table.

  1. Engine at operating temperature.
  2. Operate engine above 1200 RPM for two minutes.
  3. With a scan tool, observe the HO2S voltage parameter.

Does scan tool indicate HO2S voltage varying outside the specified values?

400-500 mV

Go to Step 3

Go to Step 4

3

Operate vehicle within Failure Records conditions.

Does the scan tool indicate this DTC failed this ignition?

--

Go to Step 4

Go to Diagnostic Aids

4

Inspect and test for the following:

    • Exhaust leak. Refer to Exhaust System Inspection and Exhaust Leakage - Not OBD II in Engine Exhaust.
    • The HO2S is installed correctly.
    • Damaged wiring. Refer to Wiring Repairs in Wiring Systems.

Did you find and correct the condition?

--

Go to Step 15

Go to Step 5

5

  1. Turn ON the ignition.
  2. Disconnect the HO2S.
  3. Jumper the signal circuit (PCM side) to a good ground.
  4. With a scan tool, observe HO2S voltage parameter.

Does the scan tool indicate HO2S voltage more than the specified value?

400 mV

Go to Step 6

Go to Step 10

6

  1. Remove the jumper wire.
  2. Measure the voltage on the HO2S signal circuit (PCM side) using a DMM that is connected to a good ground.

Does the voltage measure near the specified value?

4.5V

Go to Step 7

Go to Step 9

7

Measure the voltage on the HO2S low circuit (PCM side) using a DMM that is connected to a good ground.

Does the voltage measure near the specified value?

5V

Go to Step 11

Go to Step 8

8

Test the low circuit for an open or high resistance. Refer to Circuit Testing and Wiring Repairs in Wiring Systems.

Did you find and correct the condition?

--

Go to Step 15

Go to Step 13

9

Test the signal circuit for an open or high resistance. Refer to Circuit Testing and Wiring Repairs in Wiring Systems.

Did you find and correct the condition?

--

Go to Step 15

Go to Step 13

10

Test the low circuit for a short to ground. Refer to Circuit Testing and Wiring Repairs in Wiring Systems.

Did you find and correct the condition?

--

Go to Step 15

Go to Step 14

11

Test for faulty connections at the HO2S. Refer to Testing for Intermittent Conditions and Poor Connections and Connector Repairs in Wiring Systems.

Did you find and correct the condition?

--

Go to Step 15

Go to Step 12

12

Important:: Determine the cause of contamination before replacing the sensor.

Inspect and test for the following:

    • Fuel Contamination. Refer to Alcohol/Contaminants-in-Fuel Diagnosis .
        Engine oil or coolant consumption. Refer to Oil Consumption Diagnosis in Engine Mechanical.
    • Use of improper RTV sealant. Refer to

Notice: Contamination of the oxygen sensor can result from the use of an inappropriate RTV sealant (not oxygen sensor safe) or excessive engine coolant or oil consumption. Remove the HO2S and visually inspect the portion of the sensor exposed to the exhaust stream in order to check for contamination. If contaminated, the portion of the sensor exposed to the exhaust stream will have a white powdery coating. Silicon contamination causes a high but false HO2S signal voltage (rich exhaust indication). The control module will then reduce the amount of fuel delivered to the engine, causing a severe driveability problem. Eliminate the source of contamination before replacing the oxygen sensor.

in Cautions and Notices.

Replace the effected HO2S sensor. Refer to Heated Oxygen Sensor Replacement .

Did you complete the repair?

--

Go to Step 15

--

13

Test for faulty connections at the PCM. Refer to Testing for Intermittent Conditions and Poor Connections and Connector Repairs in Wiring Systems.

Did you find and correct the condition?

--

Go to Step 15

Go to Step 14

14

Important:: The replacement PCM must be programmed. Refer to Powertrain Control Module Replacement/Programming .

Replace the PCM.

Did you complete the repair?

--

Go to Step 15

--

15

  1. Use the scan tool in order to clear the DTCs.
  2. Operate the vehicle within the Failure Record conditions.

Does the DTC reset?

--

Go to Step 2

Go to Step 16

16

Use the scan tool in order to inspect for DTCs.

Does the scan tool indicate any DTCs that you have not diagnosed?

--

Go to applicable DTC

System OK