GM Service Manual Online
For 1990-2009 cars only
Figure 1:

Power, Ground, MIL and Data Link


Object Number: 588096  Size: FS
Underhood Accessory Wiring Junction Block, Park/Neutral Position Switch, PCM and Generator
DRL, Canister, PWR DROP, TURN, SIR, IP-IGN, CRUISE, and ECM Fuse
DRL, Canister, PWR DROP, TURN, SIR, IP-IGN, CRUISE, and ECM Fuse
DRL, Canister, PWR DROP, TURN, SIR, IP-IGN, CRUISE, and ECM Fuse
DRL, Canister, PWR DROP, TURN, SIR, IP-IGN, CRUISE, and ECM Fuse
G100, G111 and G113
PCM, Engine Coolant Level Indicator Module, Windshield Washer Solvent Level Switch
G200 (3 of 4)
DLC Schematic 1 of 4
DLC Schematic 1 of 4
Handling ESD Sensitive Parts Notice
CD CHG, STOP LAMP, INT LAMP and CGR LTR Fuse
CD CHG, STOP LAMP, INT LAMP and CGR LTR Fuse
Handling ESD Sensitive Parts Notice
Power, Ground, Serial Data and EBCM
Engine Controls Components
Powertrain Control Module Description
CKP, CMP, ICM, Bank 1 KS and Bank 2 KS
OBD II Symbol Description Notice
Figure 2:

CKP, CMP, ICM, Bank 1 KS and Bank 2 KS


Object Number: 588115  Size: FS
Underhood Accessory Wiring Junction Block, ICM, Automatic Transaxle, Stop Lamp Switch and EBCM
Handling ESD Sensitive Parts Notice
Handling ESD Sensitive Parts Notice
Engine Controls Components
Powertrain Control Module Description
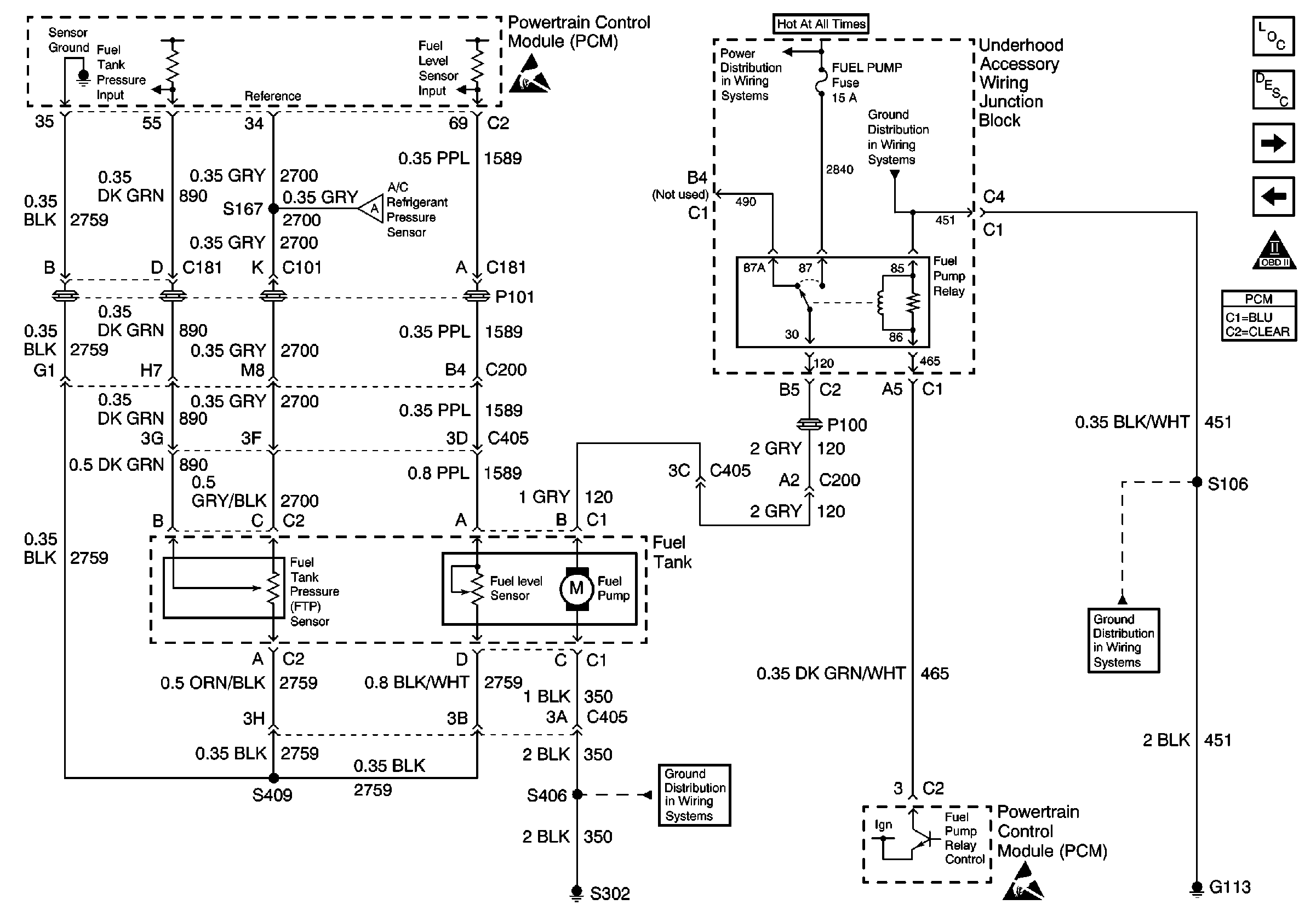
Fuel Tank
Power, Ground, MIL and Data Link
OBD II Symbol Description Notice
Figure 3:

Fuel Tank


Object Number: 588119  Size: FS
A/C Refrigerant Pressure Sensor, TP, MAP, ECT and IAT Sensor
Handling ESD Sensitive Parts Notice
Underhood Accessory Wiring Junction Block
G100, G111 and G113
G302 (1 of 2)
Underhood Accessory Wiring Junction Block
Handling ESD Sensitive Parts Notice
Engine Controls Components
Powertrain Control Module Description
Fuel Tank and Fuel Pump Resistor
CKP, CMP, ICM, Bank 1 KS and Bank 2 KS
OBD II Symbol Description Notice
Figure 4:

Fuel Tank and Fuel Pump Resistor


Object Number: 588123  Size: FS
A/C Refrigerant Pressure Sensor, TP, MAP, ECT and IAT Sensor
Handling ESD Sensitive Parts Notice
G302 (1 of 2)
Underhood Accessory Wiring Junction Block
G100, G111 and G113
G100, G111 and G113
Handling ESD Sensitive Parts Notice
Engine Controls Components
Powertrain Control Module Description
Fuel Injectors
Fuel Tank
OBD II Symbol Description Notice
Figure 5:

Fuel Injectors


Object Number: 588125  Size: FS
Fuel Injectors (3.8 L)
Handling ESD Sensitive Parts Notice
Engine Controls Components
Powertrain Control Module Description
A/C Refrigerant Pressure Sensor, TP, MAP, ECT and IAT Sensor
Fuel Tank and Fuel Pump Resistor
OBD II Symbol Description Notice
Figure 6:

A/C Refrigerant Pressure Sensor, TP, MAP, ECT and IAT Sensor


Object Number: 588129  Size: FS
Fuel Tank and Fuel Pump Resistor
Fuel Tank
Handling ESD Sensitive Parts Notice
Handling ESD Sensitive Parts Notice
Engine Controls Components
Powertrain Control Module Description
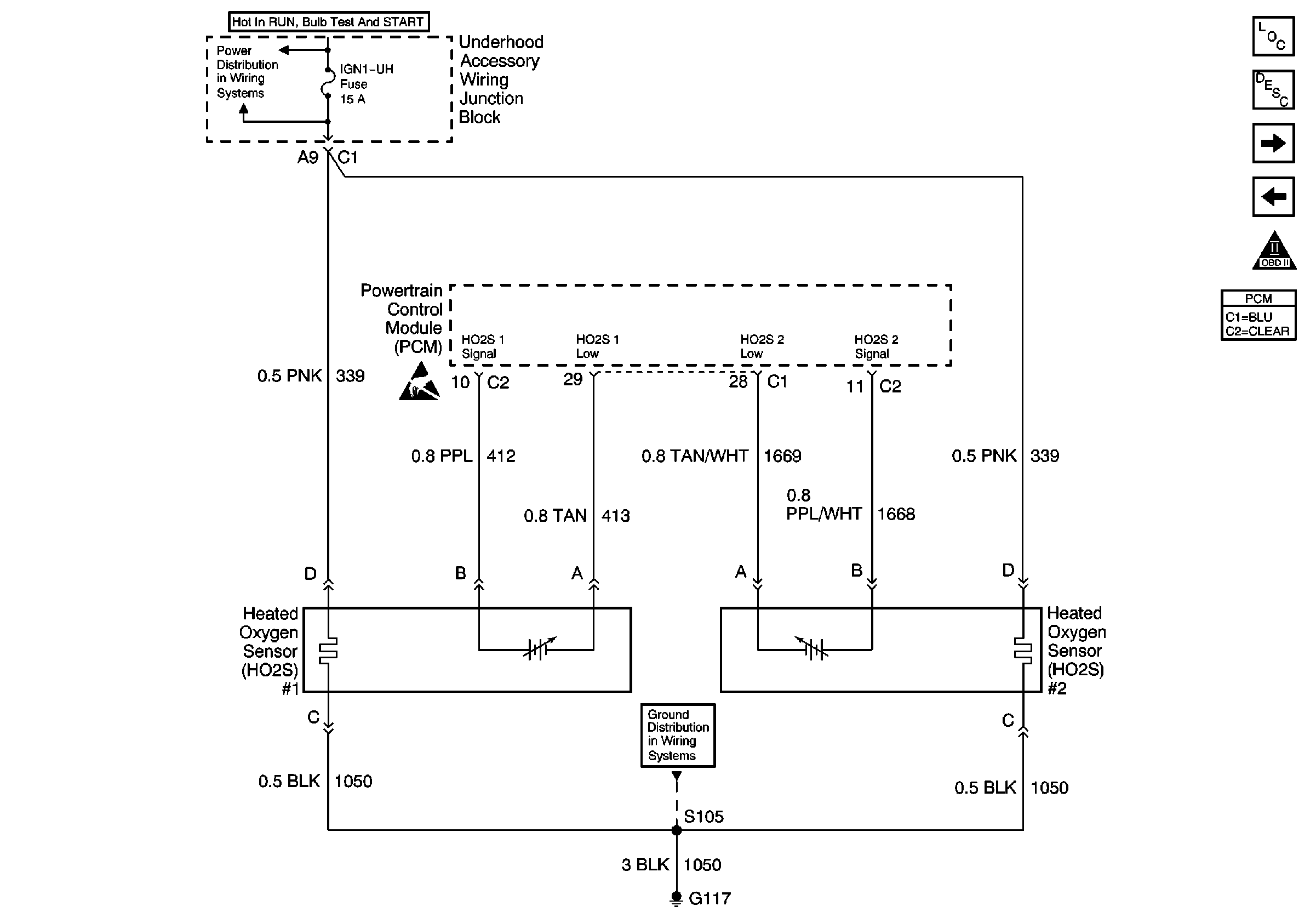
HO2S #1 and HO2S #2
Fuel Injectors
OBD II Symbol Description Notice
Figure 7:

HO2S #1 and HO2S #2


Object Number: 588136  Size: FS
Underhood Accessory Wiring Junction Block, Secondary Air Injection PUmp Relay, Secondary Air Injection Valve Solenoid, Supercharger Bypass Valve, Heated Oxygen Sensors, MAF and EVAP
Handling ESD Sensitive Parts Notice
G117
Engine Controls Components
Powertrain Control Module Description
AIR Motor, AIR Valve, AIR Relay, Theft Deterrent Module and Supercharger Bypass Valve
A/C Refrigerant Pressure Sensor, TP, MAP, ECT and IAT Sensor
OBD II Symbol Description Notice
Figure 8:

AIR Motor, AIR Valve, AIR Relay, Theft Deterant Module and Supercharger Bypass Valve


Object Number: 588144  Size: FS
Underhood Accessory Wiring Junction Block, Secondary Air Injection PUmp Relay, Secondary Air Injection Valve Solenoid, Supercharger Bypass Valve, Heated Oxygen Sensors, MAF and EVAP
Underhood Accessory Wiring Junction Block, Secondary Air Injection PUmp Relay, Secondary Air Injection Valve Solenoid, Supercharger Bypass Valve, Heated Oxygen Sensors, MAF and EVAP
G101
Handling ESD Sensitive Parts Notice
Handling ESD Sensitive Parts Notice
Engine Controls Components
Powertrain Control Module Description
HUD, Trip Calculator, I/P, BCM, CCM and VSS
HO2S #1 and HO2S #2
OBD II Symbol Description Notice
Figure 9:

HUD, Trip Calculator, I/P, BCM, CCM and VSS


Object Number: 588148  Size: FS
Engine Controls Components
Powertrain Control Module Description
MAF, EVAP Purge, EVAP Canister, EGR Valve
AIR Motor, AIR Valve, AIR Relay, Theft Deterrent Module and Supercharger Bypass Valve
OBD II Symbol Description Notice
Handling ESD Sensitive Parts Notice
Figure 10:

MAF, EVAP Purge, EVAP Canister, EGR Valve


Object Number: 588154  Size: FS
Underhood Accessory Wiring Junction Block, Secondary Air Injection PUmp Relay, Secondary Air Injection Valve Solenoid, Supercharger Bypass Valve, Heated Oxygen Sensors, MAF and EVAP
G100, G111 and G113
G100, G111 and G113
Handling ESD Sensitive Parts Notice
DRL, Canister, PWR DROP, TURN, SIR, IP-IGN, CRUISE, and ECM Fuse
Engine Controls Components
Powertrain Control Module Description
I/P and Driver Information Display
HUD, Trip Calculator, I/P, BCM, CCM and VSS
OBD II Symbol Description Notice
Figure 11:

I/P and Driver Information Display


Object Number: 588160  Size: FS
Power, Ground and Door Locks
Power/Ground Distribution, Instrument Cluster and DID
Turn Signal Switch, PCM, IPC and Engine Oil Pressure Switch
DRL, Canister, PWR DROP, TURN, SIR, IP-IGN, CRUISE, and ECM Fuse
DRL, Canister, PWR DROP, TURN, SIR, IP-IGN, CRUISE, and ECM Fuse
Instrument Cluster Indicators, MSVA and Stop Lamp Switch
Handling ESD Sensitive Parts Notice
G200 (4 of 4)
G200 (3 of 4)
Handling ESD Sensitive Parts Notice
Engine Controls Components
Powertrain Control Module Description
IAC, I/P, Engine Oil Level Indicator Switch and PNP
MAF, EVAP Purge, EVAP Canister, EGR Valve
OBD II Symbol Description Notice
Figure 12:

IAC, I/P, Engine Oil Level Indicator Switch and PNP


Object Number: 588164  Size: FS
G100, G111 and G113
G100, G111 and G113
G117
Handling ESD Sensitive Parts Notice
Handling ESD Sensitive Parts Notice
Actuator and Ground Feed
Engine Controls Components
Powertrain Control Module Description
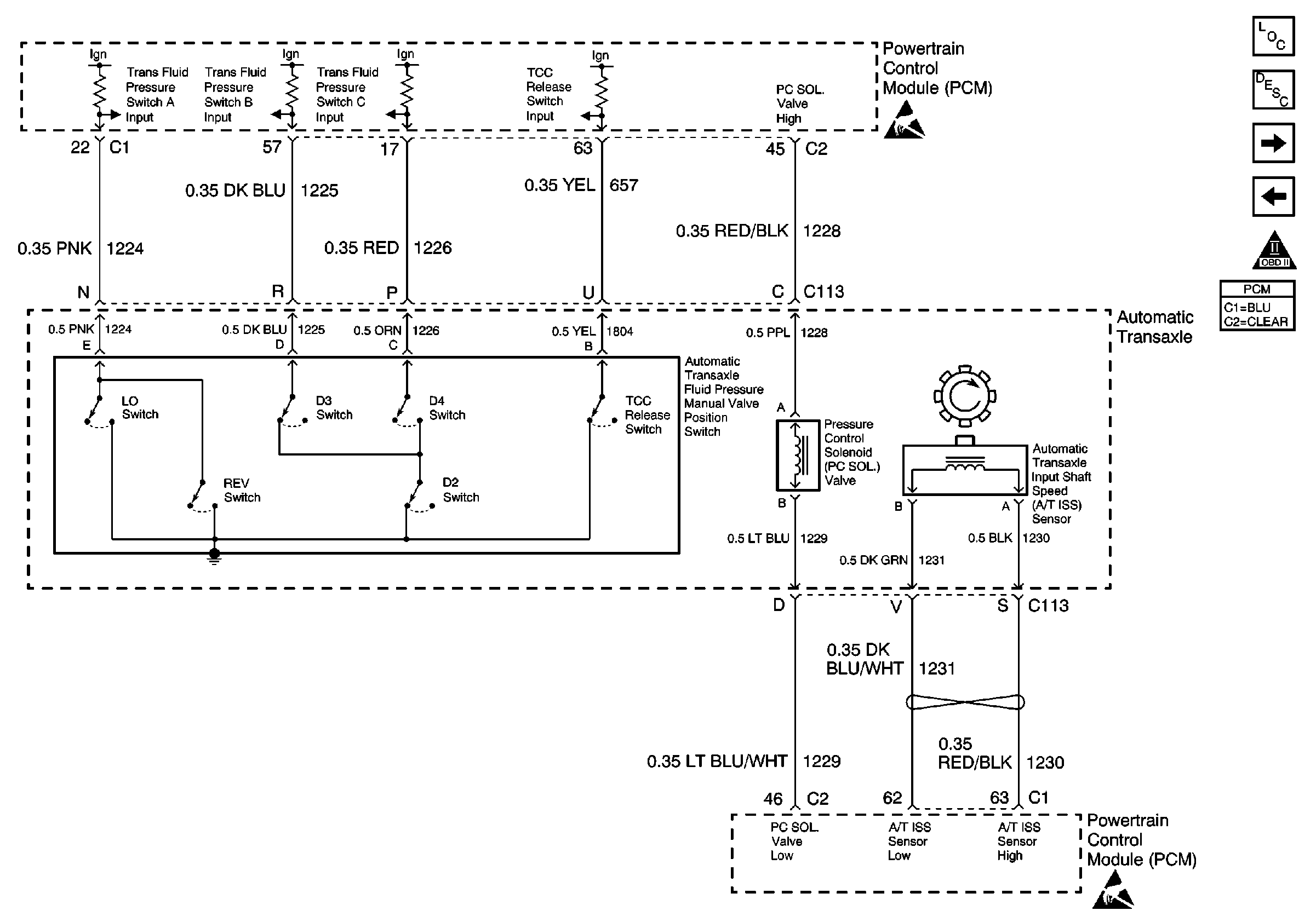
Automatic Transaxle
I/P and Driver Information Display
OBD II Symbol Description Notice
Figure 13:

Automatic Transaxle


Object Number: 588170  Size: FS
Handling ESD Sensitive Parts Notice
Handling ESD Sensitive Parts Notice
Engine Controls Components
Powertrain Control Module Description
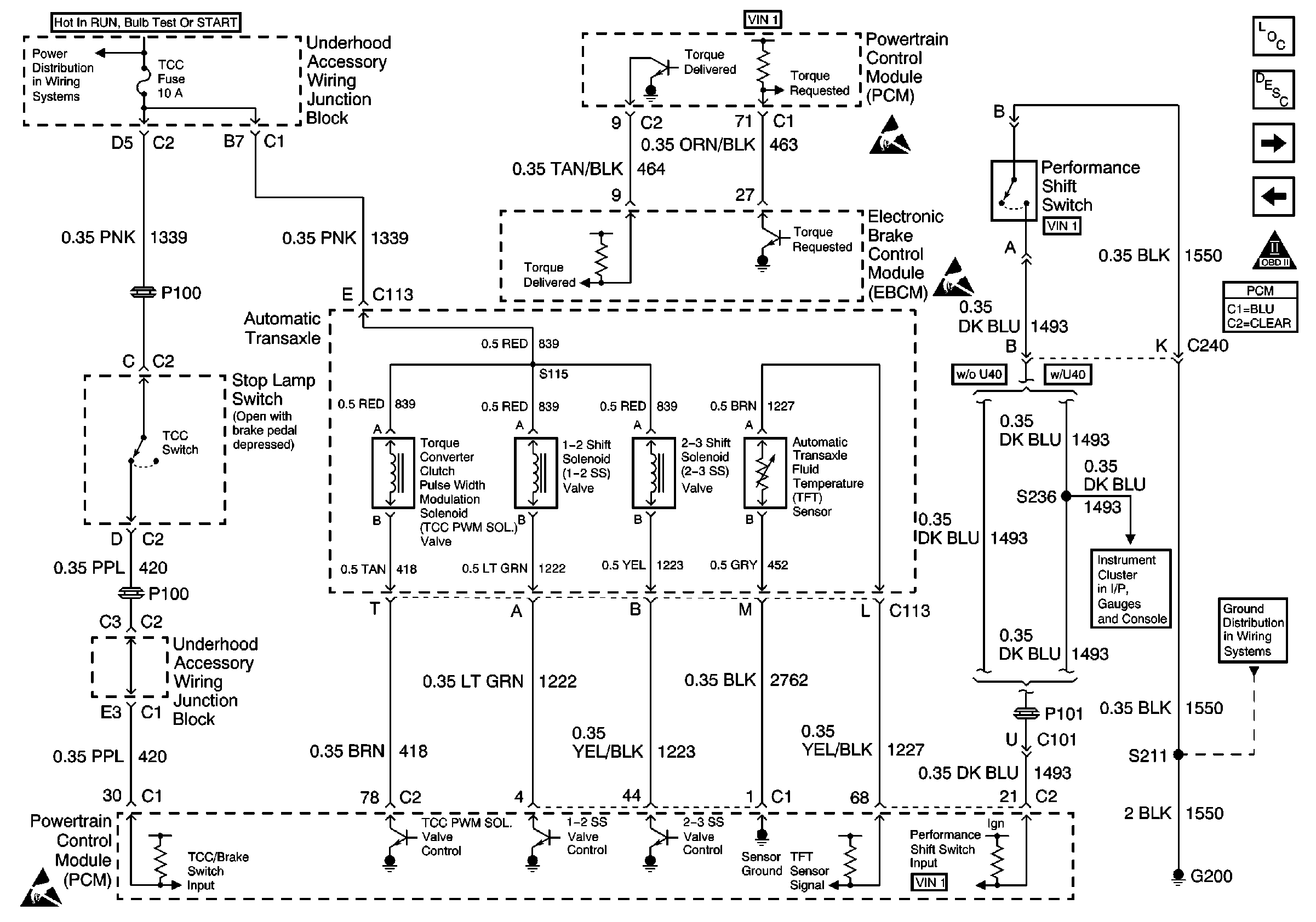
Automatic Transaxle, EBCM, Performance Shift Switch and Stop Lamp Switch
IAC, I/P, Engine Oil Level Indicator Switch and PNP
OBD II Symbol Description Notice
Figure 14:

Automatic Transaxle, EBCM, Performance Shift Switch and Stop Lamp Switch


Object Number: 588172  Size: FS
Underhood Accessory Wiring Junction Block, ICM, Automatic Transaxle, Stop Lamp Switch and EBCM
Handling ESD Sensitive Parts Notice
Handling ESD Sensitive Parts Notice
Handling ESD Sensitive Parts Notice
Brake Fluid Level Switch
G200 (3 of 4)
Engine Controls Components
Powertrain Control Module Description
Heater A/C Control and A/C Compressor Clutch Coil
Automatic Transaxle
OBD II Symbol Description Notice
Figure 15:

Heater A/C Control and A/C Compressor Clutch Coil


Object Number: 588176  Size: FS
DIC/HVAC and HVAC CTRL Fuse
DIC/HVAC and HVAC CTRL Fuse
Handling ESD Sensitive Parts Notice
Underhood Accessory Wiring Junction Block, ICM, Automatic Transaxle, Stop Lamp Switch and EBCM
Handling ESD Sensitive Parts Notice
G117
G117
Engine Controls Components
Powertrain Control Module Description
Coolant Fan Motor #1 and Coolant Fan Motor #2
Automatic Transaxle, EBCM, Performance Shift Switch and Stop Lamp Switch
OBD II Symbol Description Notice
Figure 16:

Coolant Fan Motor #1 and Coolant Fan Motor #2


Object Number: 588180  Size: FS
Underhood Accessory Wiring Junction Block
G117
G117
Handling ESD Sensitive Parts Notice
Engine Controls Components
Powertrain Control Module Description
Heater A/C Control and A/C Compressor Clutch Coil
OBD II Symbol Description Notice