GM Service Manual Online
For 1990-2009 cars only
Figure 1:

Power, Ground, and DLC


Object Number: 588262  Size: FS
Cell 10: Underhood Accessory Wiring Junction Block
Cell 10: IGN MAIN 1 MaxiFuse 40 A
Cell 10
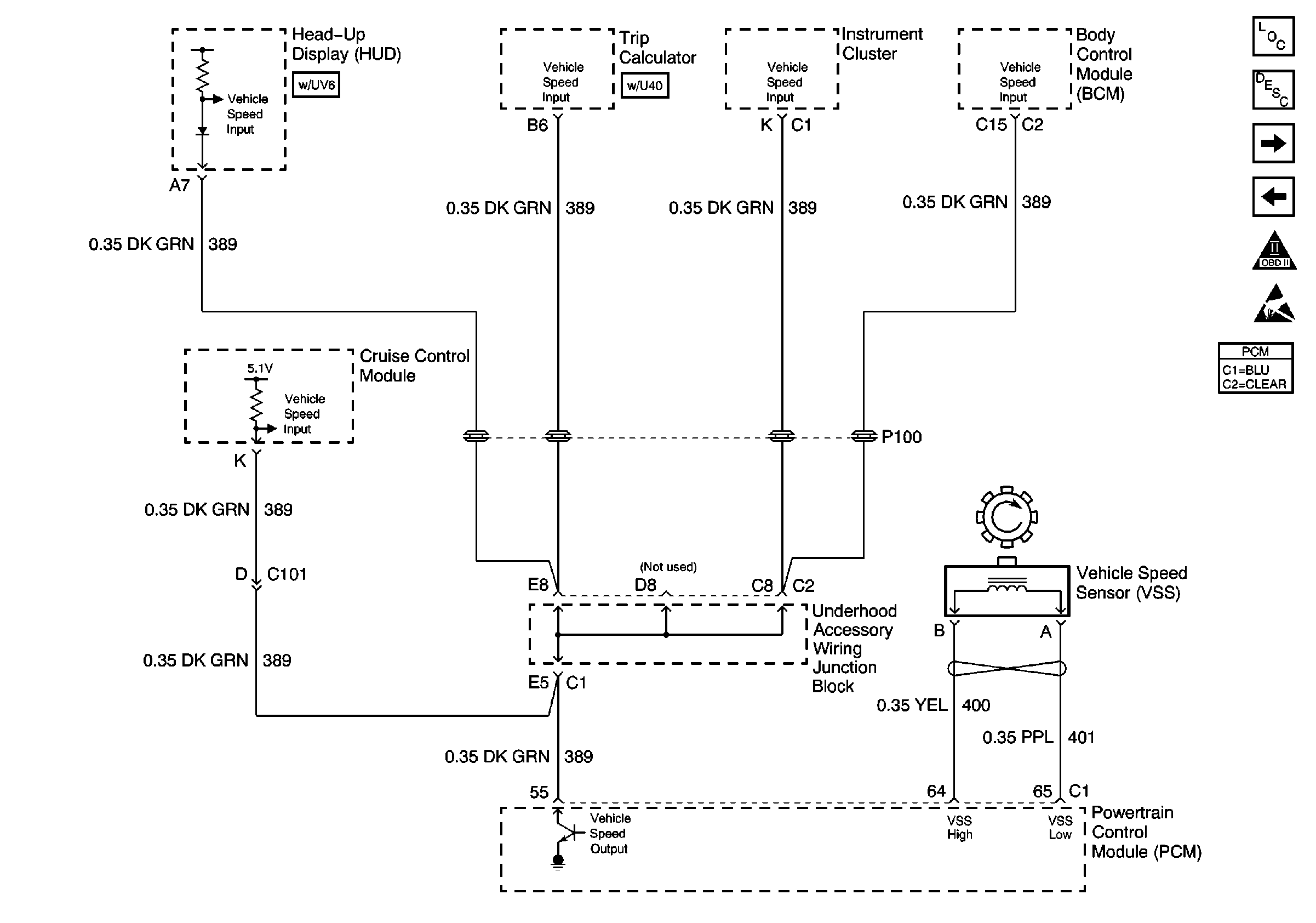
VSS, and Cruise
OBDII Symbol Description Notice
Handling Electrostatic Discharge Sensitive Parts Notice
Handling Electrostatic Discharge Sensitive Parts Notice
Cell 44: Power, Ground, Serial Data and EBTCM
Cell 50
Cell 47
Cell 14: RH/IP Ground G200 (3 of 4)
Cell 14: Engine Grounds G100, G111 and G113
Cell 11: DRL, CANISTER VENT, PWR DROP, TURN, SIR, IP-IGN, CRUISE and ECM Fuses
Cell 11: DRL, CANISTER VENT, PWR DROP, TURN, SIR, IP-IGN, CRUISE and ECM Fuses
Cell 81: Instrument Cluster, Continued
Cell 11: CD CHNG, AUX CNSL, STOP LAMP, INT LAMP, CIG LTR Fuses
Figure 2:

VSS, and Cruise


Object Number: 588265  Size: FS
Handling Electrostatic Discharge Sensitive Parts Notice
Handling Electrostatic Discharge Sensitive Parts Notice
Handling Electrostatic Discharge Sensitive Parts Notice
Handling Electrostatic Discharge Sensitive Parts Notice
Handling Electrostatic Discharge Sensitive Parts Notice
Handling Electrostatic Discharge Sensitive Parts Notice
OBDII Symbol Description Notice
Power, Ground, and DLC
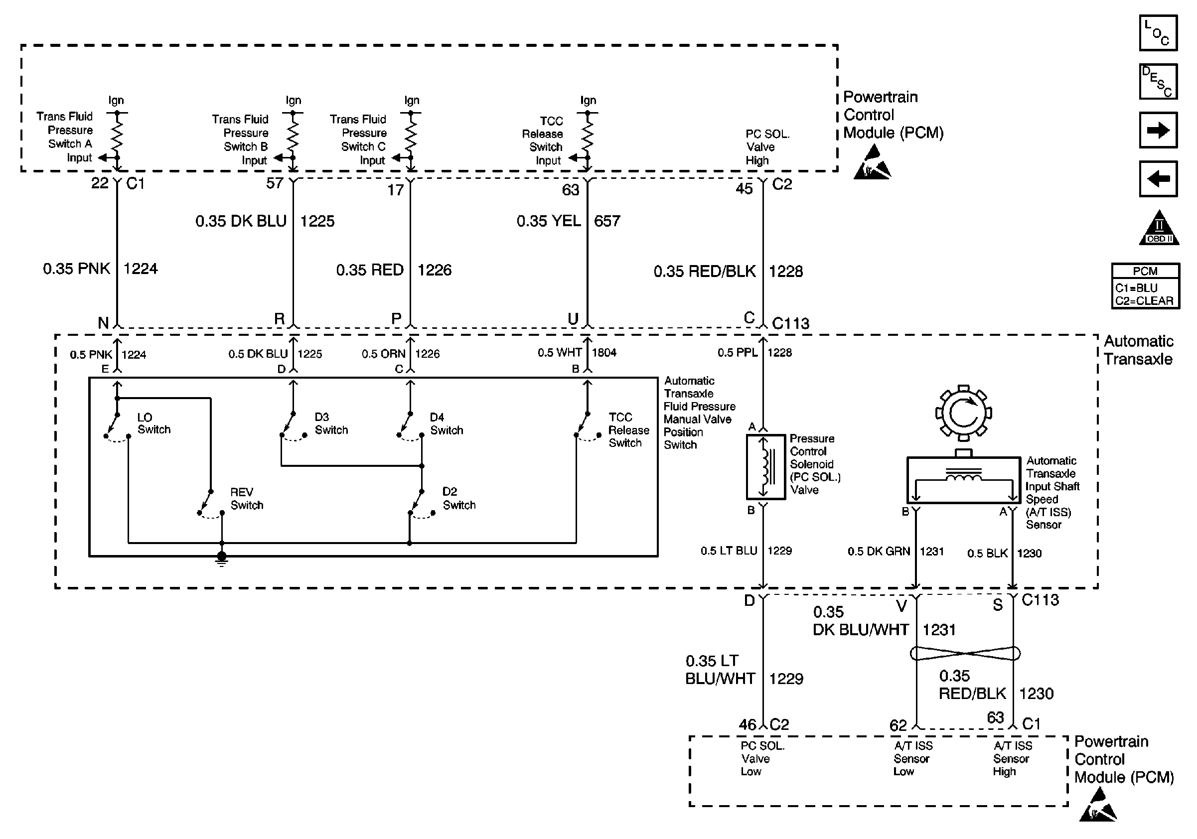
TCC, and Internal Solenoids
Figure 3:

TCC, and Internal Solenoids


Object Number: 588266  Size: FS
Cell 10: Underhood Accessory Wiring Junction Block
A/T Input Shaft Speed Sensor, and PC Solenoid
VSS, and Cruise
OBDII Symbol Description Notice
Handling Electrostatic Discharge Sensitive Parts Notice
Handling Electrostatic Discharge Sensitive Parts Notice
Cell 14: RH/IP Ground G200 (3 of 4)
Cell 81: Instrument Cluster, Continued
Figure 4:

A/T Input Shaft Speed Sensor, and PC Solenoid


Object Number: 588269  Size: FS
Handling Electrostatic Discharge Sensitive Parts Notice
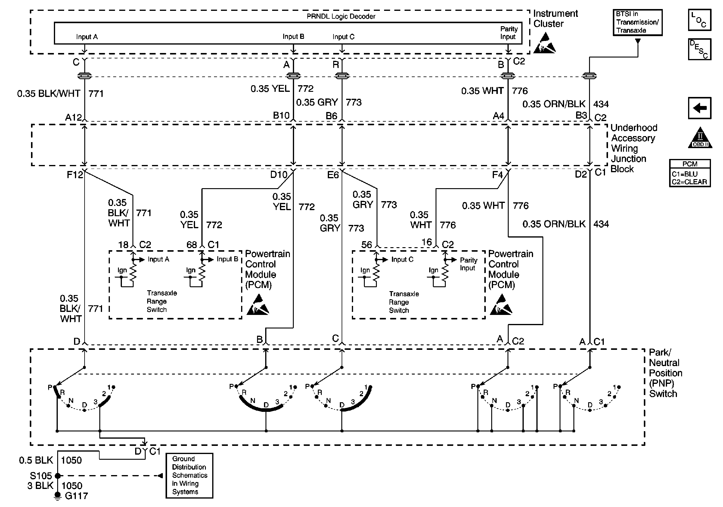
Transmission Range Switch
TCC, and Internal Solenoids
OBDII Symbol Description Notice
Handling Electrostatic Discharge Sensitive Parts Notice
Figure 5:

PNP Switch


Object Number: 588271  Size: FS
Handling Electrostatic Discharge Sensitive Parts Notice
Cell 138: 2 of 2
A/T Input Shaft Speed Sensor, and PC Solenoid
OBDII Symbol Description Notice
Cell 14: Engine Ground G117
Handling Electrostatic Discharge Sensitive Parts Notice
Handling Electrostatic Discharge Sensitive Parts Notice