GM Service Manual Online
For 1990-2009 cars only
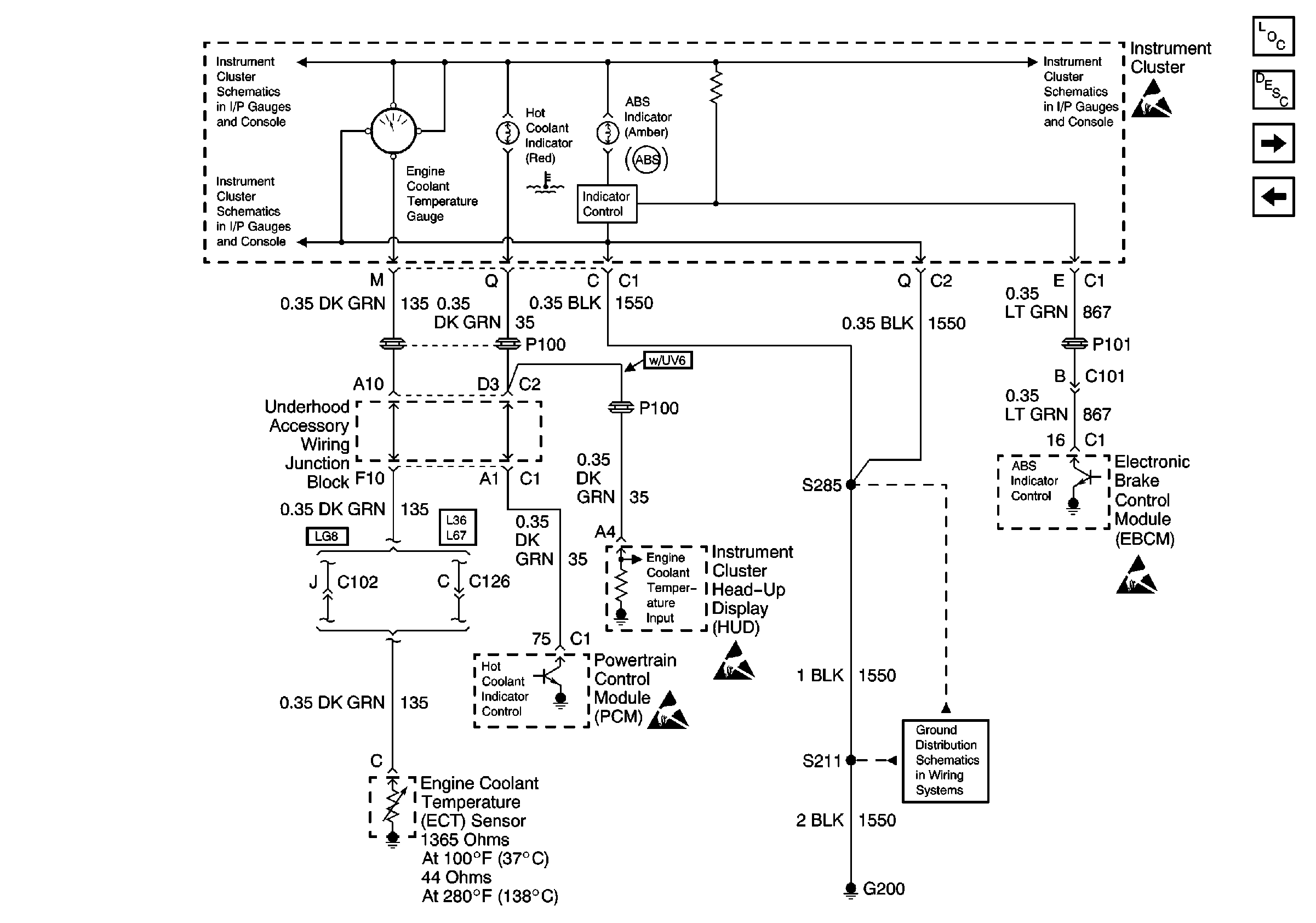
Figure 1:

Power/Ground Distribution, Instrument Cluster and DID


Object Number: 593654  Size: FS
Figure 2:

Serial Data, Turn Signal Switch and Headlamp Switch


Object Number: 593660  Size: FS
Figure 3:

PCM, Engine Coolant Level Indicator Module, Windshield Washer Solvent Level Switch


Object Number: 593661  Size: FS
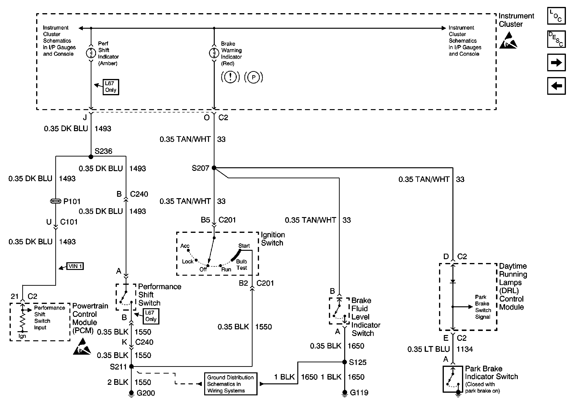
Figure 4:

Brake Fluid Level Switch


Object Number: 593662  Size: FS
Figure 5:

Serial Data


Object Number: 593663  Size: FS