GM Service Manual Online
For 1990-2009 cars only
Makes
🢒
Pontiac
🢒
2000
🢒
Grand Prix
🢒
Body and Accessories
🢒
Doors
🢒 Door Lock/Indicator Schematics
Figure
1:
Power and Inputs
Underhood Accessory Wiring Junction Block
OBD II Symbol Description Notice
BCM, Headlamp Switch and Door Ajar Switches
Rear Release
DRL, Canister, PWR DROP, TURN, SIR, IP-IGN, CRUISE, and ECM Fuse
G301
DRL, Canister, PWR DROP, TURN, SIR, IP-IGN, CRUISE, and ECM Fuse
Ignition Switch, RAP Relay, Underhood Accessory Wiring Junction Block and Fuse Block
BTSI, RADIO, SUNROOF, STR WHL CTRL, STR WHL ILLUM, WIPER, MALL and MALL PGM Fuse
BCM, Headlamp Switch and Door Ajar Switches
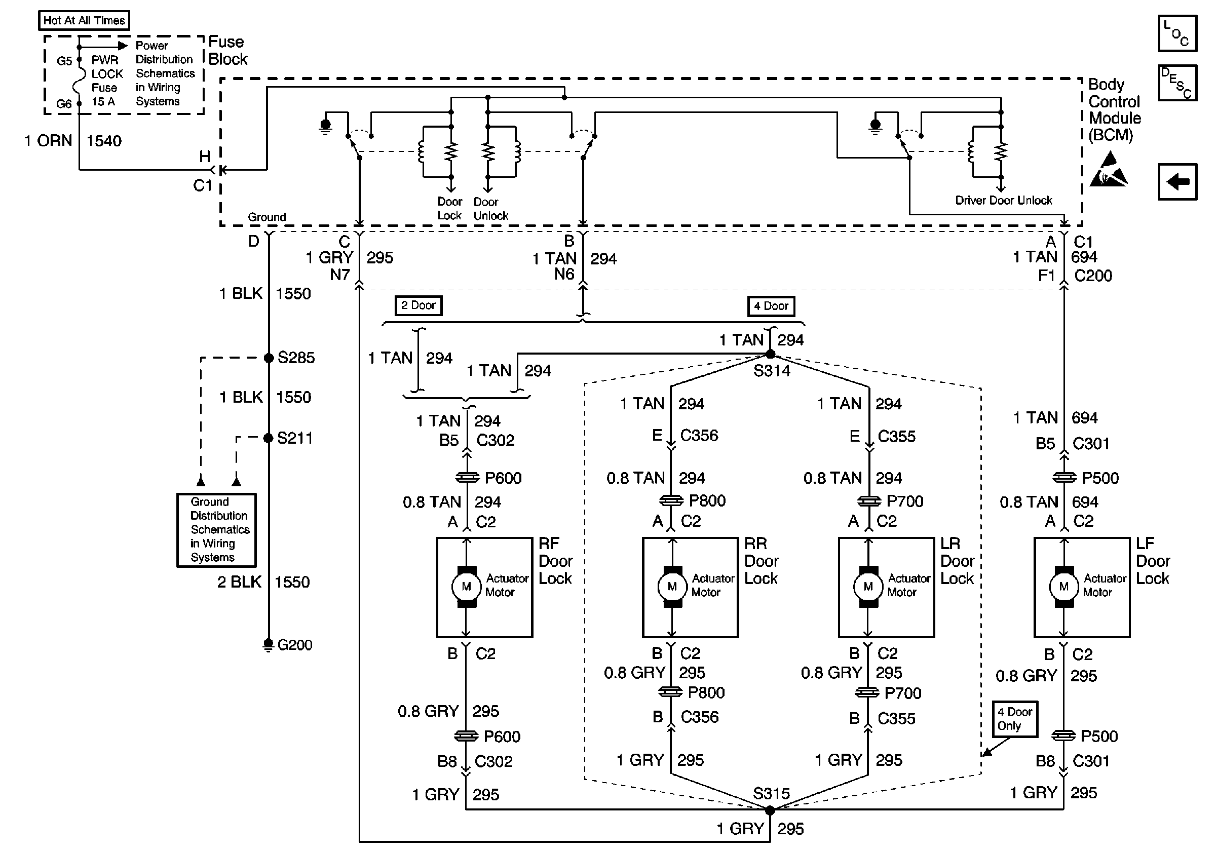
Power Door Systems Components
Power Door Locks Circuit Description
Outputs and Ground
OBD II Symbol Description Notice
Handling ESD Sensitive Parts Notice
Power, Turn Signal Switch, BCM, and Ground
Figure
2:
Outputs and Ground
Battery, Starter, Generator, EBCM, Underhood Accessory Wiring JuncTion Block and Fuse Block
G200 (3 of 4)
Handling ESD Sensitive Parts Notice
Power Door Systems Components
Power Door Locks Circuit Description
Power and Inputs