GM Service Manual Online
For 1990-2009 cars only
Figure 1:

Inside Left Door


Object Number: 374815  Size: LF
(1)Door Lock Ajar Indicator Switch, C2
(2)Door Lock Actuator Motor, C1
Figure 2:

Left Front Door (4-Door)


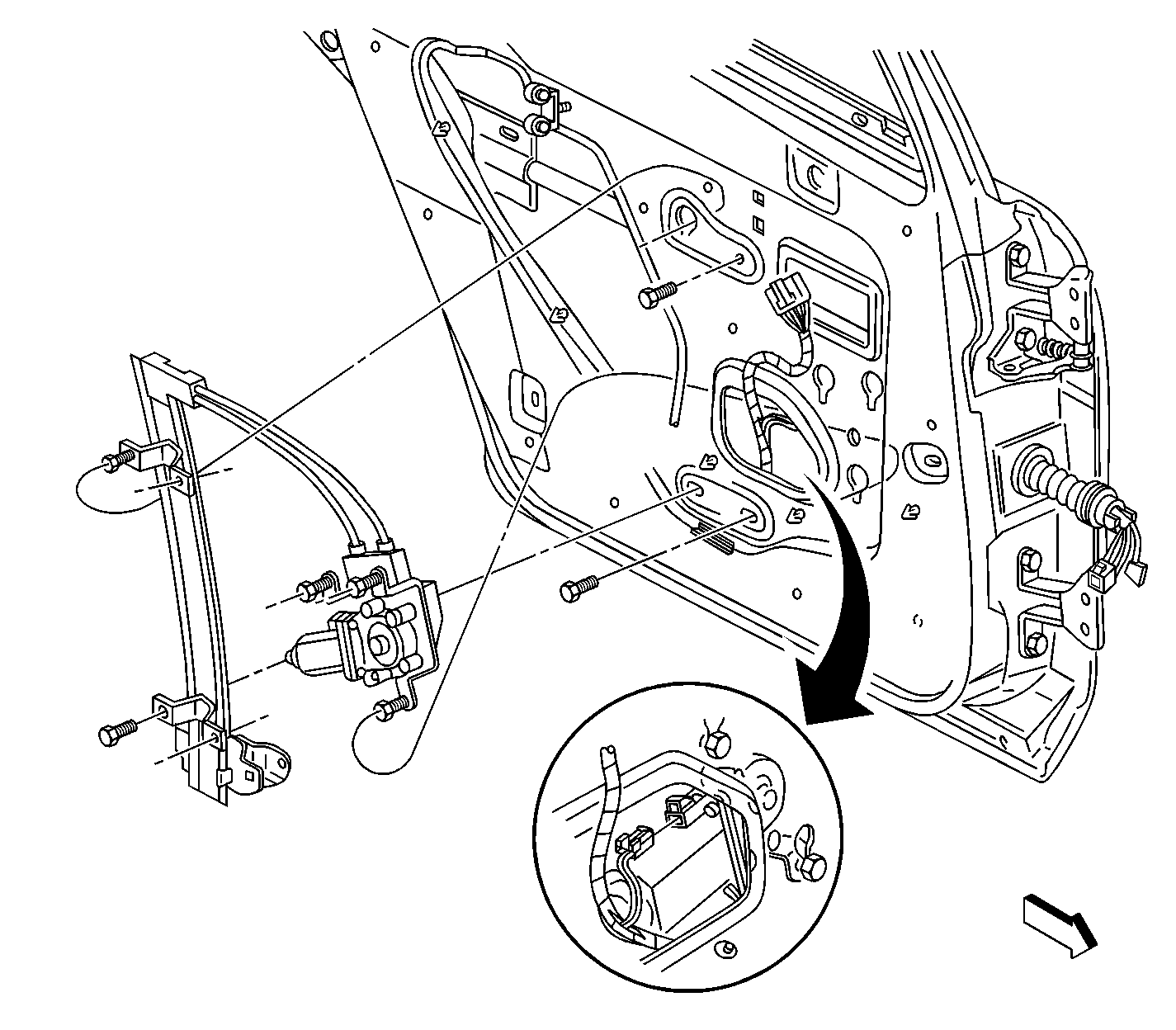
Object Number: 374817  Size: LF
(1)Power Door Lock Switch
(2)Outside Remote Control Rearview Mirror Switch
(3)Power Window Switch
Figure 3:

Left Front Door (2-Door)


Object Number: 377001  Size: LF
(1)Power Door Lock Switch
(2)Outside Remote Control Rearview Mirror
(3)Power Window Switch
Figure 4:

Right Front Door (4-Door)


Object Number: 377003  Size: LF
(1)Power Window Switch
(2)Power Door Lock Switch
Figure 5:

Rear Door


Object Number: 374804  Size: LF
(1)Rear Window Switch
Figure 6:

Rear Door


Object Number: 374803  Size: LF
(1)Rear Window Switch
Figure 7:

LF Door


Object Number: 588978  Size: LF
(1)Key Cylinder Lock Switch
Figure 8:

LF Door


Object Number: 588975  Size: LF
(1)Outside Rearview Mirror
(2)Outside Rearview Mirror Harness Connector
Figure 9:

Left Front Door (2-Door)


Object Number: 374814  Size: LF
(1)Left Front Power Window Regulator
Figure 10:

Left Front Door (4-Door)


Object Number: 374816  Size: LF
(1)Left Front Power Window Regulator
Figure 11:

LR Door -- Window Regulator Motor


Object Number: 588870  Size: LF
Figure 12:

Right Rear Door (Left Similar)


Object Number: 327511  Size: LF
(1)Door Lock (Ajar Indicator Switch) Connector C1
(2)Door Lock (Actuator Motor) Connector C2
(3)Window Regulator Motor Connector
(4)Rear Window Switch Connector