GM Service Manual Online
For 1990-2009 cars only
Makes
🢒
Pontiac
🢒
2000
🢒
Grand Prix
🢒 Cell 34
Cell 34
Cell 34
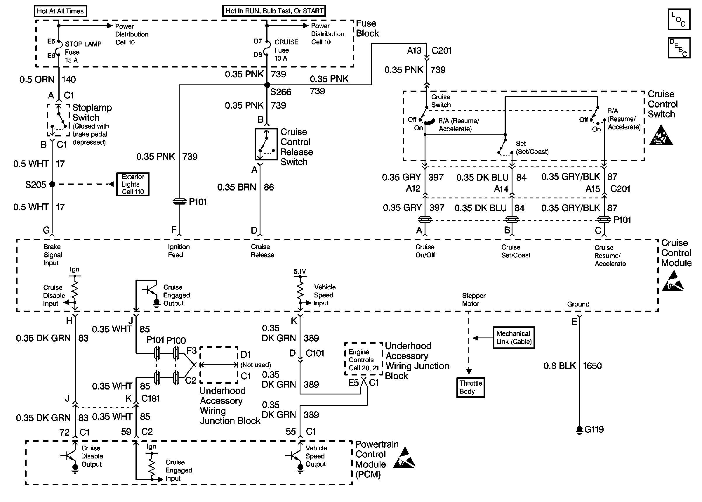
Cruise Control Components
Cruise Control System Circuit Description
Cell 11: DRL, CANISTER VENT, PWR DROP, TURN, SIR, IP-IGN, CRUISE and ECM Fuses
Cell 11: CD CHNG, AUX CNSL, STOP LAMP, INT LAMP, CIG LTR Fuses
Cell 110: Power, Stop Lamp/Turn Signal Switch, Hazard Lamp/Turn Signal Lamp Flasher
Handling ESD Sensitive Parts Notice
Handling ESD Sensitive Parts Notice
SIR Handling Caution
Cell 20: Engine Data Sensors-VSS, Cruise