GM Service Manual Online
For 1990-2009 cars only
Makes
🢒
Pontiac
🢒
2000
🢒
Grand Prix
🢒 Cell 150: 4 of 5
Cell 150: 4 of 5
Cell 150: 4 of 5
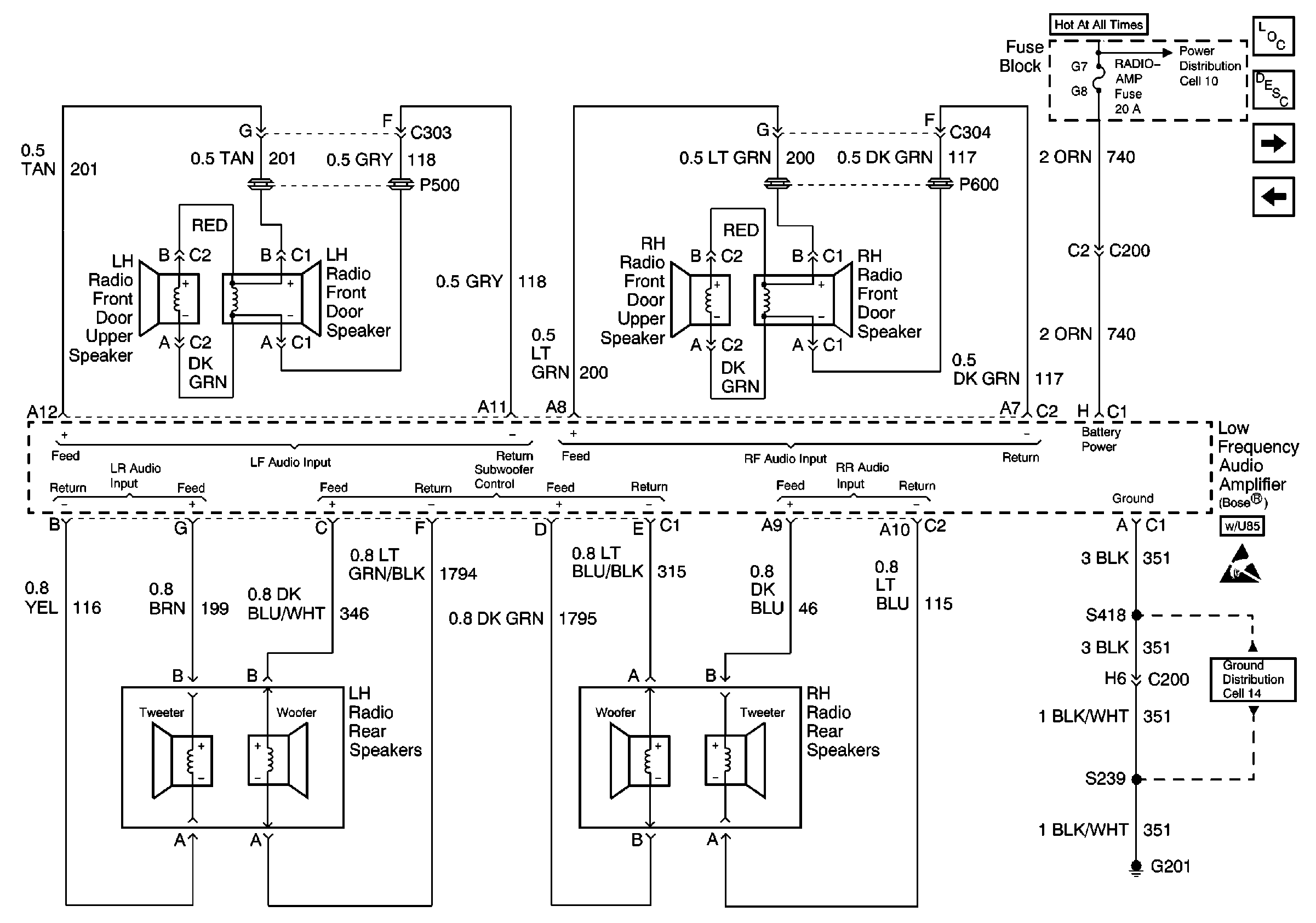
Entertainment Components
Radio/Audio System Circuit Description
Cell 150: 3 of 5
Cell 150: 2 of 5
Handling ESD Sensitive Parts Notice
Cell 14: LH I/P Ground G201
Cell 11: HVAC HI, PWR MIR, HAZARD, RAP, REAR DEFOG, H SEAT/LUM, PWRLOCK, RADIO Fuses