GM Service Manual Online
For 1990-2009 cars only
Makes
🢒
Pontiac
🢒
2000
🢒
Grand Prix
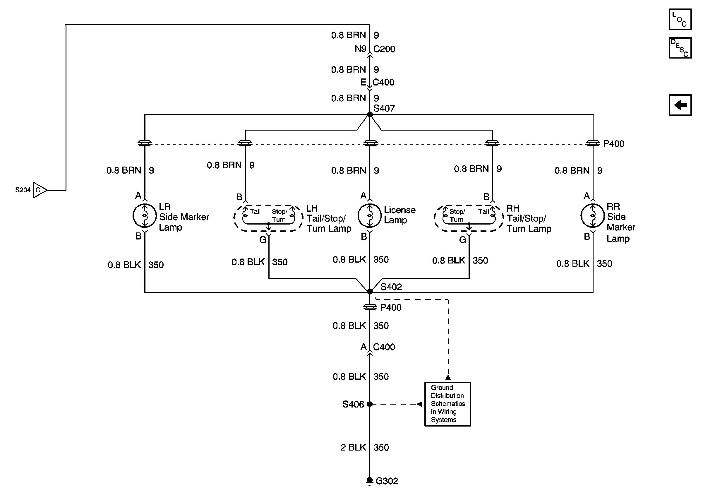
🢒 Side Marker, Tail/Stop/Turn and License Lamps
Side Marker, Tail/Stop/Turn and License Lamps
Side Marker, Tail/Stop/Turn and License Lamps
Instrument Cluster, Side Marker Lamps, Park Turn Lamps, Headlamp Switch and BCM
Lighting Systems Components
Exterior Lights Circuit Description
Instrument Cluster, Side Marker Lamps, Park Turn Lamps, Headlamp Switch and BCM
G302 (1 of 2)