GM Service Manual Online
For 1990-2009 cars only
Makes
🢒
Pontiac
🢒
2000
🢒
Grand Prix
🢒 Courtesy/Reading Lamps and Illuminated Mirrors
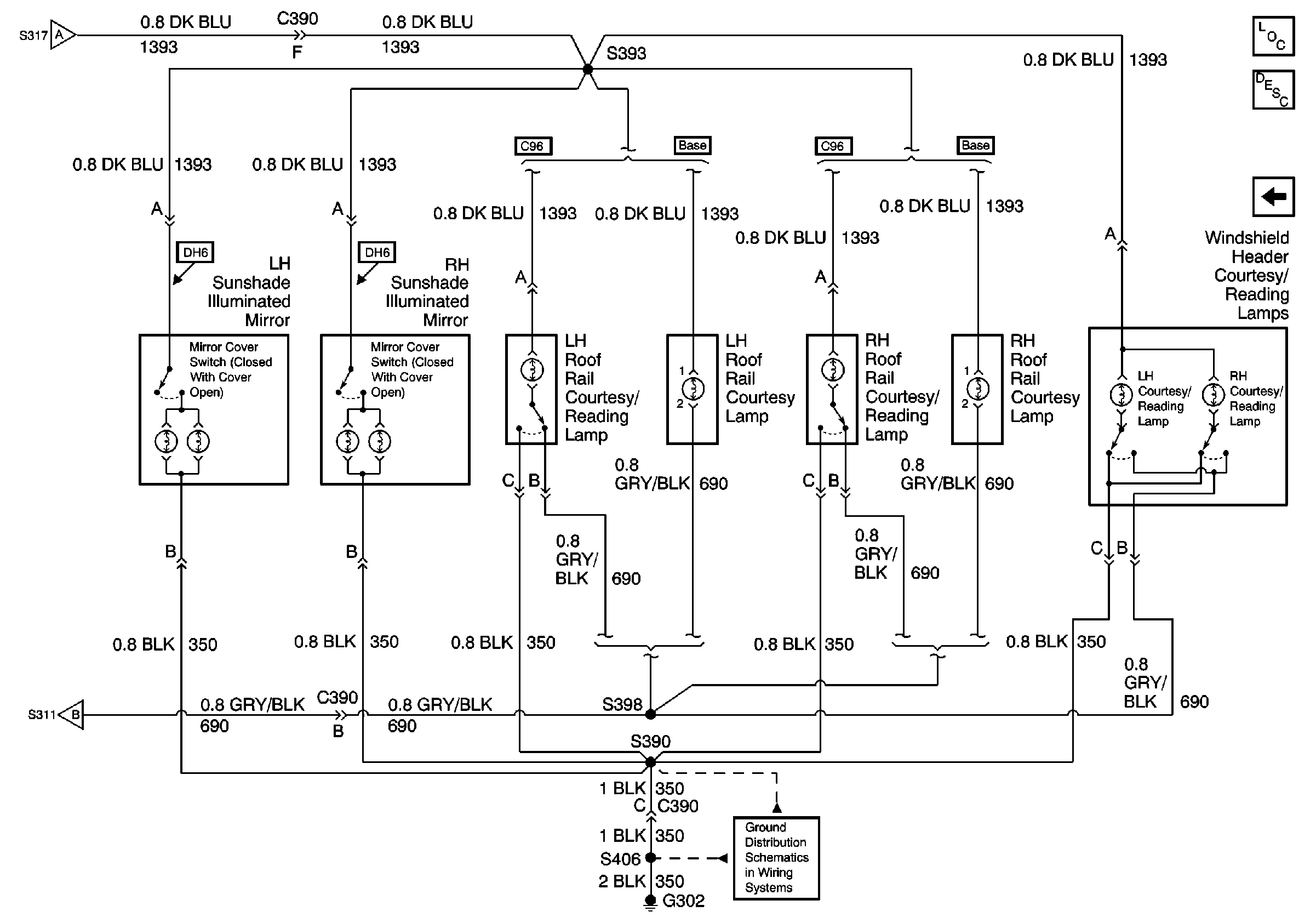
Courtesy/Reading Lamps and Illuminated Mirrors
Courtesy/Reading Lamps and Illuminated Mirrors
IP Compartment Lamp, IP Courtesy Lamps, Rear Compartment Lamp and Door Courtesy Warning Lamps
IP Compartment Lamp, IP Courtesy Lamps, Rear Compartment Lamp and Door Courtesy Warning Lamps
Lighting Systems Components
Interior Lights Circuit Description
IP Compartment Lamp, IP Courtesy Lamps, Rear Compartment Lamp and Door Courtesy Warning Lamps
G302 (1 of 2)