GM Service Manual Online
For 1990-2009 cars only
Makes
🢒
Pontiac
🢒
2000
🢒
Grand Prix
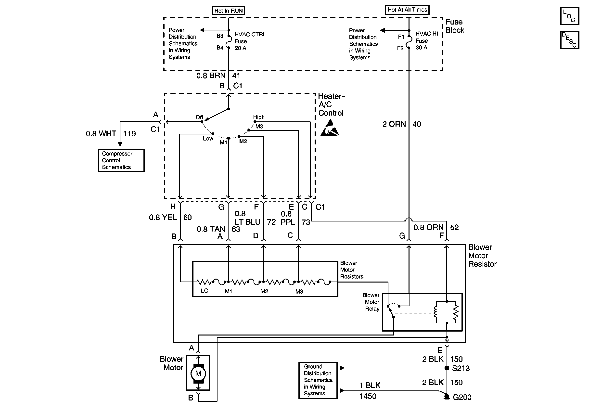
🢒 Blower Controls C60
Blower Controls C60
HVAC Components
HVAC Blower Controls Circuit Description
Compressor Controls C60
DIC/HVAC and HVAC CTRL Fuse
HVAC HI, PWR MIR, HAZARD, RAP, PASSKEY, R DEFOG, H SEAT/LUM, PWR LOCK and RADIO AMP Fuse
Compressor Controls C60
G200 (1 of 4)