GM Service Manual Online
For 1990-2009 cars only
Figure 1:

Right Front of Engine Compartment


Object Number: 573890  Size: LF
(1)Battery Positive Terminal
(2)Battery Negative Terminal
(3)Battery Positive Cable Connection to Fuse Block-Underhood
(4)Fuse Block-Underhood
(5)G100
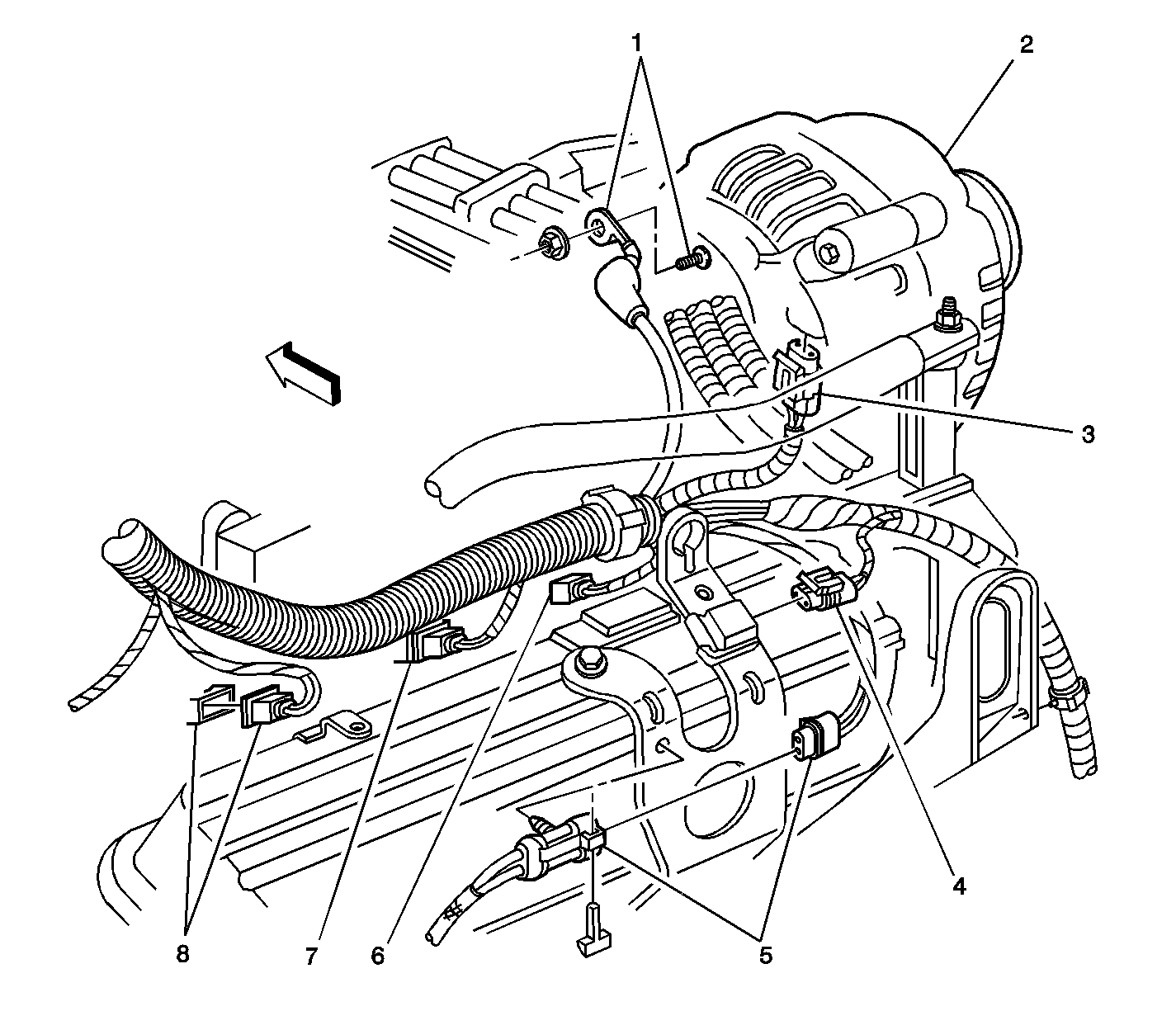
Figure 2:

Top Rear of Engine (RPO L36)


Object Number: 753215  Size: LF
(1)Positive Terminal of the Generator
(2)Generator
(3)Generator Connector
(4)Secondary Air Injection (AIR) Solenoid -- Connector
(5)Heated Oxygen Sensor (HO2S) Sensor 1, Connector
(6)Fuel Injector 2 -- Connector
(7)Fuel Injector 4
(8)Fuel Injector 6
Figure 3:

Top Rear of Engine (w/RPO LG8)


Object Number: 374676  Size: LF
(1)Generator Connector
(2)Ignition Control Module (ICM), C2
(3)Heated Oxygen Sensor (HO2S) Sensor 1
(4)Ignition Control Module (ICM), C3
(5)Ignition Control Module (ICM), C1
Figure 4:

Lower Left Front of Engine -- RPO L36, L67


Object Number: 752798  Size: LF
(1)Battery Positive Cable
(2)Fusible Link
(3)G113
(4)Negative Battery Cable
(5)Starter
(6)Solenoid Start Terminal S
(7)Engine Oil Level Switch
(8)Knock Sensor (KS) Bank 1