GM Service Manual Online
For 1990-2009 cars only
Figure 1:

Blower Motor Controls


Object Number: 661066  Size: FS
DIC/HVAC, HVAC CTRL Fuses
HEADLAMPS, HVAC HI, PWR MIR, HAZARD, RAP, PASS-Key® Fuses and HEADLAMP Circuit Breaker
G200, S213, S375
Master Electrical Component List
A/C Compressor Controls
Figure 2:

A/C Compressor Controls


Object Number: 661063  Size: FS
DIC/HVAC, HVAC CTRL Fuses
DIC/HVAC, HVAC CTRL Fuses
G117
PARK LP, RADIO, and STR WHL ILLUM Fuses
BATT-MAIN 1-2, IGN-MAIN 1-2, HEADLAMPS, PARK LP, RADIO, AIR, ECM SENSE, ALT SENSE, B/U LAMP, COOL FAN 1-2, FUEL PUMP, FOG LP, HORN, INJ, IGN 1-UH, ELEK IGN, TCC,
BATT-MAIN 1-2, IGN-MAIN 1-2, HEADLAMPS, PARK LP, RADIO, AIR, ECM SENSE, ALT SENSE, B/U LAMP, COOL FAN 1-2, FUEL PUMP, FOG LP, HORN, INJ, IGN 1-UH, ELEK IGN, TCC,
G200, S213, S375
G117
Master Electrical Component List
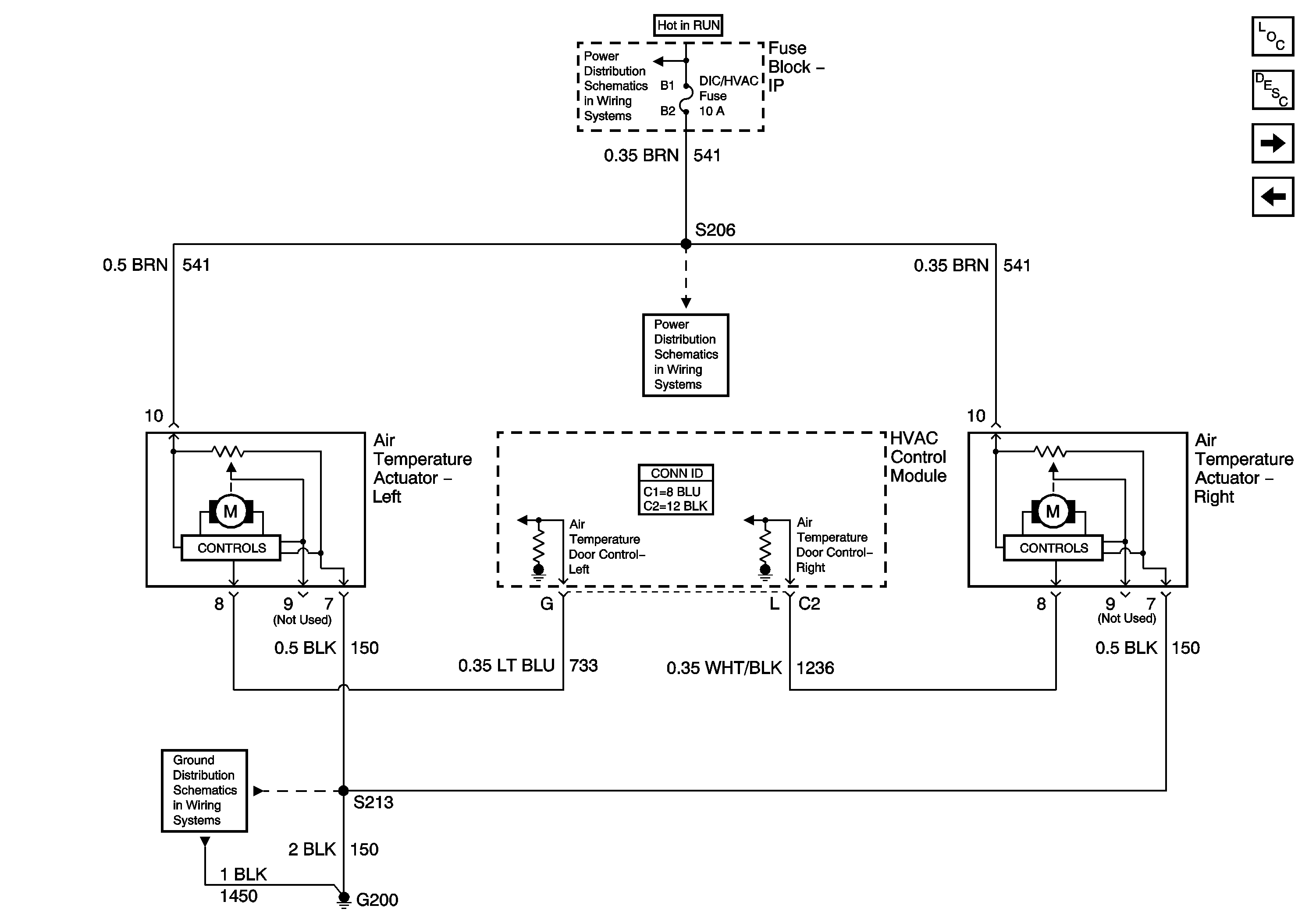
Air Temperature Control
Blower Motor Controls
Figure 3:

Air Temperature Control


Object Number: 661075  Size: FS
DIC/HVAC, HVAC CTRL Fuses
DIC/HVAC, HVAC CTRL Fuses
G200, S213, S375
Master Electrical Component List
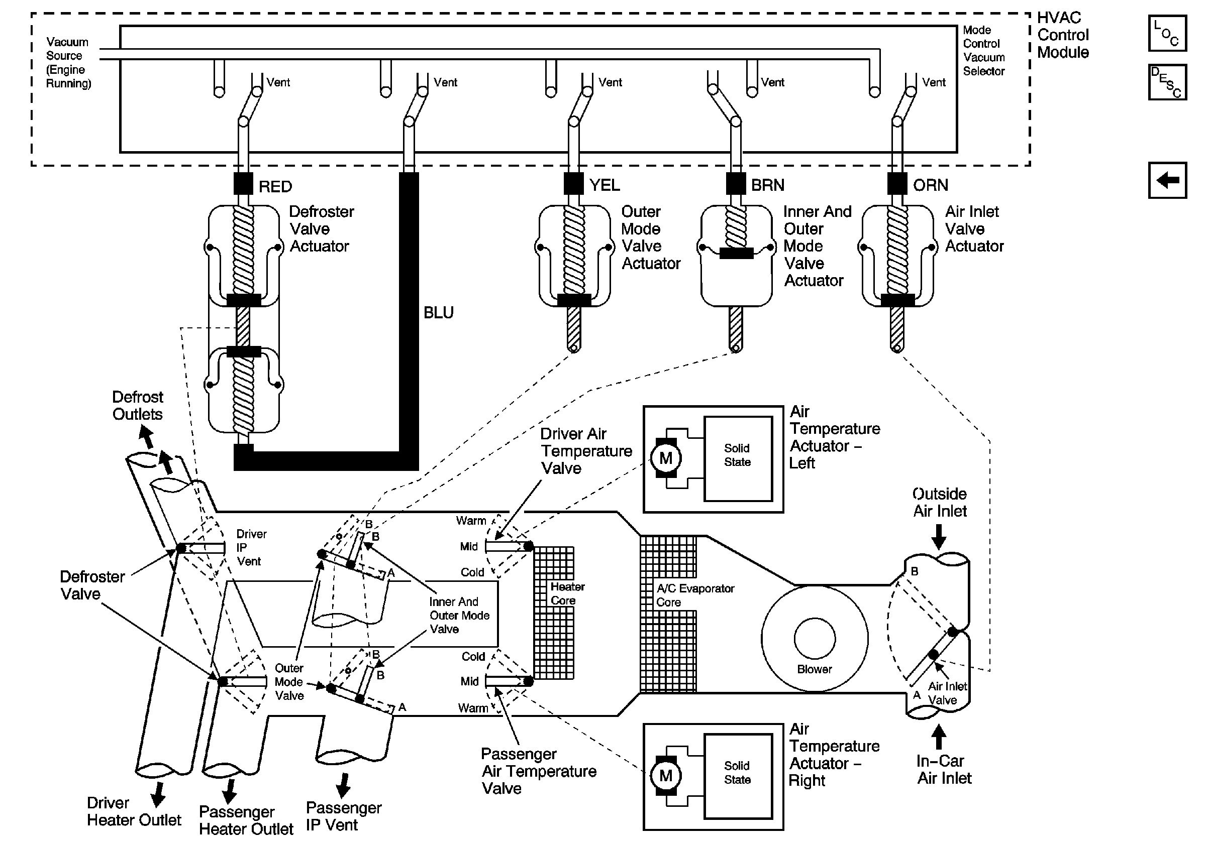
Vacuum Controls
A/C Compressor Controls
Figure 4:

Vacuum Controls


Object Number: 761365  Size: FS
Master Electrical Component List
Air Temperature Control