GM Service Manual Online
For 1990-2009 cars only
Makes
🢒
Pontiac
🢒
2001
🢒
Grand Prix
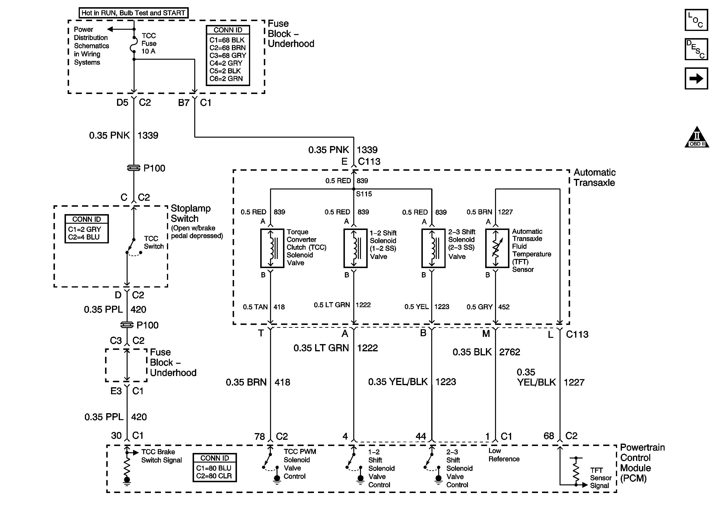
🢒 A/T Controls 1 of 3
A/T Controls 1 of 3
TCC, Shift Solenoids, and TFT Sensor
BATT-MAIN 2, R DEFOG, H SEAT/LUM, PWR LOCK, RADIO AMP Fuses, and SEAT Circuit Breaker
Master Electrical Component List
A/T Controls 2 of 3
OBD II Symbol Description Notice