GM Service Manual Online
For 1990-2009 cars only
Makes
🢒
Pontiac
🢒
2001
🢒
Grand Prix
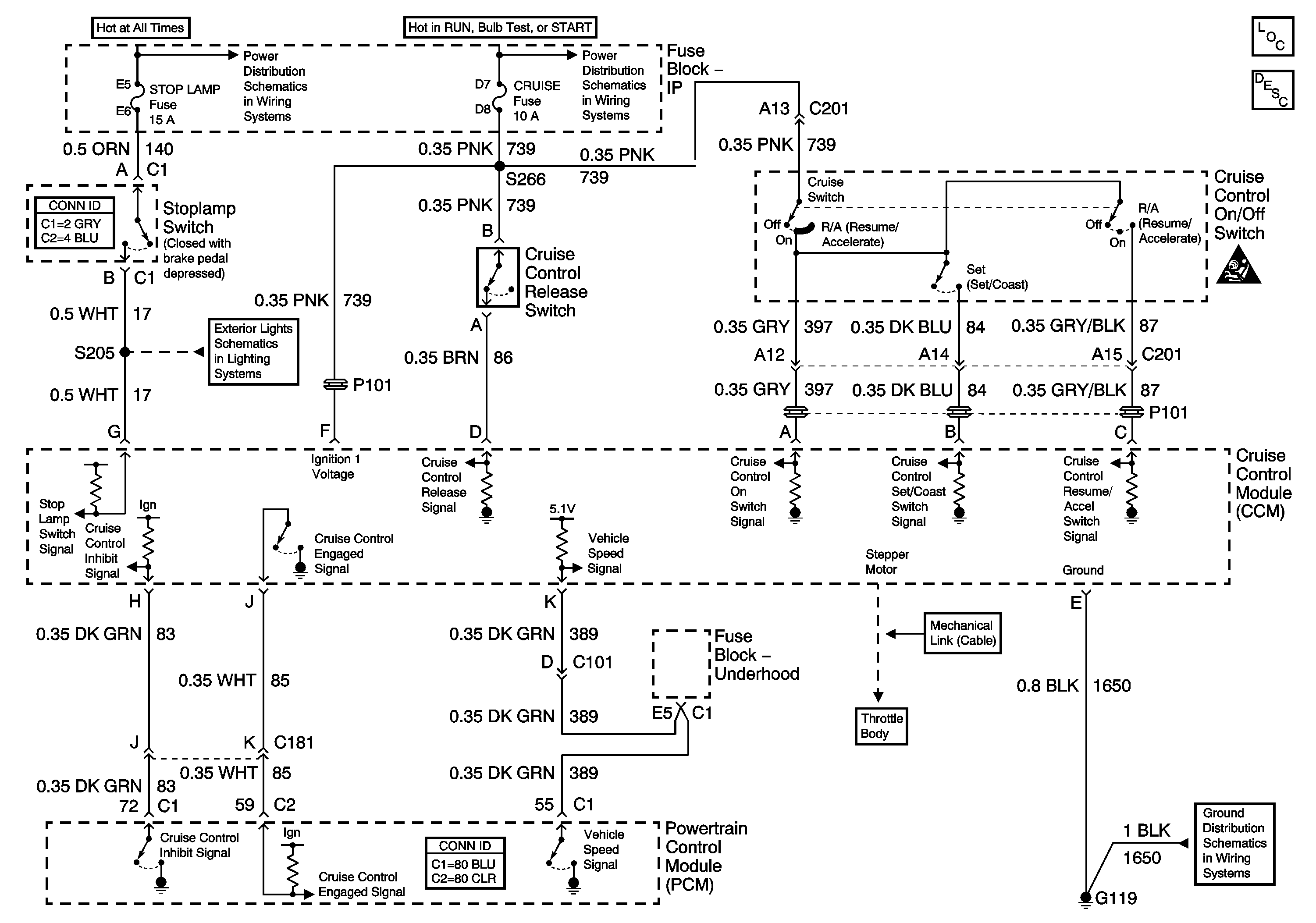
🢒 Cruise Control
Cruise Control
BATT-MAIN 1, ONSTAR, STOP LAMP, INT LAMP, CIG LTR Fuses
Rear Turn Signals and Stop Lamps
IP-IGN, CRUISE, ECM Fuses
G119
SIR Caution
Master Electrical Component List