GM Service Manual Online
For 1990-2009 cars only
Makes
🢒
Pontiac
🢒
2001
🢒
Grand Prix
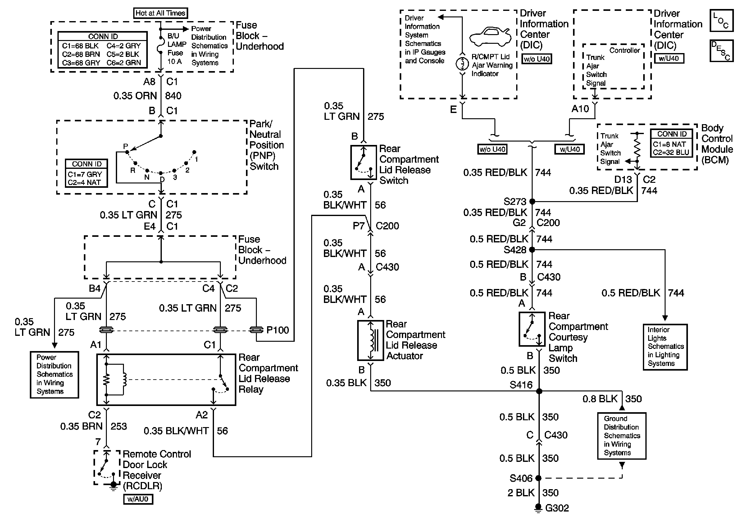
🢒 Body Rear End
Body Rear End
Master Electrical Component List
Driver Information Center (DIC) (W/O U40)
AIR, ECM SENSE, ALT SENSE, B/U LAMP Fuses
AIR, ECM SENSE, ALT SENSE, B/U LAMP Fuses
Instrument Panel and Rear Compartment Lamps
G302, S402, S406, S416