GM Service Manual Online
For 1990-2009 cars only
Makes
🢒
Pontiac
🢒
2001
🢒
Grand Prix
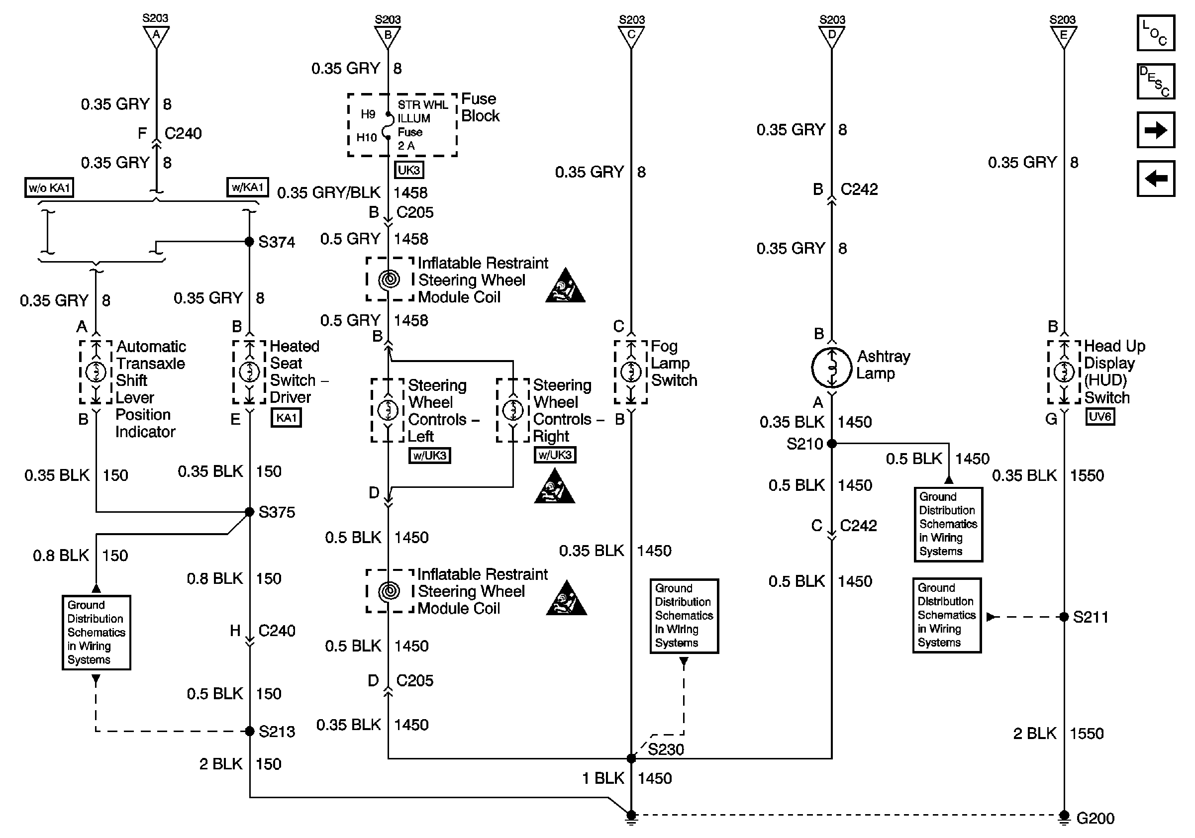
🢒 Instrument Panel Lighting Continued
Instrument Panel Lighting Continued
Instrument Panel Lighting Continued
Master Electrical Component List
Door Switch Lighting
Headlamp Switch and Instrument Panel Lighting
Lighting Systems Schematic Icons
G200, S230
G200, S211, S285
G200, S230
Lighting Systems Schematic Icons
G200, S213, S375
Headlamp Switch and Instrument Panel Lighting
Headlamp Switch and Instrument Panel Lighting
Headlamp Switch and Instrument Panel Lighting
Headlamp Switch and Instrument Panel Lighting
Headlamp Switch and Instrument Panel Lighting
Lighting Systems Schematic Icons