GM Service Manual Online
For 1990-2009 cars only
Figure 1:

PCM Power, Ground, MIL, and Serial Data


Object Number: 775338  Size: FS
Master Electrical Component List
Powertrain Control Module Description
5 Volt and Low Reference Bussing
OBD II Symbol Description Notice
AIR, ECM SENSE, ALT SENSE, B/U LAMP Fuses
IP-IGN, CRUISE, ECM Fuses
IP-IGN, CRUISE, ECM Fuses
IP-IGN, CRUISE, ECM Fuses
Indicators
IP-IGN, CRUISE, ECM Fuses
Data Link Communications
G100, G111, G113
Figure 2:

5 Volt and Low Reference Bussing


Object Number: 786470  Size: FS
Master Electrical Component List
Powertrain Control Module Description
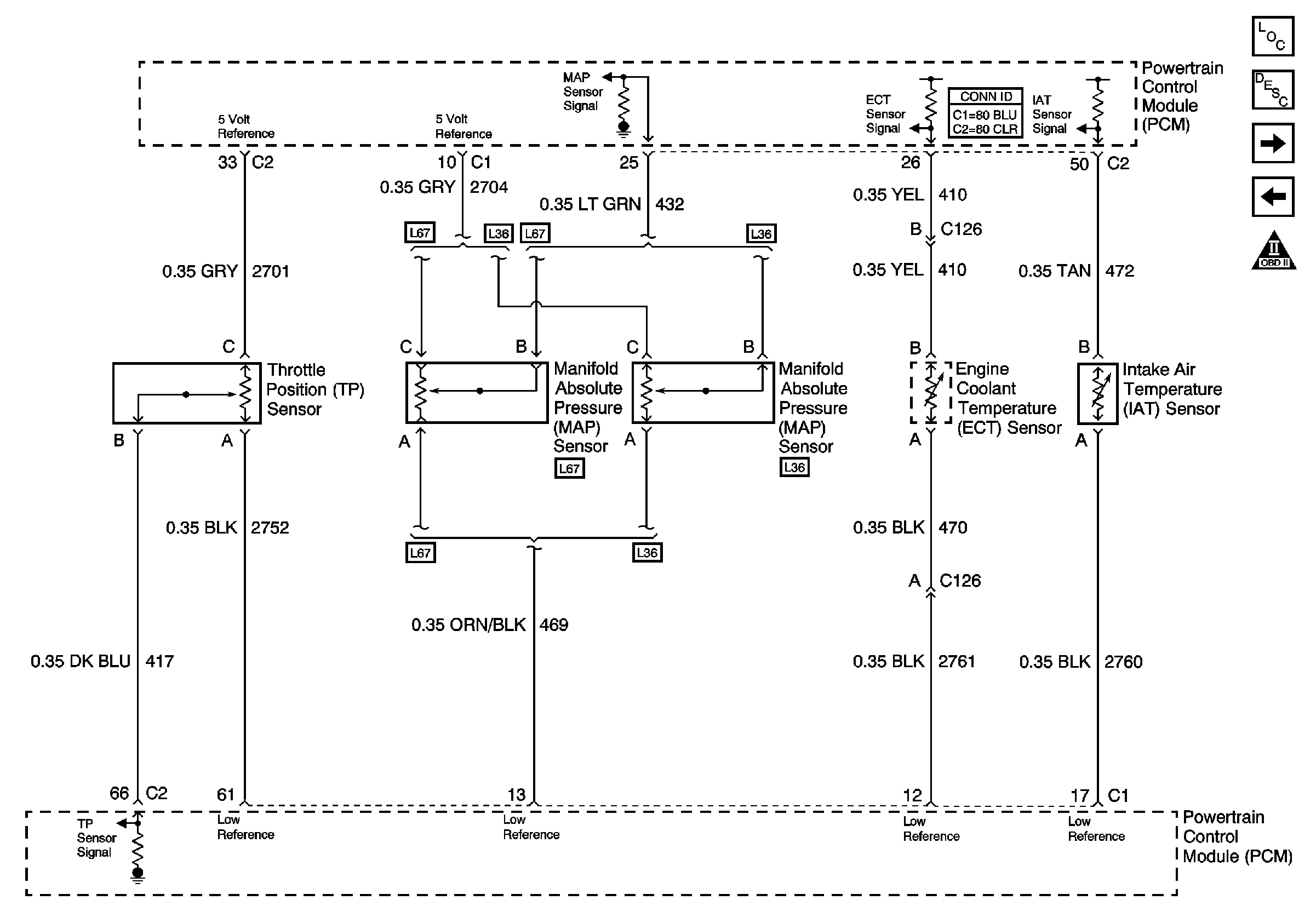
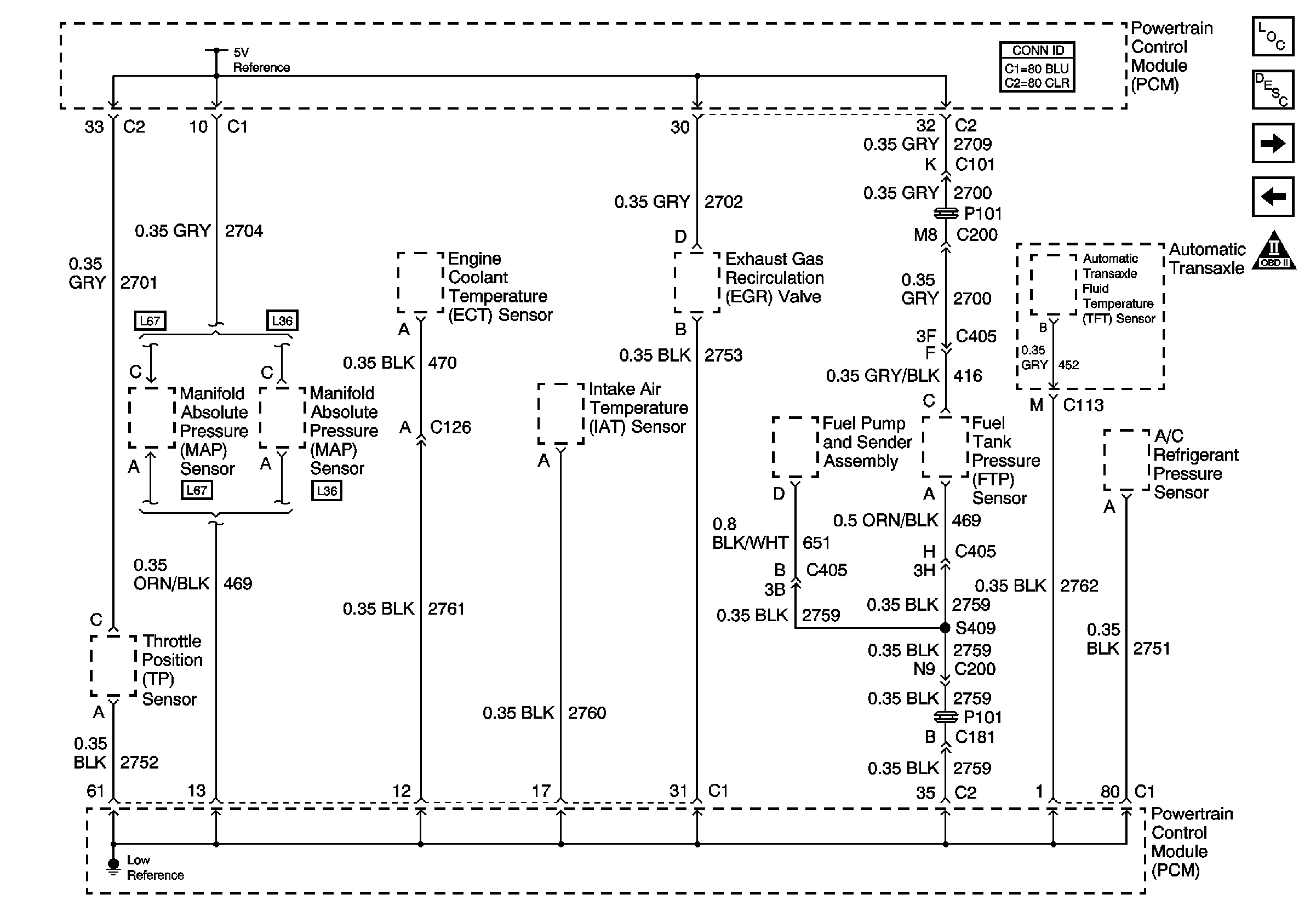
MAP, ECT, IAT, and TP Sensors
PCM Power, Ground, MIL, and Serial Data
OBD II Symbol Description Notice
Figure 3:

MAP, ECT, IAT, and TP Sensors


Object Number: 775341  Size: FS
Master Electrical Component List
Powertrain Control Module Description
MAF, and VSS Sensors
5 Volt and Low Reference Bussing
OBD II Symbol Description Notice
Figure 4:

MAF Sensor and A/T Controls VSS Reference


Object Number: 775344  Size: FS
Master Electrical Component List
Powertrain Control Module Description
Heated Oxygen Sensors
MAP, ECT, IAT, and TP Sensors
OBD II Symbol Description Notice
BATT-MAIN 1-2, IGN-MAIN 1-2, HEADLAMPS, PARK LP, RADIO, AIR, ECM SENSE, ALT SENSE, B/U LAMP, COOL FAN 1-2, FUEL PUMP, FOG LP, HORN, INJ, IGN 1-UH, ELEK IGN, TCC,
IGN 1-UH Fuse
IGN 1-UH Fuse
VSS and ISS Sensors, Pressure Control Solenoid Valve, TCC Release Switch, and Fluid Pressure Switches
Gauges
OBD II Symbol Description Notice
G100, G111, G113
G100, G111, G113
Figure 5:

Heated Oxygen Sensors


Object Number: 792176  Size: FS
Master Electrical Component List
Powertrain Control Module Description
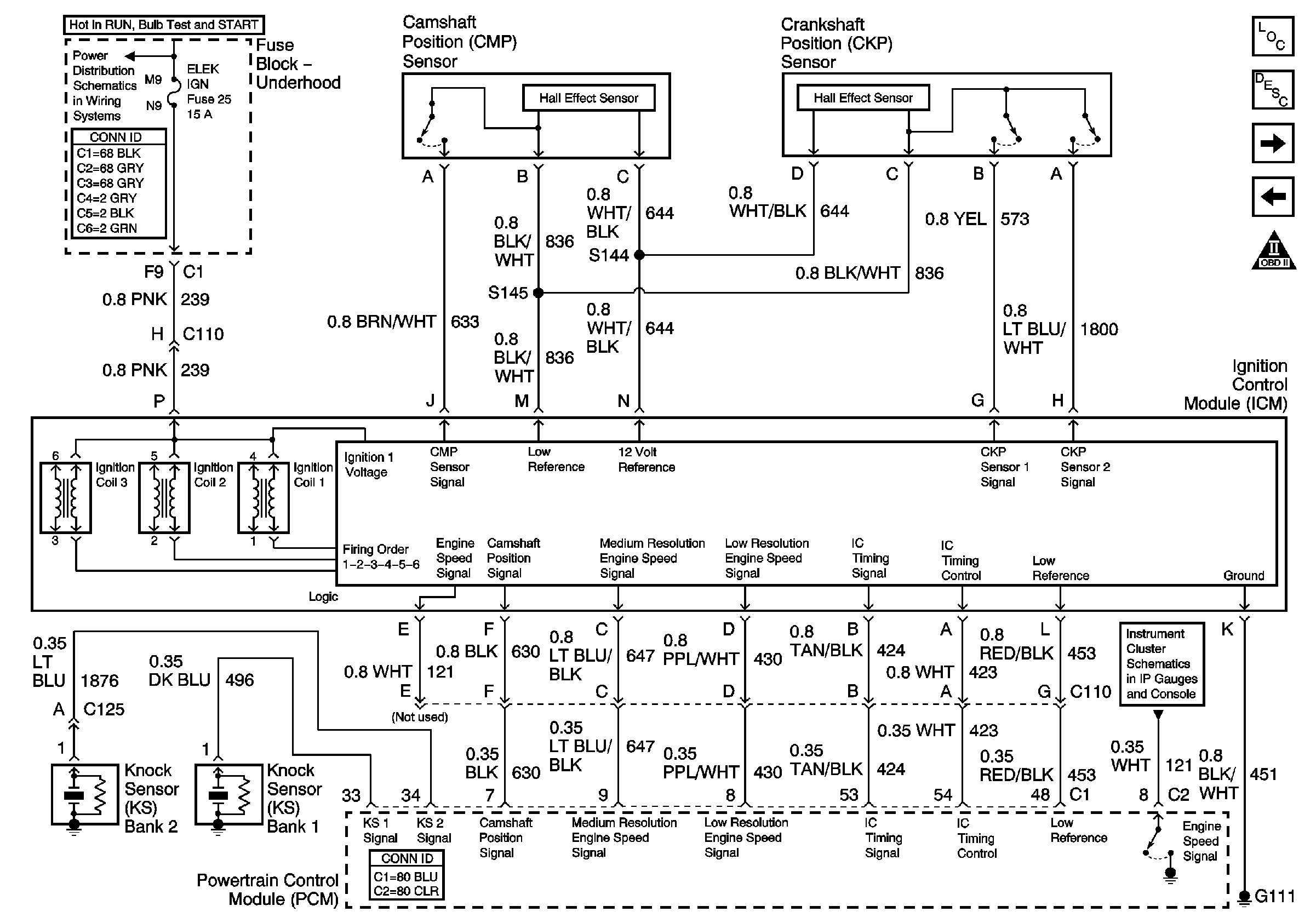
Ignition Control Module
MAF, and VSS Sensors
OBD II Symbol Description Notice
BATT-MAIN 1-2, IGN-MAIN 1-2, HEADLAMPS, PARK LP, RADIO, AIR, ECM SENSE, ALT SENSE, B/U LAMP, COOL FAN 1-2, FUEL PUMP, FOG LP, HORN, INJ, IGN 1-UH, ELEK IGN, TCC,
IGN 1-UH Fuse
G117
Figure 6:

Ignition Control Module


Object Number: 775348  Size: FS
Master Electrical Component List
Electronic Ignition (EI) System Description
Fuel Pump Controls
Heated Oxygen Sensors
OBD II Symbol Description Notice
TCC, ELEK IGN, and A/C CLU/ABS IGN Fuses
Gauges
Figure 7:

Fuel Pump Controls


Object Number: 775350  Size: FS
Master Electrical Component List
Fuel System Description
Fuel Injectors
Ignition Control Module
OBD II Symbol Description Notice
BATT-MAIN 1-2, IGN-MAIN 1-2, HEADLAMPS, PARK LP, RADIO, AIR, ECM SENSE, ALT SENSE, B/U LAMP, COOL FAN 1-2, FUEL PUMP, FOG LP, HORN, INJ, IGN 1-UH, ELEK IGN, TCC,
G100, G111, G113
Gauges
G100, G111, G113
G302, S402, S406, S416
Figure 8:

Fuel Injectors


Object Number: 792179  Size: FS
Master Electrical Component List
Fuel System Description
EVAP and FTP Sensor
Fuel Pump Controls
OBD II Symbol Description Notice
BATT-MAIN 1-2, IGN-MAIN 1-2, HEADLAMPS, PARK LP, RADIO, AIR, ECM SENSE, ALT SENSE, B/U LAMP, COOL FAN 1-2, FUEL PUMP, FOG LP, HORN, INJ, IGN 1-UH, ELEK IGN, TCC,
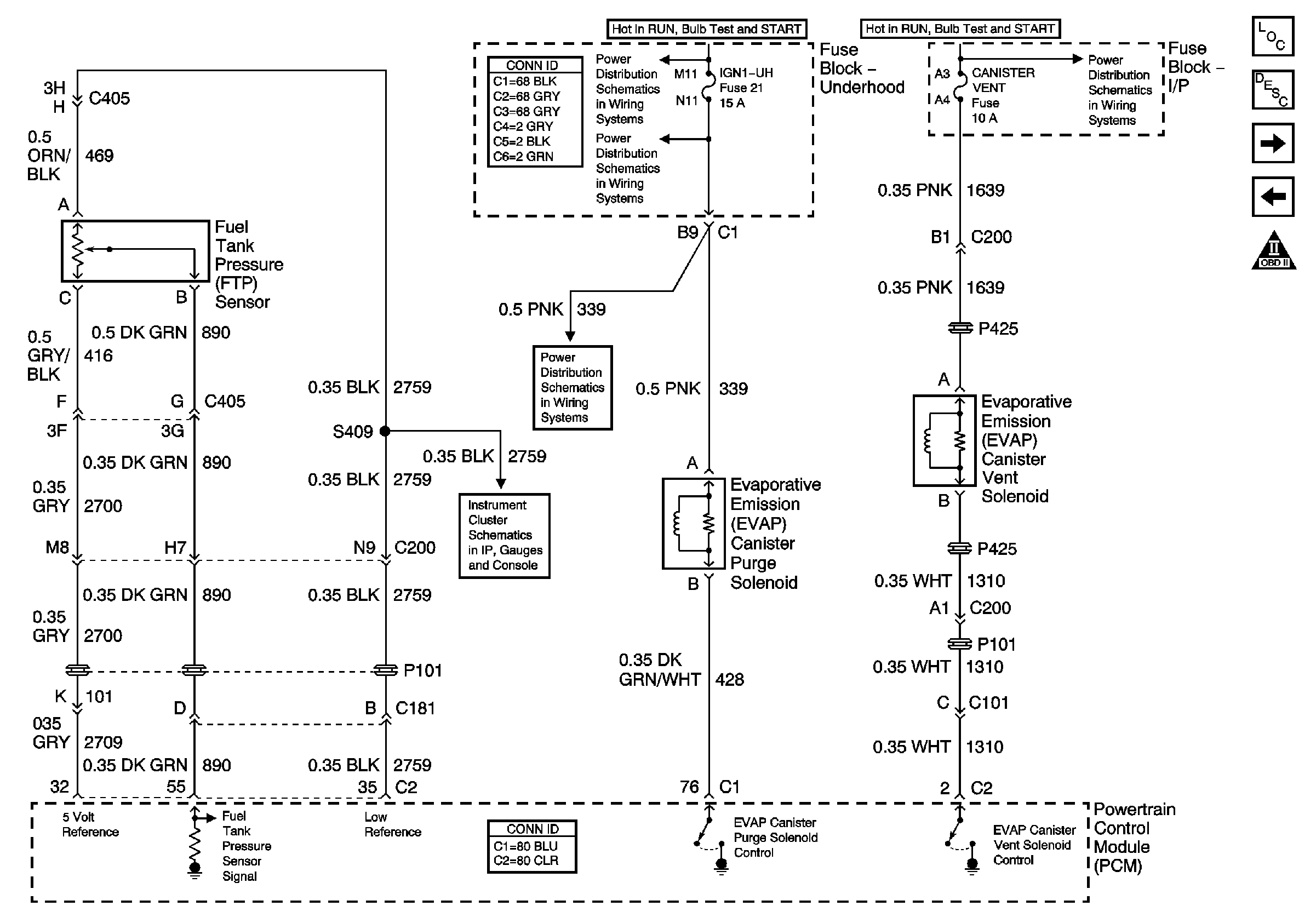
Figure 9:

EVAP and FTP Sensor


Object Number: 775352  Size: FS
Master Electrical Component List
Evaporative Emission Control System Description
Secondary Air Injection, and Supercharger Boost Control Solenoid
Fuel Injectors
OBD II Symbol Description Notice
BATT-MAIN 1-2, IGN-MAIN 1-2, HEADLAMPS, PARK LP, RADIO, AIR, ECM SENSE, ALT SENSE, B/U LAMP, COOL FAN 1-2, FUEL PUMP, FOG LP, HORN, INJ, IGN 1-UH, ELEK IGN, TCC,
IGN 1-UH Fuse
IGN MAIN 1, BTSI, DRL, CANISTER VENT, PWR DROP, TURN, SIR Fuses
IGN 1-UH Fuse
Gauges
Figure 10:

Secondary Air Injection, and Supercharger Boost Control Solenoid


Object Number: 775353  Size: FS
Master Electrical Component List
Secondary Air Injection System Description
IAC and EGR Valves
EVAP and FTP Sensor
OBD II Symbol Description Notice
AIR, ECM SENSE, ALT SENSE, B/U LAMP Fuses
BATT-MAIN 1-2, IGN-MAIN 1-2, HEADLAMPS, PARK LP, RADIO, AIR, ECM SENSE, ALT SENSE, B/U LAMP, COOL FAN 1-2, FUEL PUMP, FOG LP, HORN, INJ, IGN 1-UH, ELEK IGN, TCC,
IGN 1-UH Fuse
G101
Figure 11:

IAC and EGR Valves


Object Number: 775355  Size: FS
Master Electrical Component List
Exhaust Gas Recirculation (EGR) System Description
Subsystem References
Secondary Air Injection, and Supercharger Boost Control Solenoid
OBD II Symbol Description Notice
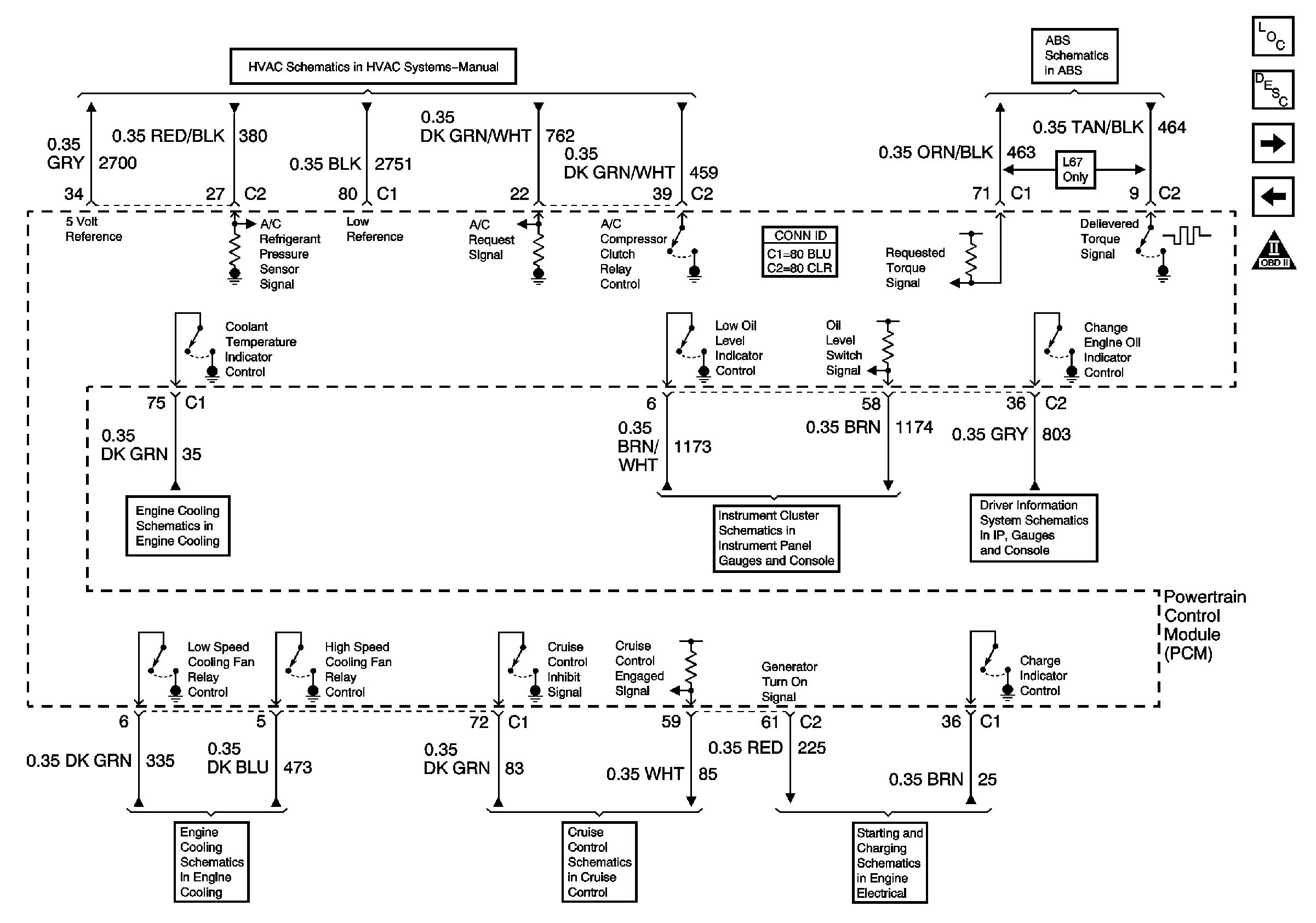
Figure 12:

Controlled/Monitored Subsystem References


Object Number: 775358  Size: FS
Master Electrical Component List
Powertrain Control Module Description
Automatic Transmission Controls References
IAC and EGR Valves
OBD II Symbol Description Notice
A/C Compressor Controls
ABS Indicator, Torque Signals, and Steering
Indicators
Indicators
Driver Information Center (DIC) (W/O U40)
Fans
Cruise Control
Generator
Figure 13:

Transmission Controls References


Object Number: 775360  Size: FS
Master Electrical Component List
Powertrain Control Module Description
Subsystem References
OBD II Symbol Description Notice
Stop Lamp Switch, TCC and Shift Solenoids, TFT Sensor
PRNDL
VSS and ISS Sensors, Pressure Control Solenoid Valve, TCC Release Switch, and Fluid Pressure Switches