GM Service Manual Online
For 1990-2009 cars only
Figure 1:

BATT-MAIN 1 - 2, IGN-MAIN 1 - 2, HEADLAMPS, PARK LP, HVAC/RKE BATT, AIR, ECM SENSE, ALT SENSE, B/U LAMP, COOL FAN 1 - 2, FUEL PUMP, FOG LP, HORN, INJ, IGN 1 - UH, ELEK IGN, TCC, A/C CLU/ABS IGN Fuses


Object Number: 790702  Size: FS
Master Electrical Component List
BATT-MAIN 1, ONSTAR, STOP LAMP, INT LAMP, CIG LTR Fuses
Figure 2:

BATT-MAIN 1, ONSTAR, STOP LAMP, INT LAMP, CIG LTR Fuses


Object Number: 790706  Size: FS
BATT-MAIN 1-2, IGN-MAIN 1-2, HEADLAMPS, PARK LP, RADIO, AIR, ECM SENSE, ALT SENSE, B/U LAMP, COOL FAN 1-2, FUEL PUMP, FOG LP, HORN, INJ, IGN 1-UH, ELEK IGN, TCC,
Master Electrical Component List
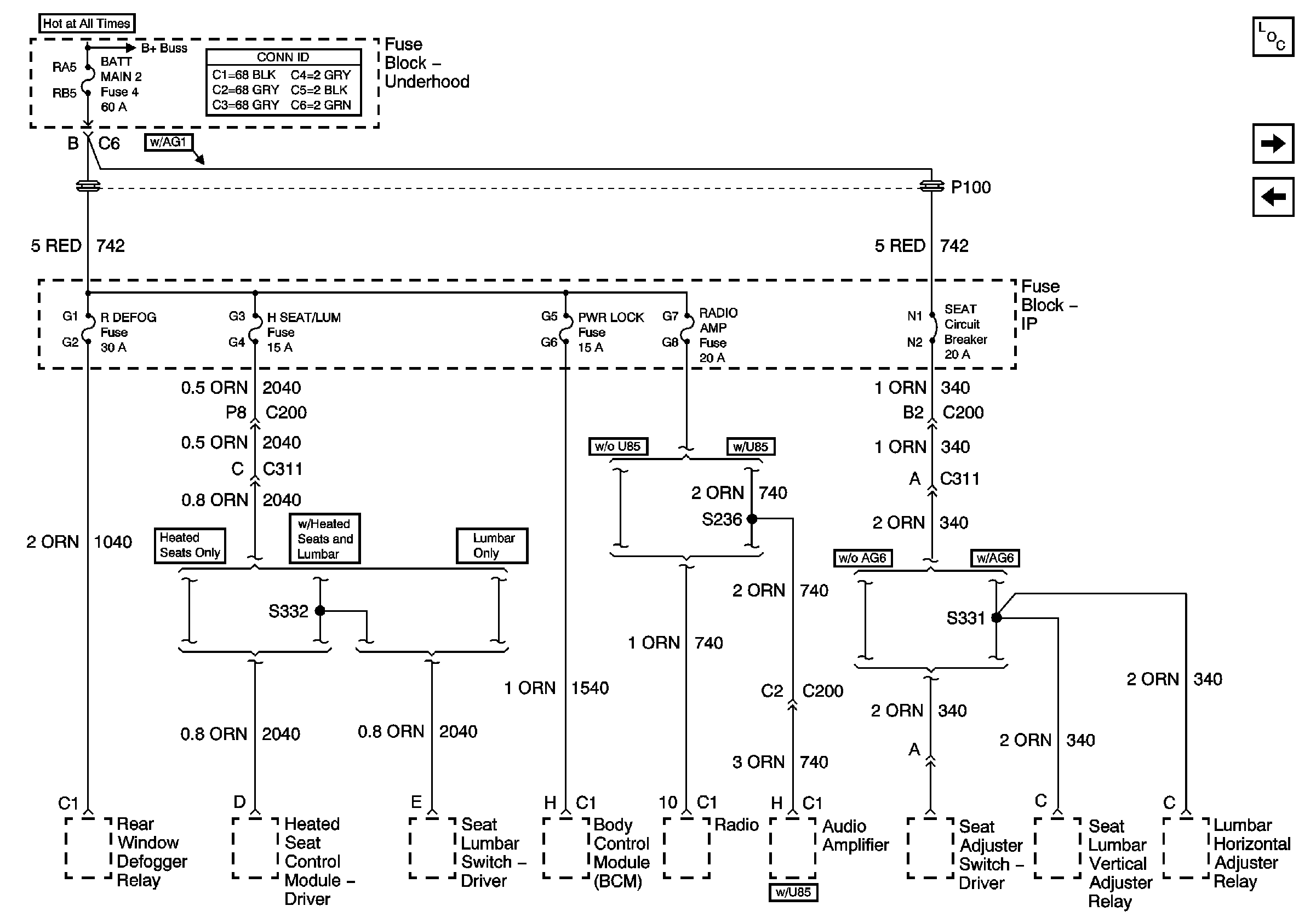
BATT-MAIN 2, R DEFOG, H SEAT/LUM, PWR LOCK, RADIO AMP Fuses, and SEAT Circuit Breaker
BATT-MAIN 1-2, IGN-MAIN 1-2, HEADLAMPS, PARK LP, RADIO, AIR, ECM SENSE, ALT SENSE, B/U LAMP, COOL FAN 1-2, FUEL PUMP, FOG LP, HORN, INJ, IGN 1-UH, ELEK IGN, TCC,
Figure 3:

BATT-MAIN 2, R DEFOG, H SEAT/LUM, PWR LOCK, RADIO AMP Fuses, and SEAT Circuit Breaker


Object Number: 790707  Size: FS
BATT-MAIN 1-2, IGN-MAIN 1-2, HEADLAMPS, PARK LP, RADIO, AIR, ECM SENSE, ALT SENSE, B/U LAMP, COOL FAN 1-2, FUEL PUMP, FOG LP, HORN, INJ, IGN 1-UH, ELEK IGN, TCC,
Master Electrical Component List
HEADLAMPS, HVAC HI, PWR MIR, HAZARD, RAP, PASS-Key® Fuses and HEADLAMP Circuit Breaker
BATT-MAIN 1, ONSTAR, STOP LAMP, INT LAMP, CIG LTR Fuses
Figure 4:

HEADLAMPS, HVAC HI, PWR MIR, HAZARD, RAP, PASS-Key® Fuses and HEADLAMP Circuit Breaker


Object Number: 790710  Size: FS
BATT-MAIN 1-2, IGN-MAIN 1-2, HEADLAMPS, PARK LP, RADIO, AIR, ECM SENSE, ALT SENSE, B/U LAMP, COOL FAN 1-2, FUEL PUMP, FOG LP, HORN, INJ, IGN 1-UH, ELEK IGN, TCC,
Master Electrical Component List
PARK LP, RADIO, and STR WHL ILLUM Fuses
BATT-MAIN 2, R DEFOG, H SEAT/LUM, PWR LOCK, RADIO AMP Fuses, and SEAT Circuit Breaker
Figure 5:

PARK LP, HVAC/RKE BATT, and STR WHL ILLUM Fuses


Object Number: 790713  Size: FS
Master Electrical Component List
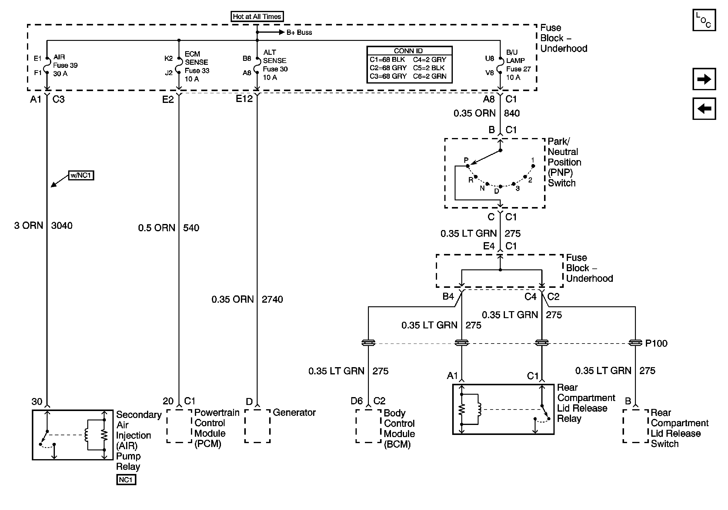
AIR, ECM SENSE, ALT SENSE, B/U LAMP Fuses
HEADLAMPS, HVAC HI, PWR MIR, HAZARD, RAP, PASS-Key® Fuses and HEADLAMP Circuit Breaker
BATT-MAIN 1-2, IGN-MAIN 1-2, HEADLAMPS, PARK LP, RADIO, AIR, ECM SENSE, ALT SENSE, B/U LAMP, COOL FAN 1-2, FUEL PUMP, FOG LP, HORN, INJ, IGN 1-UH, ELEK IGN, TCC,
Headlamp Switch and Instrument Panel Lighting
SIR Handling Caution
Figure 6:

AIR, ECM SENSE, ALT SENSE, B/U LAMP Fuses


Object Number: 790715  Size: FS
BATT-MAIN 1-2, IGN-MAIN 1-2, HEADLAMPS, PARK LP, RADIO, AIR, ECM SENSE, ALT SENSE, B/U LAMP, COOL FAN 1-2, FUEL PUMP, FOG LP, HORN, INJ, IGN 1-UH, ELEK IGN, TCC,
Master Electrical Component List
INJ Fuse and S109
PARK LP, RADIO, and STR WHL ILLUM Fuses
Figure 7:

INJ Fuse and S109 (RPO LG8)


Object Number: 790716  Size: FS
BATT-MAIN 1-2, IGN-MAIN 1-2, HEADLAMPS, PARK LP, RADIO, AIR, ECM SENSE, ALT SENSE, B/U LAMP, COOL FAN 1-2, FUEL PUMP, FOG LP, HORN, INJ, IGN 1-UH, ELEK IGN, TCC,
Master Electrical Component List
INJ Fuse
AIR, ECM SENSE, ALT SENSE, B/U LAMP Fuses
Figure 8:

INJ Fuse (RPO L36, L67)


Object Number: 790718  Size: FS
BATT-MAIN 1-2, IGN-MAIN 1-2, HEADLAMPS, PARK LP, RADIO, AIR, ECM SENSE, ALT SENSE, B/U LAMP, COOL FAN 1-2, FUEL PUMP, FOG LP, HORN, INJ, IGN 1-UH, ELEK IGN, TCC,
Master Electrical Component List
IGN 1-UH Fuse
INJ Fuse and S109
Figure 9:

IGN 1-UH Fuse


Object Number: 790719  Size: FS
BATT-MAIN 1-2, IGN-MAIN 1-2, HEADLAMPS, PARK LP, RADIO, AIR, ECM SENSE, ALT SENSE, B/U LAMP, COOL FAN 1-2, FUEL PUMP, FOG LP, HORN, INJ, IGN 1-UH, ELEK IGN, TCC,
Master Electrical Component List
TCC, ELEK IGN, and A/C CLU/ABS IGN Fuses
INJ Fuse
Figure 10:

TCC, ELEK IGN, and A/C CLU/ABS IGN Fuses


Object Number: 790720  Size: FS
BATT-MAIN 1-2, IGN-MAIN 1-2, HEADLAMPS, PARK LP, RADIO, AIR, ECM SENSE, ALT SENSE, B/U LAMP, COOL FAN 1-2, FUEL PUMP, FOG LP, HORN, INJ, IGN 1-UH, ELEK IGN, TCC,
Master Electrical Component List
IGN MAIN 1, BTSI, DRL, CANISTER VENT, PWR DROP, TURN, SIR Fuses
IGN 1-UH Fuse
Figure 11:

IGN MAIN 1, BTSI, DRL, CANISTER VENT, PWR DROP, TURN, SIR Fuses


Object Number: 790721  Size: FS
Master Electrical Component List
IP-IGN, CRUISE, ECM Fuses
TCC, ELEK IGN, and A/C CLU/ABS IGN Fuses
BATT-MAIN 1-2, IGN-MAIN 1-2, HEADLAMPS, PARK LP, RADIO, AIR, ECM SENSE, ALT SENSE, B/U LAMP, COOL FAN 1-2, FUEL PUMP, FOG LP, HORN, INJ, IGN 1-UH, ELEK IGN, TCC,
IP-IGN, CRUISE, ECM Fuses
SIR Handling Caution
Figure 12:

IP-IGN, CRUISE, ECM Fuses


Object Number: 790722  Size: FS
Master Electrical Component List
IGN-MAIN 2, RADIO, SUNROOF, STR WHL CTRL, PWR WDO, WIPER, MALL, MALL PGM Fuses
IGN MAIN 1, BTSI, DRL, CANISTER VENT, PWR DROP, TURN, SIR Fuses
IGN MAIN 1, BTSI, DRL, CANISTER VENT, PWR DROP, TURN, SIR Fuses
Figure 13:

IGN-MAIN 2, RADIO, SUNROOF, STR WHL CTRL, WIPER, MALL, MALL PGM Fuses, and PWR WDO Circuit Breaker


Object Number: 790723  Size: FS
Master Electrical Component List
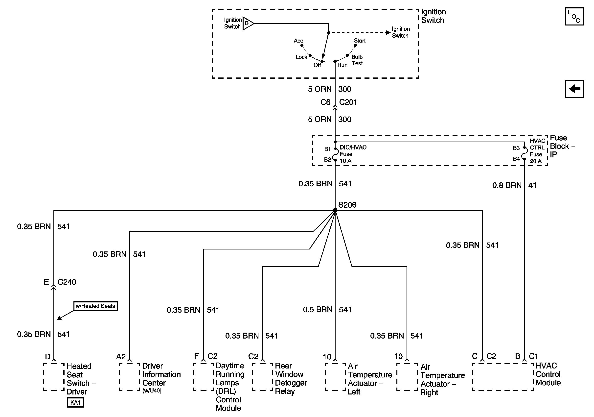
DIC/HVAC, HVAC CTRL Fuses
IP-IGN, CRUISE, ECM Fuses
BATT-MAIN 1-2, IGN-MAIN 1-2, HEADLAMPS, PARK LP, RADIO, AIR, ECM SENSE, ALT SENSE, B/U LAMP, COOL FAN 1-2, FUEL PUMP, FOG LP, HORN, INJ, IGN 1-UH, ELEK IGN, TCC,
DIC/HVAC, HVAC CTRL Fuses
SIR Handling Caution
Figure 14:

DIC/HVAC, HVAC CTRL Fuses


Object Number: 790724  Size: FS
Master Electrical Component List
IGN-MAIN 2, RADIO, SUNROOF, STR WHL CTRL, PWR WDO, WIPER, MALL, MALL PGM Fuses
IGN-MAIN 2, RADIO, SUNROOF, STR WHL CTRL, PWR WDO, WIPER, MALL, MALL PGM Fuses