GM Service Manual Online
For 1990-2009 cars only
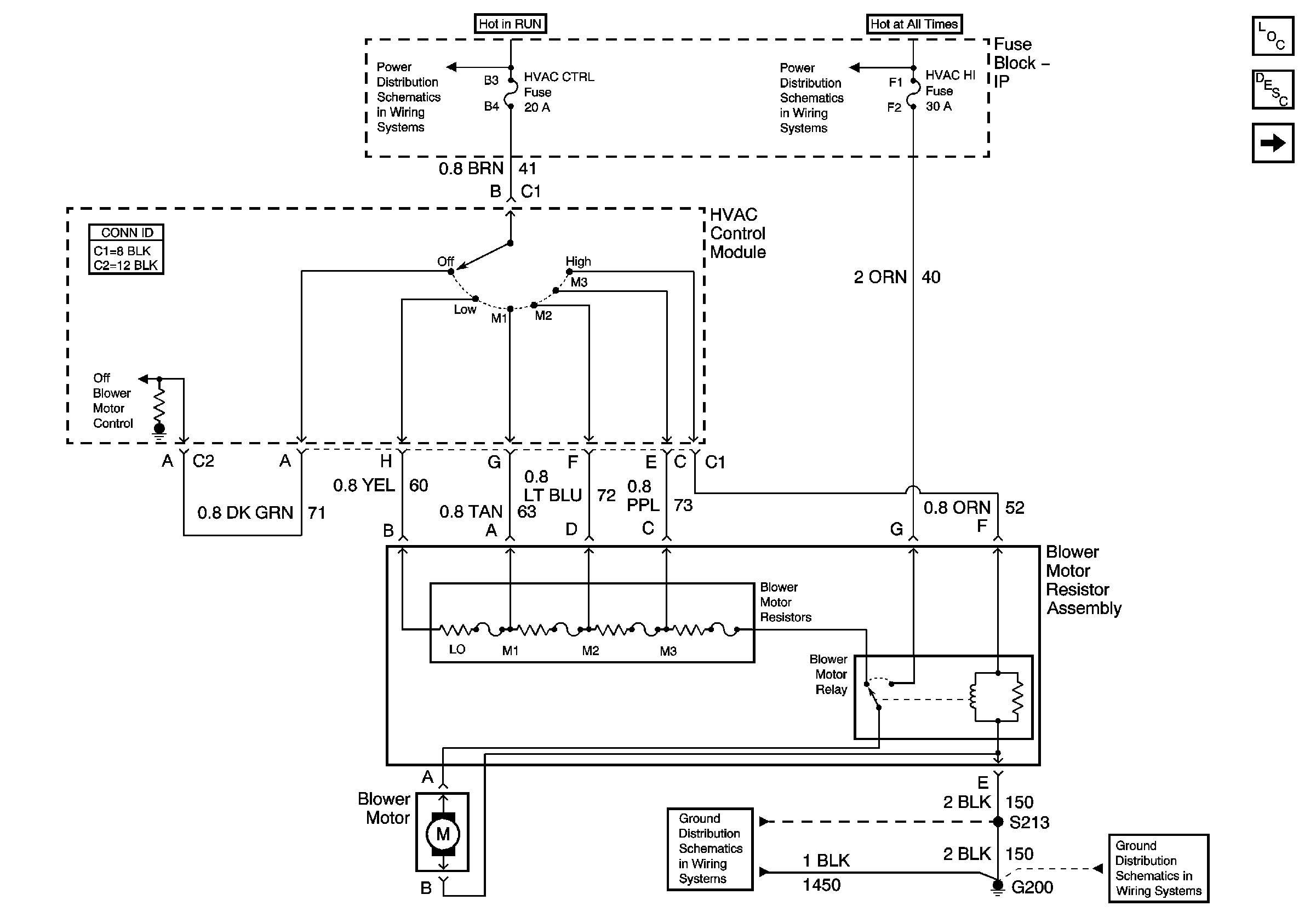
Figure 1:

Blower Motor Controls


Object Number: 792555  Size: FS
Master Electrical Component List
Air Delivery Description and Operation
A/C Compressor Controls
DIC/HVAC, HVAC CTRL Fuses
HEADLAMPS, HVAC HI, PWR MIR, HAZARD, RAP, PASS-Key® Fuses and HEADLAMP Circuit Breaker
G200, S213, S375
G200, S211, S285
Figure 2:

A/C Compressor Controls


Object Number: 792556  Size: FS
Master Electrical Component List
Air Temperature Description and Operation
Air Temperature Control
Blower Motor Controls
DIC/HVAC, HVAC CTRL Fuses
DIC/HVAC, HVAC CTRL Fuses
PARK LP, RADIO, and STR WHL ILLUM Fuses
BATT-MAIN 1-2, IGN-MAIN 1-2, HEADLAMPS, PARK LP, RADIO, AIR, ECM SENSE, ALT SENSE, B/U LAMP, COOL FAN 1-2, FUEL PUMP, FOG LP, HORN, INJ, IGN 1-UH, ELEK IGN, TCC,
BATT-MAIN 1-2, IGN-MAIN 1-2, HEADLAMPS, PARK LP, RADIO, AIR, ECM SENSE, ALT SENSE, B/U LAMP, COOL FAN 1-2, FUEL PUMP, FOG LP, HORN, INJ, IGN 1-UH, ELEK IGN, TCC,
TCC, ELEK IGN, and A/C CLU/ABS IGN Fuses
G117
G200, S213, S375
G117
G200, S211, S285
Figure 3:

Air Temperature Control


Object Number: 792559  Size: FS
Master Electrical Component List
Air Temperature Description and Operation
A/C Compressor Controls
DIC/HVAC, HVAC CTRL Fuses
DIC/HVAC, HVAC CTRL Fuses
G200, S213, S375
G200, S211, S285