GM Service Manual Online
For 1990-2009 cars only
Makes
🢒
Pontiac
🢒
2002
🢒
Grand Prix
🢒
HVAC
🢒
HVAC Systems - Manual
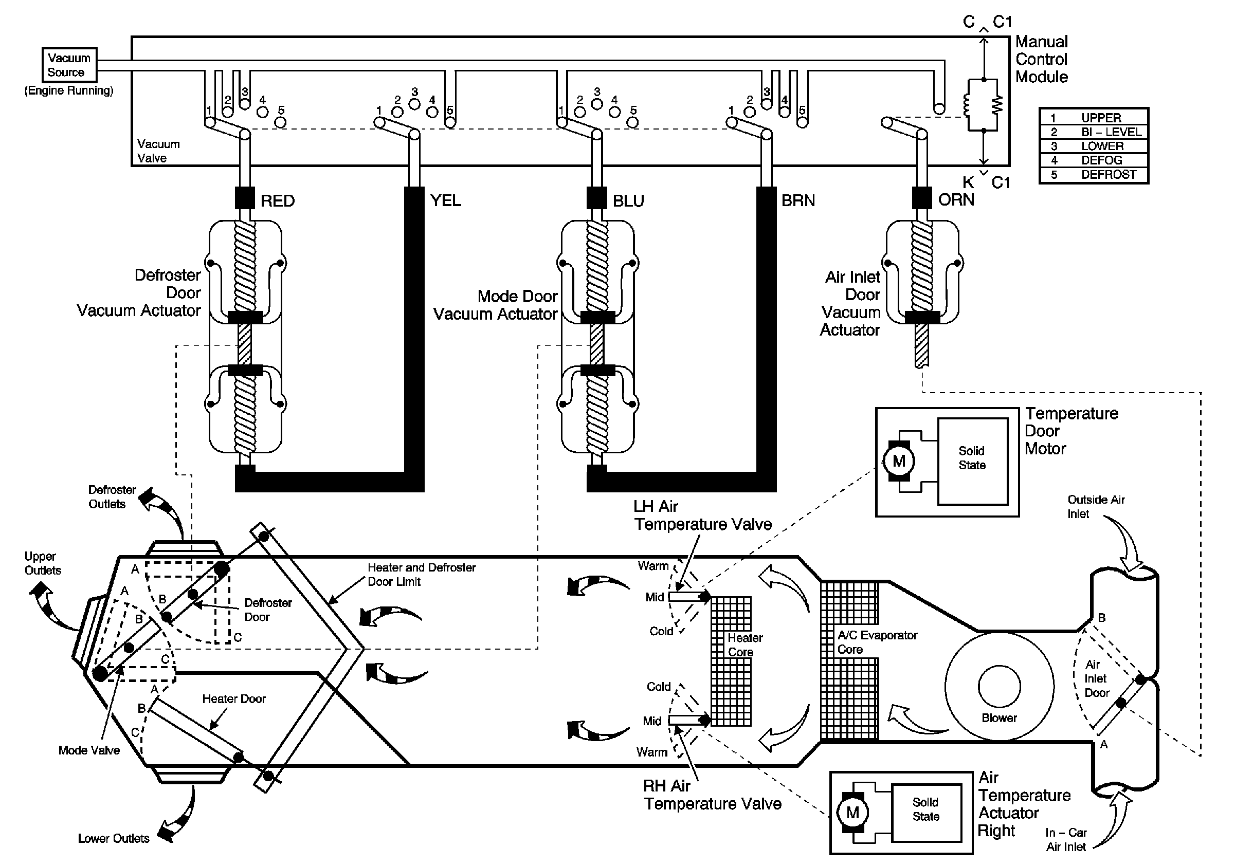
🢒 HVAC Vacuum Schematics
HVAC Schematic