GM Service Manual Online
For 1990-2009 cars only
Makes
🢒
Pontiac
🢒
2002
🢒
Grand Prix
🢒
Body and Accessories
🢒
Seats
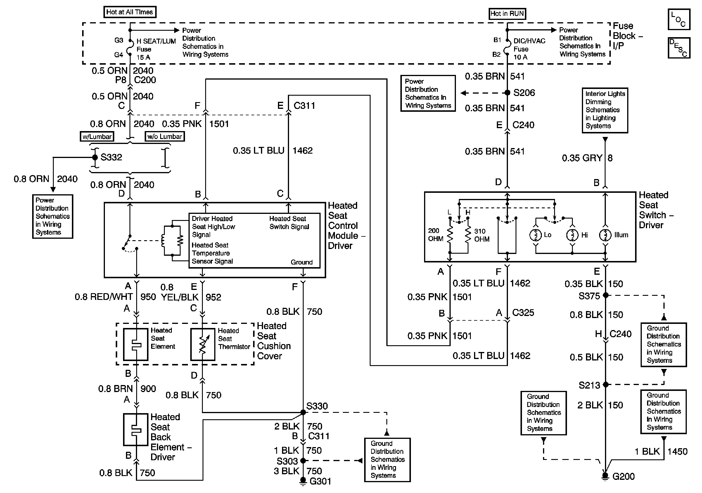
🢒 Heated Seats Schematics
Master Electrical Component List
Heated Seats Description and Operation
BATT-MAIN 2, R DEFOG, H SEAT/LUM, PWR LOCK, RADIO AMP Fuses, and SEAT Circuit Breaker
DIC/HVAC, HVAC CTRL Fuses
BATT-MAIN 2, R DEFOG, H SEAT/LUM, PWR LOCK, RADIO AMP Fuses, and SEAT Circuit Breaker
DIC/HVAC, HVAC CTRL Fuses
Instrument Panel Lighting Continued
G301
G200, S211, S285
G200, S213, S375
G200, S230