GM Service Manual Online
For 1990-2009 cars only
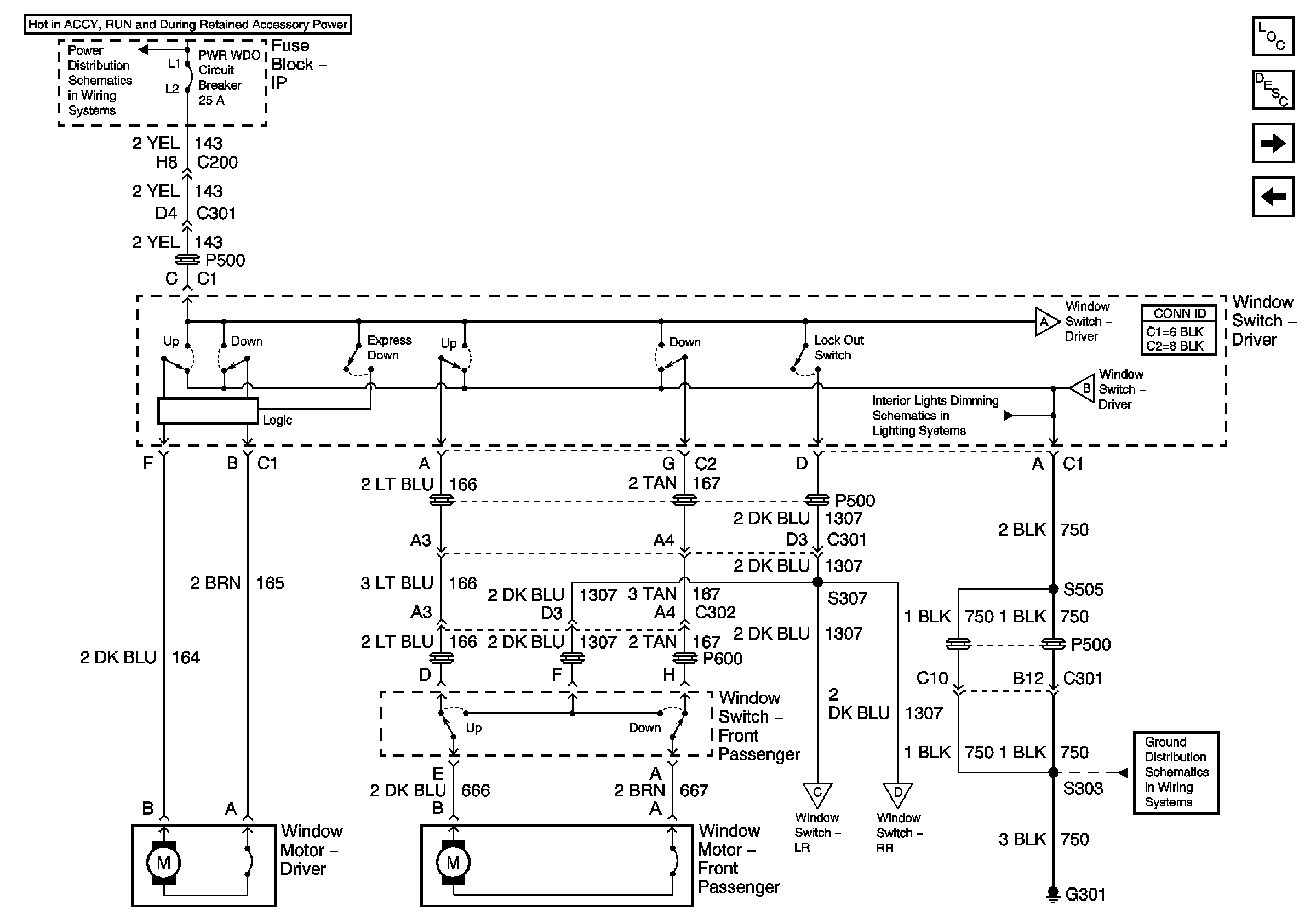
Figure 1:

2-Door


Object Number: 667964  Size: FS
Master Electrical Component List
Power Windows Description and Operation
4 Door Front
IGN-MAIN 2, RADIO, SUNROOF, STR WHL CTRL, PWR WDO, WIPER, MALL, MALL PGM Fuses
Door Switch Lighting
G301
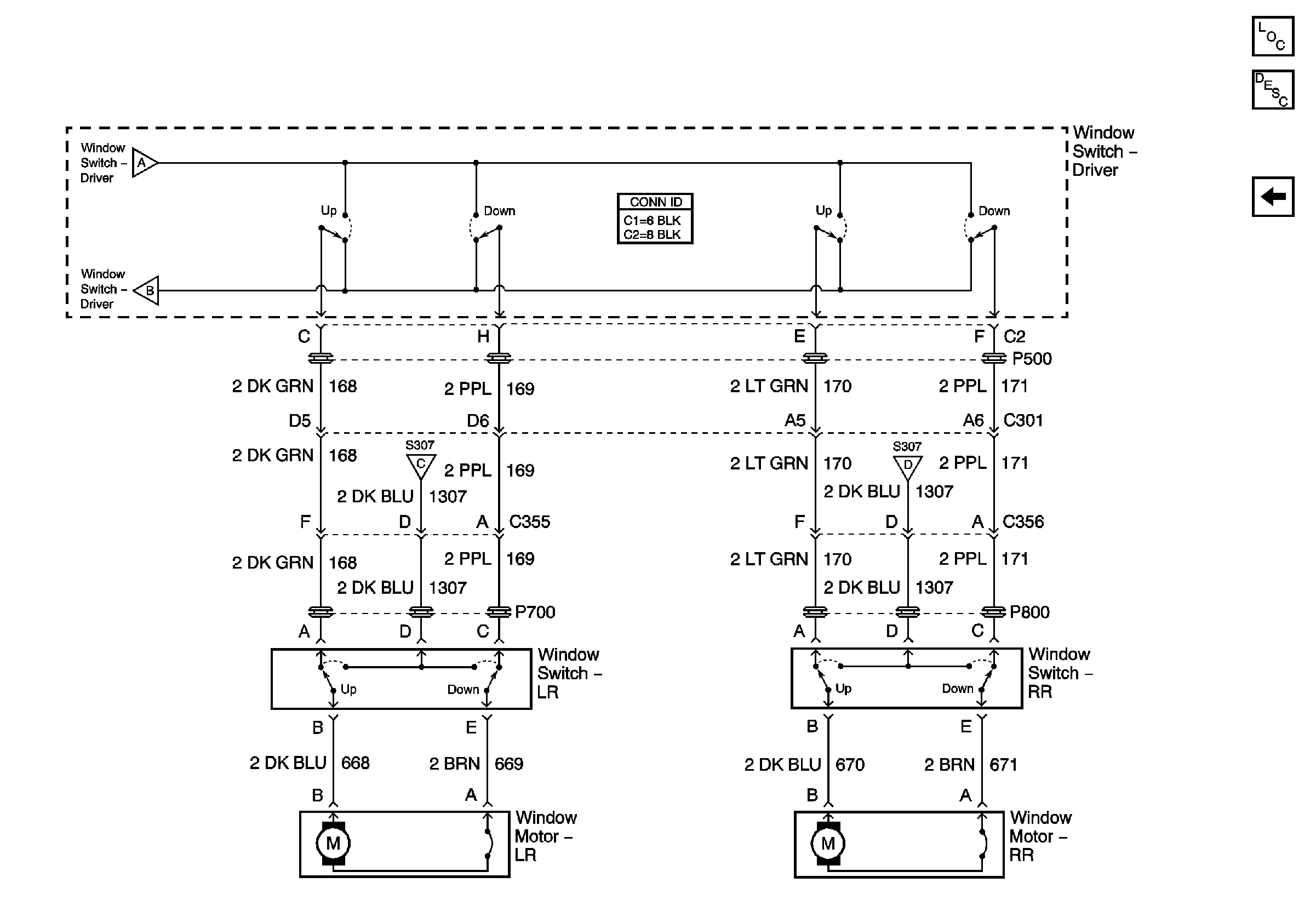
Figure 2:

4-Door Front


Object Number: 667970  Size: FS
Master Electrical Component List
Power Windows Description and Operation
4 Door Rear
2 Door
IGN-MAIN 2, RADIO, SUNROOF, STR WHL CTRL, PWR WDO, WIPER, MALL, MALL PGM Fuses
Door Switch Lighting
4 Door Rear
4 Door Rear
4 Door Rear
4 Door Rear
G301
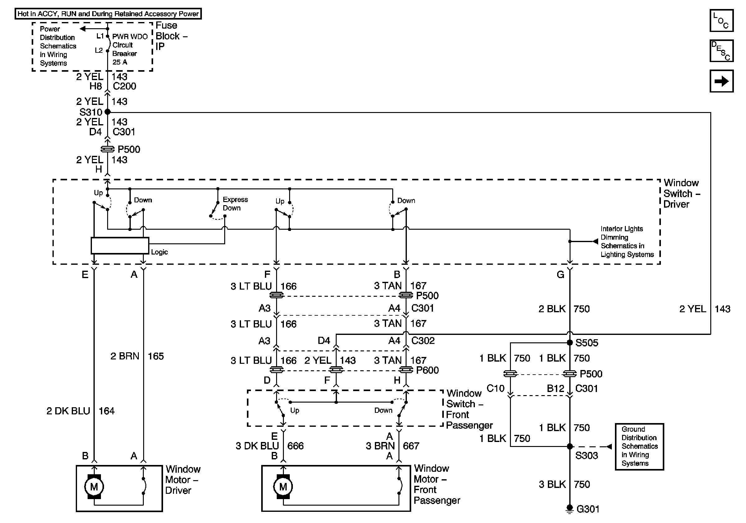
Figure 3:

4-Door Rear


Object Number: 667975  Size: FS
Master Electrical Component List
Power Windows Description and Operation
4 Door Front
4 Door Front
4 Door Front
4 Door Front
4 Door Front