GM Service Manual Online
For 1990-2009 cars only
Makes
🢒
Pontiac
🢒
2002
🢒
Grand Prix
🢒
Body and Accessories
🢒
Stationary Windows
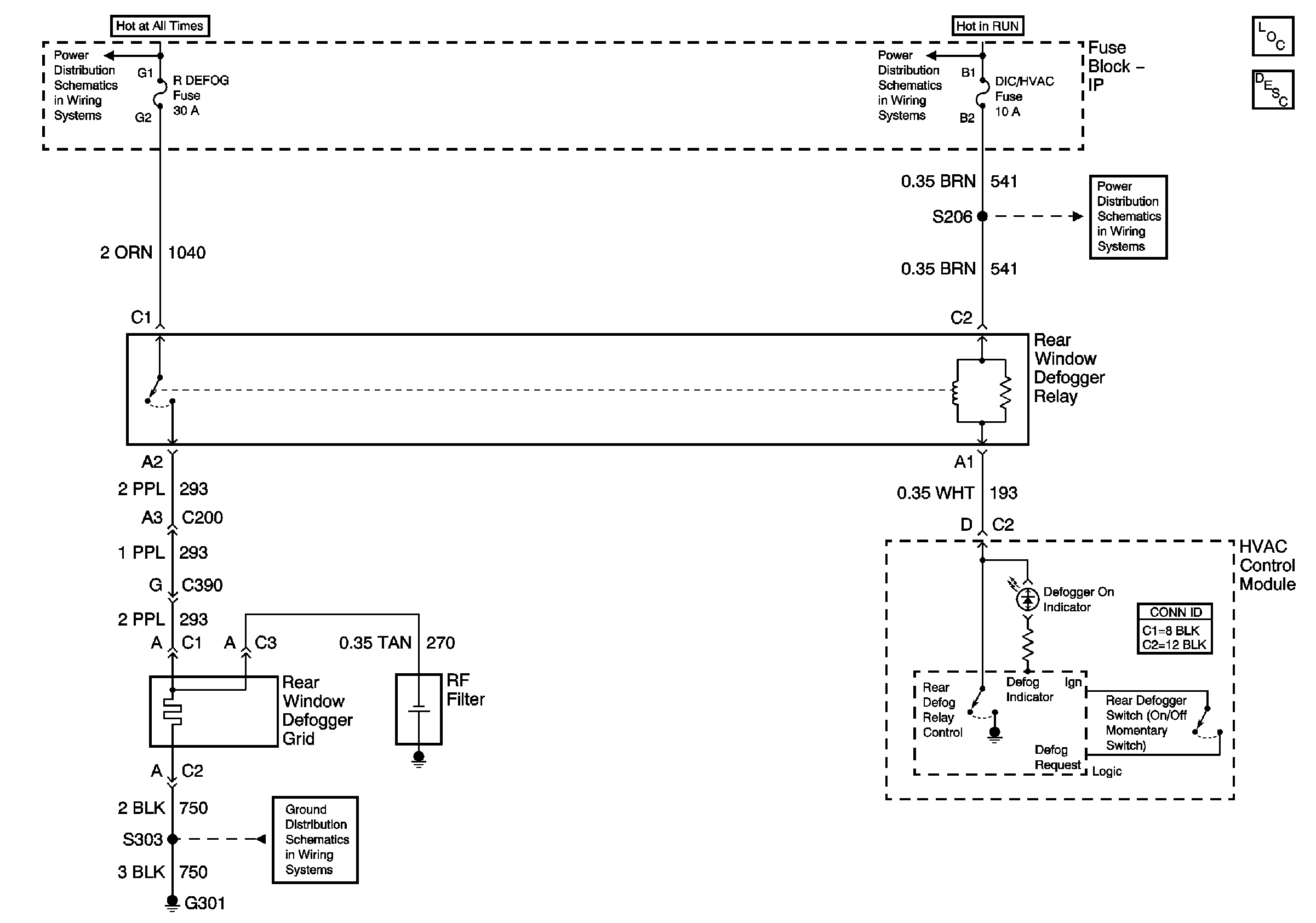
🢒 Defogger Schematics
Master Electrical Component List
Rear Window Defogger Description and Operation
DIC/HVAC, HVAC CTRL Fuses
DIC/HVAC, HVAC CTRL Fuses
G301
BATT-MAIN 2, R DEFOG, H SEAT/LUM, PWR LOCK, RADIO AMP Fuses, and SEAT Circuit Breaker