GM Service Manual Online
For 1990-2009 cars only
Makes
🢒
Pontiac
🢒
2002
🢒
Grand Prix
🢒
Body and Accessories
🢒
Lighting Systems
🢒 Interior Lights Dimming Schematics
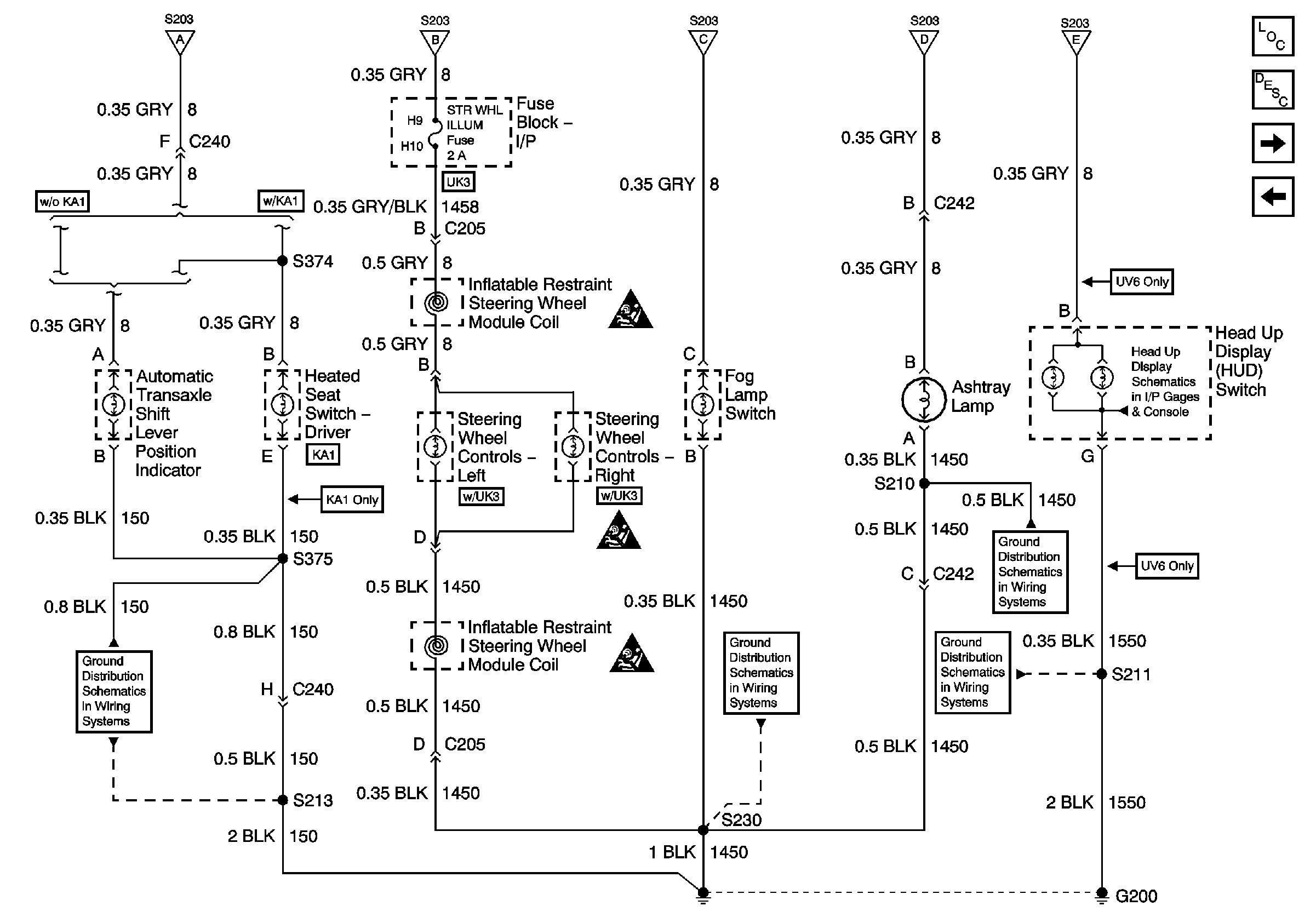
Figure
1:
Headlamp Switch and Instrument Panel Lighting
Master Electrical Component List
Interior Lighting Systems Description and Operation
Instrument Panel Lighting Continued
PARK LP, RADIO, and STR WHL ILLUM Fuses
PARK LP, RADIO, and STR WHL ILLUM Fuses
Switches
Park Lamps Rear
Instrument Panel Lighting Continued
Instrument Panel Lighting Continued
Instrument Panel Lighting Continued
Instrument Panel Lighting Continued
Instrument Panel Lighting Continued
Door Switch Lighting
G200, S230
G200, S211, S285
G200, S213, S375
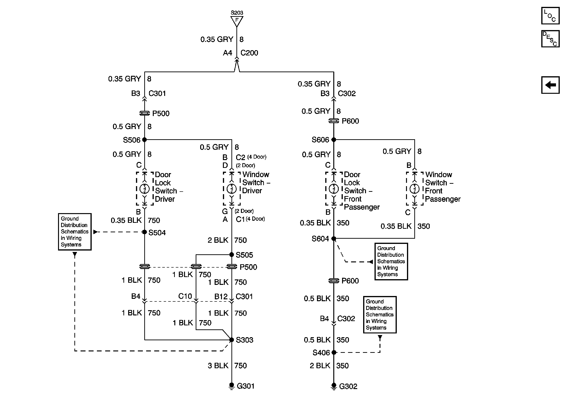
Figure
2:
Instrument Panel Lighting Continued
Master Electrical Component List
Interior Lighting Systems Description and Operation
Door Switch Lighting
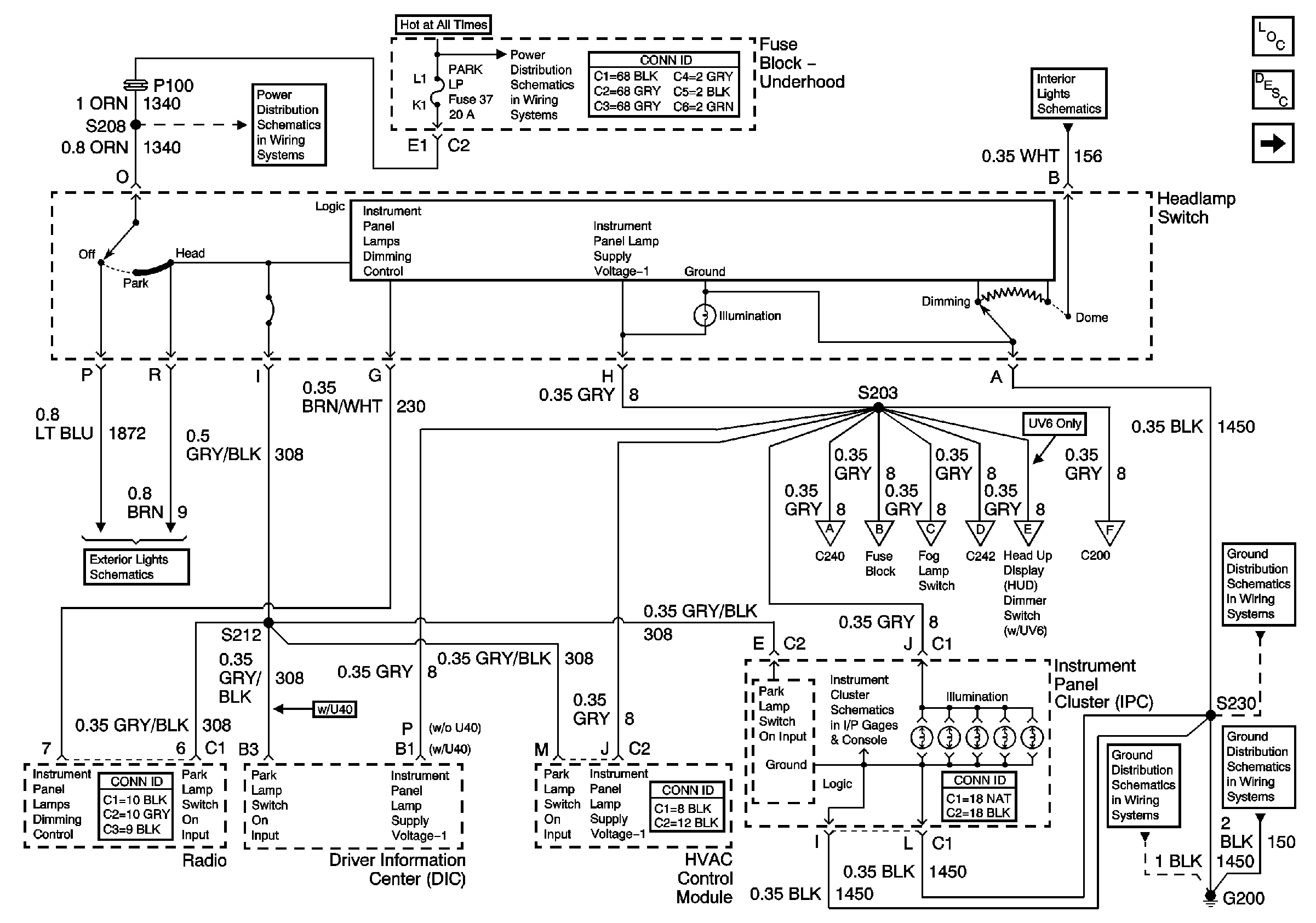
Headlamp Switch and Instrument Panel Lighting
Headlamp Switch and Instrument Panel Lighting
Headlamp Switch and Instrument Panel Lighting
Headlamp Switch and Instrument Panel Lighting
Headlamp Switch and Instrument Panel Lighting
Headlamp Switch and Instrument Panel Lighting
Lighting Systems Schematic Icons
Lighting Systems Schematic Icons
Lighting Systems Schematic Icons
Head Up Display
G200, S230
G200, S213, S375
G200, S230
G200, S211, S285
Figure
3:
Door Switch Lighting
Master Electrical Component List
Interior Lighting Systems Description and Operation
Instrument Panel Lighting Continued
G302, S390, S604
G301
Headlamp Switch and Instrument Panel Lighting