GM Service Manual Online
For 1990-2009 cars only
Makes
🢒
Pontiac
🢒
2002
🢒
Grand Prix
🢒
Body and Accessories
🢒
Wiring Systems
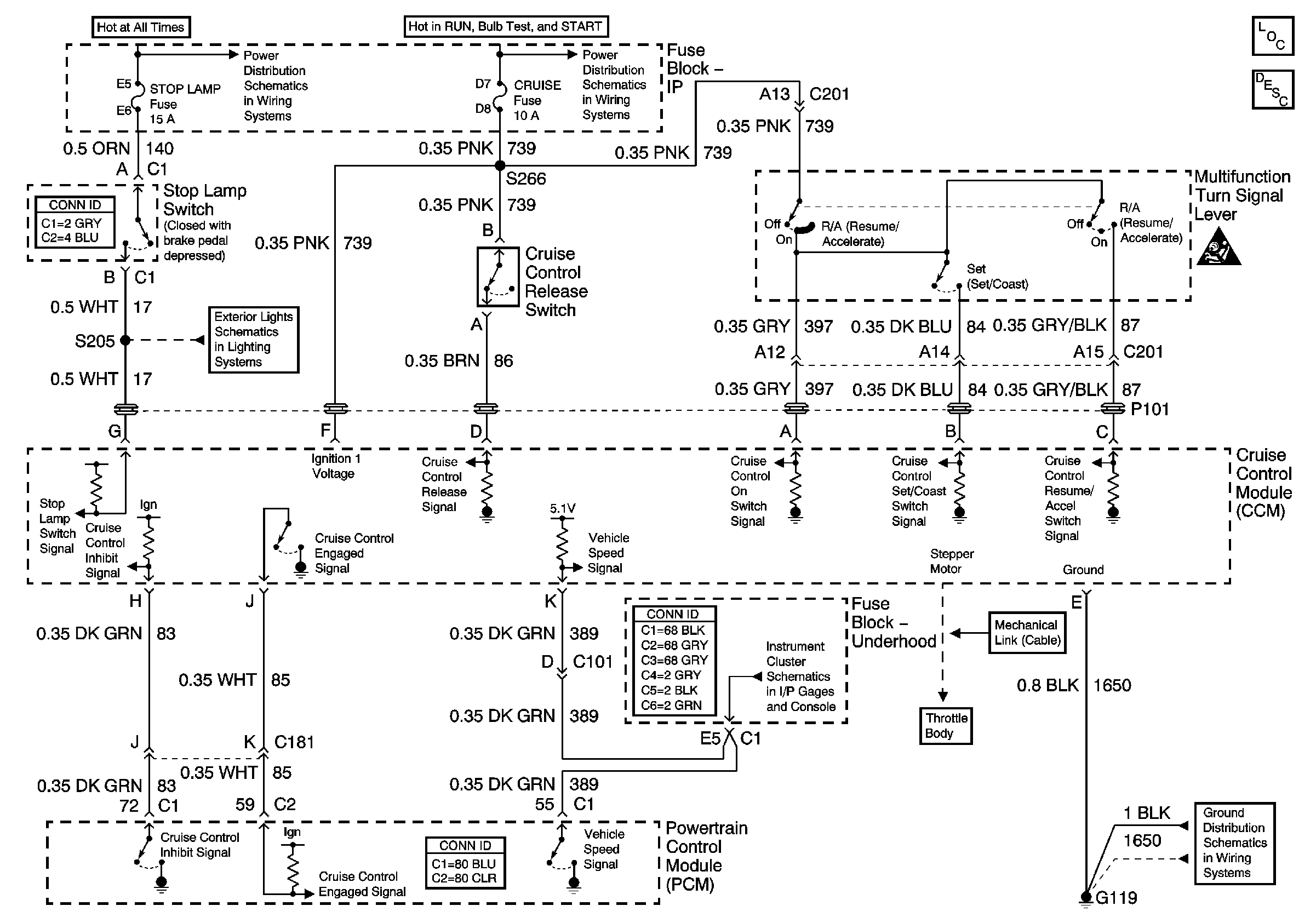
🢒 Cruise Control Schematics
Master Electrical Component List
Cruise Control Description and Operation
BATT-MAIN 1, ONSTAR, STOP LAMP, INT LAMP, CIG LTR Fuses
IP-IGN, CRUISE, ECM Fuses
Rear Turn Signals and Stop Lamps
SIR Caution
Gauges
G119