GM Service Manual Online
For 1990-2009 cars only
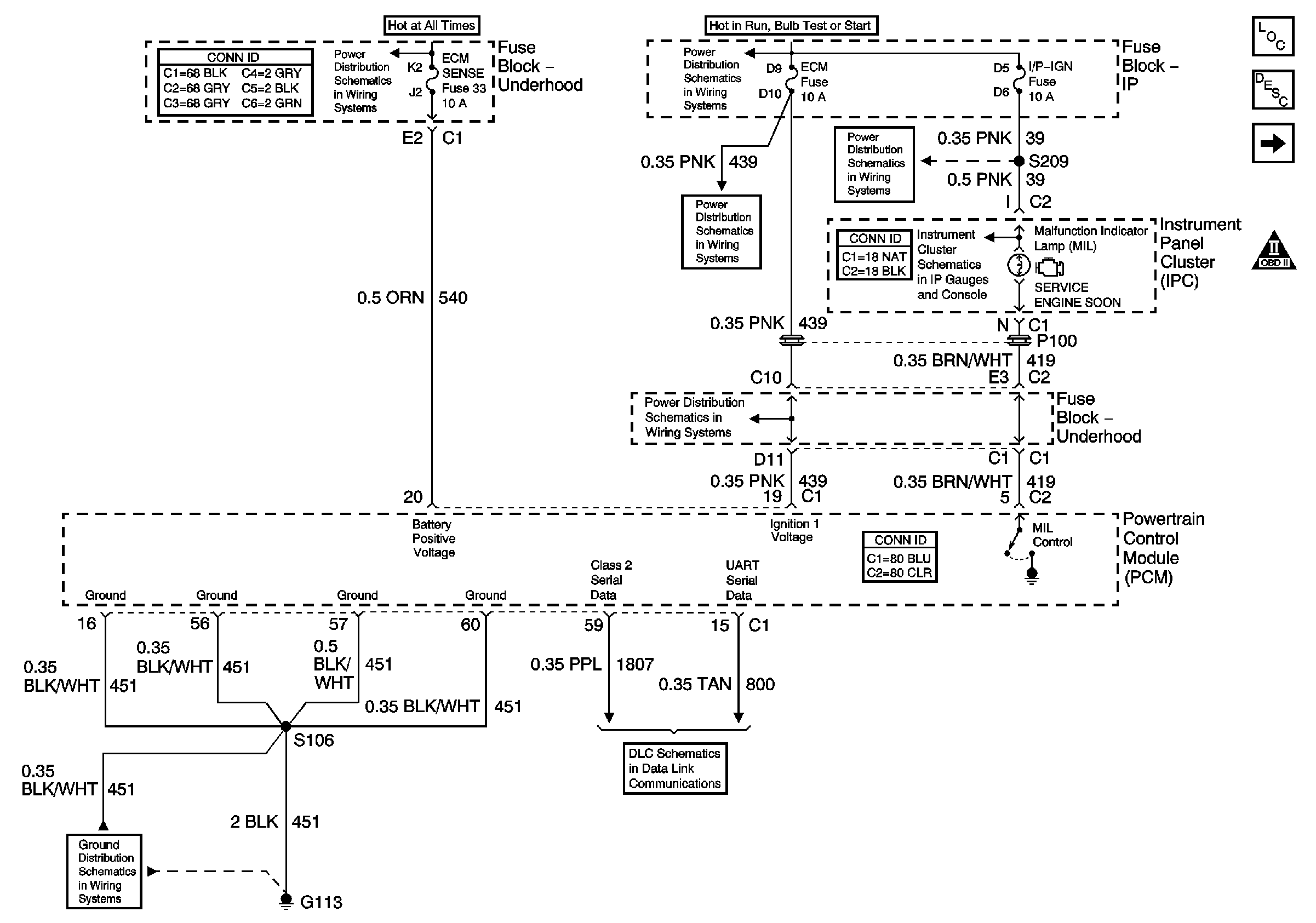
Figure 1:

PCM Power, Ground, Serial Data, and MIL


Object Number: 775319  Size: FS
Master Electrical Component List
Powertrain Control Module Description
5 Volt and Low Reference Bussing
OBD II Symbol Description Notice
AIR, ECM SENSE, ALT SENSE, B/U LAMP Fuses
IP-IGN, CRUISE, ECM Fuses
IP-IGN, CRUISE, ECM Fuses
IP-IGN, CRUISE, ECM Fuses
IP-IGN, CRUISE, ECM Fuses
Indicators
G100, G111, G113
Data Link Communications
Figure 2:

5 Volt and Low Reference Bussing


Object Number: 786469  Size: FS
Master Electrical Component List
Powertrain Control Module Description
TP, MAP, ECT, and IAT Sensors
PCM Power, Ground, Serial Data, and MIL
OBD II Symbol Description Notice
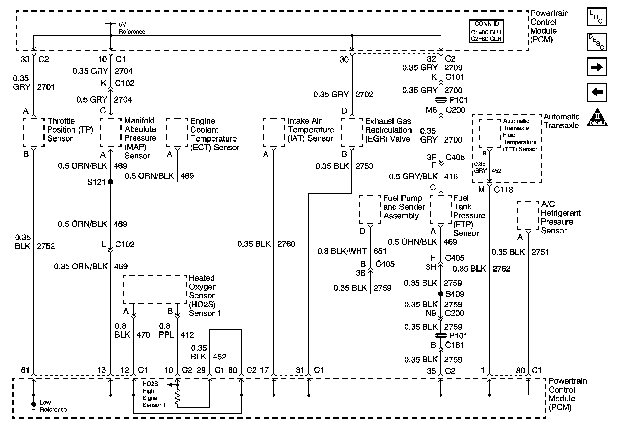
Figure 3:

TP, MAP, ECT, and IAT Sensors


Object Number: 775324  Size: FS
Master Electrical Component List
Powertrain Control Module Description
MAF Sensor and A/T Controls VSS Reference
5 Volt and Low Reference Bussing
OBD II Symbol Description Notice
Figure 4:

MAF Sensor and A/T Controls VSS Reference


Object Number: 775325  Size: FS
Master Electrical Component List
Powertrain Control Module Description
Heated Oxygen Sensors
TP, MAP, ECT, and IAT Sensors
OBD II Symbol Description Notice
BATT-MAIN 1-2, IGN-MAIN 1-2, HEADLAMPS, PARK LP, RADIO, AIR, ECM SENSE, ALT SENSE, B/U LAMP, COOL FAN 1-2, FUEL PUMP, FOG LP, HORN, INJ, IGN 1-UH, ELEK IGN, TCC,
IGN 1-UH Fuse
IGN 1-UH Fuse
Gauges
VSS and ISS Sensors, Pressure Control Solenoid Valve, TCC Release Switch, and Fluid Pressure Switches
G100, G111, G113
G100, G111, G113
Figure 5:

Heated Oxygen Sensors


Object Number: 791653  Size: FS
Master Electrical Component List
Powertrain Control Module Description
Ignition Control Module
MAF Sensor and A/T Controls VSS Reference
OBD II Symbol Description Notice
BATT-MAIN 1-2, IGN-MAIN 1-2, HEADLAMPS, PARK LP, RADIO, AIR, ECM SENSE, ALT SENSE, B/U LAMP, COOL FAN 1-2, FUEL PUMP, FOG LP, HORN, INJ, IGN 1-UH, ELEK IGN, TCC,
IGN 1-UH Fuse
G117
Figure 6:

Ignition Control Module


Object Number: 775327  Size: FS
Master Electrical Component List
Electronic Ignition (EI) System Description
Fuel Control
Heated Oxygen Sensors
OBD II Symbol Description Notice
TCC, ELEK IGN, and A/C CLU/ABS IGN Fuses
OBD II Symbol Description Notice
Gauges
G100, G111, G113
Figure 7:

Fuel Control


Object Number: 775350  Size: FS
Master Electrical Component List
Fuel System Description
Fuel Injectors
Ignition Control Module
OBD II Symbol Description Notice
BATT-MAIN 1-2, IGN-MAIN 1-2, HEADLAMPS, PARK LP, RADIO, AIR, ECM SENSE, ALT SENSE, B/U LAMP, COOL FAN 1-2, FUEL PUMP, FOG LP, HORN, INJ, IGN 1-UH, ELEK IGN, TCC,
G100, G111, G113
Gauges
G100, G111, G113
G302, S402, S406, S416
Figure 8:

Fuel Injectors


Object Number: 653553  Size: FS
Master Electrical Component List
Fuel System Description
EVAP Controls and Fuel Tank Pressure (FTP) Sensor
Fuel Control
OBD II Symbol Description Notice
BATT-MAIN 1-2, IGN-MAIN 1-2, HEADLAMPS, PARK LP, RADIO, AIR, ECM SENSE, ALT SENSE, B/U LAMP, COOL FAN 1-2, FUEL PUMP, FOG LP, HORN, INJ, IGN 1-UH, ELEK IGN, TCC,
Figure 9:

EVAP Controls and Fuel Tank Pressure (FTP) Sensor


Object Number: 775330  Size: FS
Master Electrical Component List
Evaporative Emission Control System Description
Secondary Air Injection, Idle Air Control Valve
Fuel Injectors
OBD II Symbol Description Notice
BATT-MAIN 1-2, IGN-MAIN 1-2, HEADLAMPS, PARK LP, RADIO, AIR, ECM SENSE, ALT SENSE, B/U LAMP, COOL FAN 1-2, FUEL PUMP, FOG LP, HORN, INJ, IGN 1-UH, ELEK IGN, TCC,
IGN 1-UH Fuse
IGN MAIN 1, BTSI, DRL, CANISTER VENT, PWR DROP, TURN, SIR Fuses
Gauges
IGN 1-UH Fuse
Figure 10:

Secondary Air Injection, IAC Valve, and EGR Valve


Object Number: 775331  Size: FS
Master Electrical Component List
Exhaust Gas Recirculation (EGR) System Description
Controlled/Monitored Subsystem References
EVAP Controls and Fuel Tank Pressure (FTP) Sensor
OBD II Symbol Description Notice
AIR, ECM SENSE, ALT SENSE, B/U LAMP Fuses
BATT-MAIN 1-2, IGN-MAIN 1-2, HEADLAMPS, PARK LP, RADIO, AIR, ECM SENSE, ALT SENSE, B/U LAMP, COOL FAN 1-2, FUEL PUMP, FOG LP, HORN, INJ, IGN 1-UH, ELEK IGN, TCC,
IGN 1-UH Fuse
G101
Figure 11:

Controlled/Monitored Subsystem References


Object Number: 775332  Size: FS
Master Electrical Component List
Powertrain Control Module Description
Transmission Controls References
Secondary Air Injection, Idle Air Control Valve
OBD II Symbol Description Notice
A/C Compressor Controls
Indicators
Indicators
Driver Information Center (DIC) (W/O U40)
Fans
Cruise Control
Generator
Figure 12:

Transmission Controls References


Object Number: 775333  Size: FS
Master Electrical Component List
Powertrain Control Module Description
Controlled/Monitored Subsystem References
OBD II Symbol Description Notice
Stop Lamp Switch, TCC and Shift Solenoids, TFT Sensor
PRNDL
VSS and ISS Sensors, Pressure Control Solenoid Valve, TCC Release Switch, and Fluid Pressure Switches