GM Service Manual Online
For 1990-2009 cars only
Makes
🢒
Pontiac
🢒
2002
🢒
Grand Prix
🢒
Body and Accessories
🢒
Wiring Systems
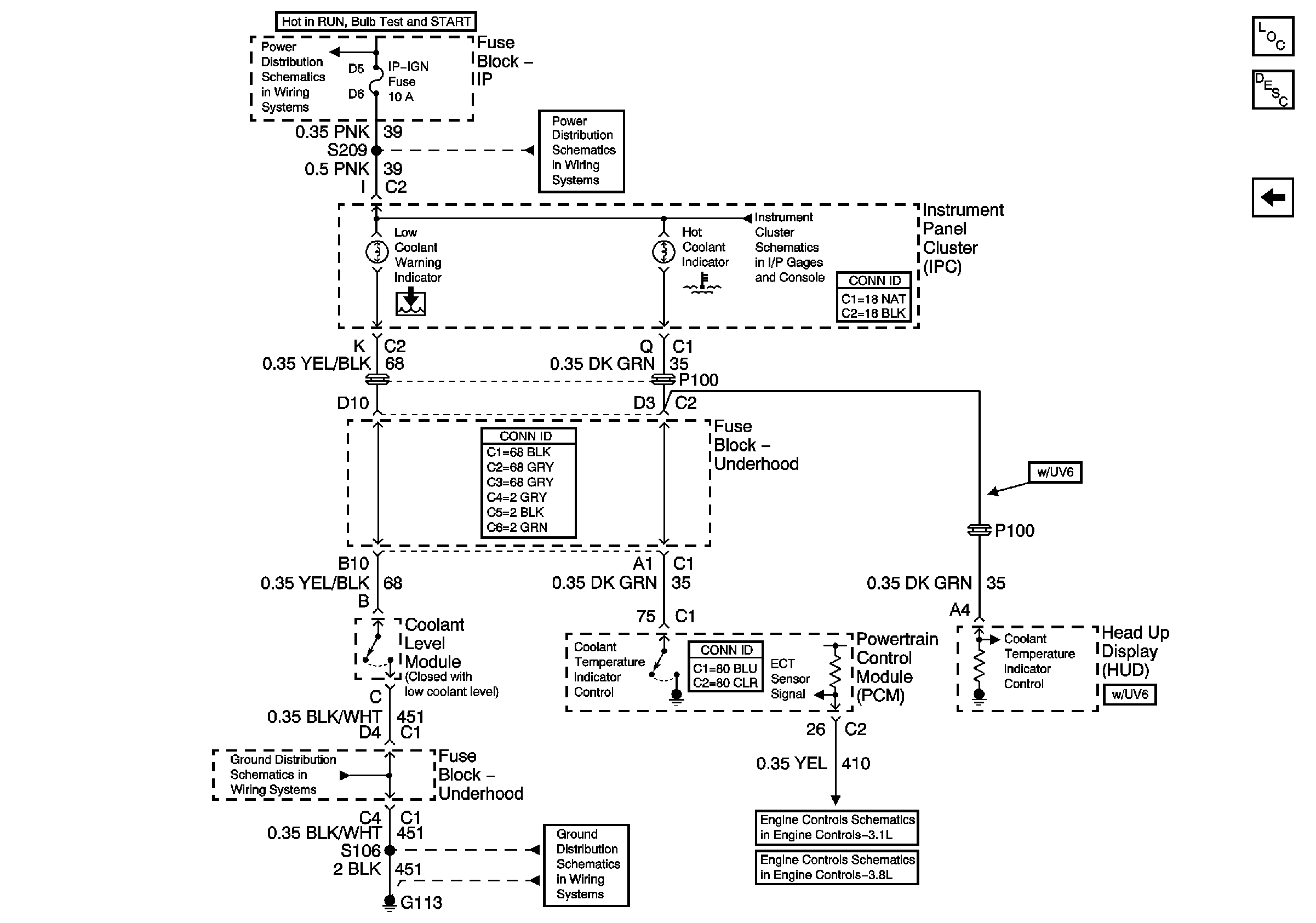
🢒 Engine Cooling Schematics
Figure
1:
Fans
Master Electrical Component List
Cooling System Description and Operation
Indicators
BATT-MAIN 1-2, IGN-MAIN 1-2, HEADLAMPS, PARK LP, RADIO, AIR, ECM SENSE, ALT SENSE, B/U LAMP, COOL FAN 1-2, FUEL PUMP, FOG LP, HORN, INJ, IGN 1-UH, ELEK IGN, TCC,
G117
G117
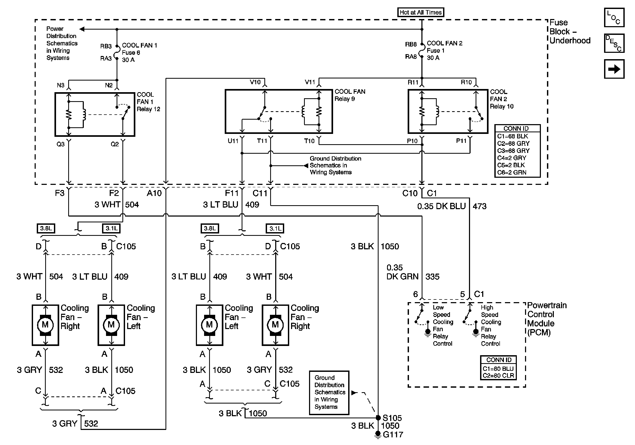
Figure
2:
Indicators
Master Electrical Component List
Cooling System Description and Operation
Fans
IP-IGN, CRUISE, ECM Fuses
IP-IGN, CRUISE, ECM Fuses
Indicators
G100, G111, G113
G100, G111, G113
TP, MAP, ECT, and IAT Sensors
MAP, ECT, IAT, and TP Sensors