GM Service Manual Online
For 1990-2009 cars only

Upper Intake Manifold Installation C, H, W


    Object Number: 42225  Size: SH
  1. Install the upper intake manifold gasket.
  2. Install the upper intake manifold.

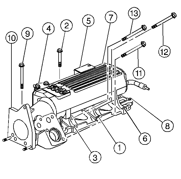
  3. Object Number: 49828  Size: SH

    Notice: Use the correct fastener in the correct location. Replacement fasteners must be the correct part number for that application. Fasteners requiring replacement or fasteners requiring the use of thread locking compound or sealant are identified in the service procedure. Do not use paints, lubricants, or corrosion inhibitors on fasteners or fastener joint surfaces unless specified. These coatings affect fastener torque and joint clamping force and may damage the fastener. Use the correct tightening sequence and specifications when installing fasteners in order to avoid damage to parts and systems.

  4. Install the upper intake manifold bolts.
  5. Tighten
    Tighten the upper intake manifold bolts in sequence to 10 N·m (89 lb in).


    Object Number: 153566  Size: SH
  6. Install the throttle body gasket.
  7. Install the throttle body.
  8. Install the throttle body nuts.
  9. Tighten
    Tighten the throttle body nuts to 10 N·m (89 lb in).


    Object Number: 211908  Size: SH
  10. Install the engine wiring harness heat shield.
  11. Install the engine wiring harness heat shield bolt and nut.
  12. Tighten
    Tighten the engine wiring harness heat shield bolt and nut to 10 N·m (89 lb in).


    Object Number: 192745  Size: SH
  13. Install the accelerator control cable bracket.
  14. Install the accelerator control cable bracket bolts.
  15. Tighten
    Tighten the accelerator control cable bracket bolts to 16 N·m (12 lb ft).


    Object Number: 153568  Size: SH
  16. Install the fuel injector rail.
  17. Install the fuel injector rail nuts.
  18. Tighten
    Tighten the fuel injector rail nuts to 10 N·m (89 lb in).


    Object Number: 638520  Size: SH
  19. Install the ignition control module assembly.
  20. Install the ignition control module assembly bracket nuts.
  21. Tighten
    Tighten the ignition control module assembly bracket nuts to 50 N·m (37 lb ft).

  22. Connect the ignition control module connector to the ignition control module assembly.
  23. Connect the ignition wires to the fuel injector rail.
  24. Install the spark plug wires.

Upper Intake Manifold Installation F


    Object Number: 403782  Size: SH
  1. Install the upper intake manifold gasket.
  2. Install the upper intake manifold.

  3. Object Number: 403789  Size: SH

    Notice: Use the correct fastener in the correct location. Replacement fasteners must be the correct part number for that application. Fasteners requiring replacement or fasteners requiring the use of thread locking compound or sealant are identified in the service procedure. Do not use paints, lubricants, or corrosion inhibitors on fasteners or fastener joint surfaces unless specified. These coatings affect fastener torque and joint clamping force and may damage the fastener. Use the correct tightening sequence and specifications when installing fasteners in order to avoid damage to parts and systems.

  4. Install the upper intake manifold bolts.
  5. Tighten

        • Tighten the vertical bolts in sequence to 15 N·m (11 lb ft).
        • Tighten the side bolts in sequence to 30 N·m (22 lb ft).

    Object Number: 403779  Size: SH
  6. Install the fuel injector rail.
  7. Install the fuel injector rail nuts.
  8. Tighten
    Tighten the fuel injector rail nuts to 9 N·m (80 lb in).


    Object Number: 403776  Size: SH
  9. Install the throttle body gasket.
  10. Install the throttle body.
  11. Install the throttle body nuts and bolt.
  12. Tighten
    Tighten the throttle body nuts and bolt to 10 N·m (89 lb in).


    Object Number: 403772  Size: SH
  13. Install the EGR outlet pipe to the intake manifold.
  14. Tighten
    Tighten the EGR outlet pipe bolt and nut to 29 N·m (21 lb ft).

  15. Install the manifold vacuum source.
  16. Install the rear generator mounting bracket and bolts.
  17. Tighten
    Tighten the bolts to 50 N·m (37 lb ft).

  18. Install the spark plug wires.