GM Service Manual Online
For 1990-2009 cars only
Figure 1:

BATT MAIN 1 - 2, IGN MAIN 1 - 2, HEADLAMPS, PARK LP, HVAC/RKE BATT, AIR, ECM SENSE, ALT SENSE, B/U LAMP, COOL FAN 1 - 2, FUEL PUMP, FOG LP, HORN, INJ, IGN 1 - UH, ELEK IGN, TCC, A/C CLU/ABS IGN Fuses


Object Number: 877266  Size: FS
Master Electrical Component List
BATT MAIN 1, ONSTAR, STOPLAMP, INT LAMP, and CIG LTR Fuses
Figure 2:

BATT MAIN 1, ONSTAR, STOP LAMP, INT LAMP, CIG LTR Fuses


Object Number: 877269  Size: FS
BATT MAIN 1, 2 IGN MAIN 1, 2 HEADLAMPS, PARK LP, HVAC/RKE BATT, AIR, ECM SENSE, ALT SENSE, B/U LAMP, COOL FAN 1, 2 FUEL PUMP, FOG LP, HORN, INJ, IGN1-UH, ELEK IGN, TCC, A/C CLU/ABS IGN Fuses
Master Electrical Component List
BATT MAIN 2, R DEFOG, H SEAT/LUM, PWR LOCK, RADIO AMP Fuses and SEAT Circuit Breaker
BATT MAIN 1, 2 IGN MAIN 1, 2 HEADLAMPS, PARK LP, HVAC/RKE BATT, AIR, ECM SENSE, ALT SENSE, B/U LAMP, COOL FAN 1, 2 FUEL PUMP, FOG LP, HORN, INJ, IGN1-UH, ELEK IGN, TCC, A/C CLU/ABS IGN Fuses
Figure 3:

BATT MAIN 2, R DEFOG, H SEAT/LUM, PWR LOCK, RADIO AMP Fuses, and SEAT Circuit Breaker


Object Number: 877276  Size: FS
BATT MAIN 1, 2 IGN MAIN 1, 2 HEADLAMPS, PARK LP, HVAC/RKE BATT, AIR, ECM SENSE, ALT SENSE, B/U LAMP, COOL FAN 1, 2 FUEL PUMP, FOG LP, HORN, INJ, IGN1-UH, ELEK IGN, TCC, A/C CLU/ABS IGN Fuses
Master Electrical Component List
HEADLAMPS, HVAC HI, PWR MIR, HAZARD, RAP, PASS-KEY Fuses and HEADLAMP Circuit Breaker
BATT MAIN 1, ONSTAR, STOPLAMP, INT LAMP, and CIG LTR Fuses
Figure 4:

HEADLAMPS, HVAC HI, PWR MIR, HAZARD, RAP, PASS-Key® Fuses and HEADLAMP Circuit Breaker


Object Number: 790710  Size: FS
BATT MAIN 1, 2 IGN MAIN 1, 2 HEADLAMPS, PARK LP, HVAC/RKE BATT, AIR, ECM SENSE, ALT SENSE, B/U LAMP, COOL FAN 1, 2 FUEL PUMP, FOG LP, HORN, INJ, IGN1-UH, ELEK IGN, TCC, A/C CLU/ABS IGN Fuses
Master Electrical Component List
PARK LP, HVAC/RKE BATT and Illum Fuses
BATT MAIN 2, R DEFOG, H SEAT/LUM, PWR LOCK, RADIO AMP Fuses and SEAT Circuit Breaker
Figure 5:

PARK LP, HVAC/RKE BATT, and STR WHL ILLUM Fuses


Object Number: 877284  Size: FS
Master Electrical Component List
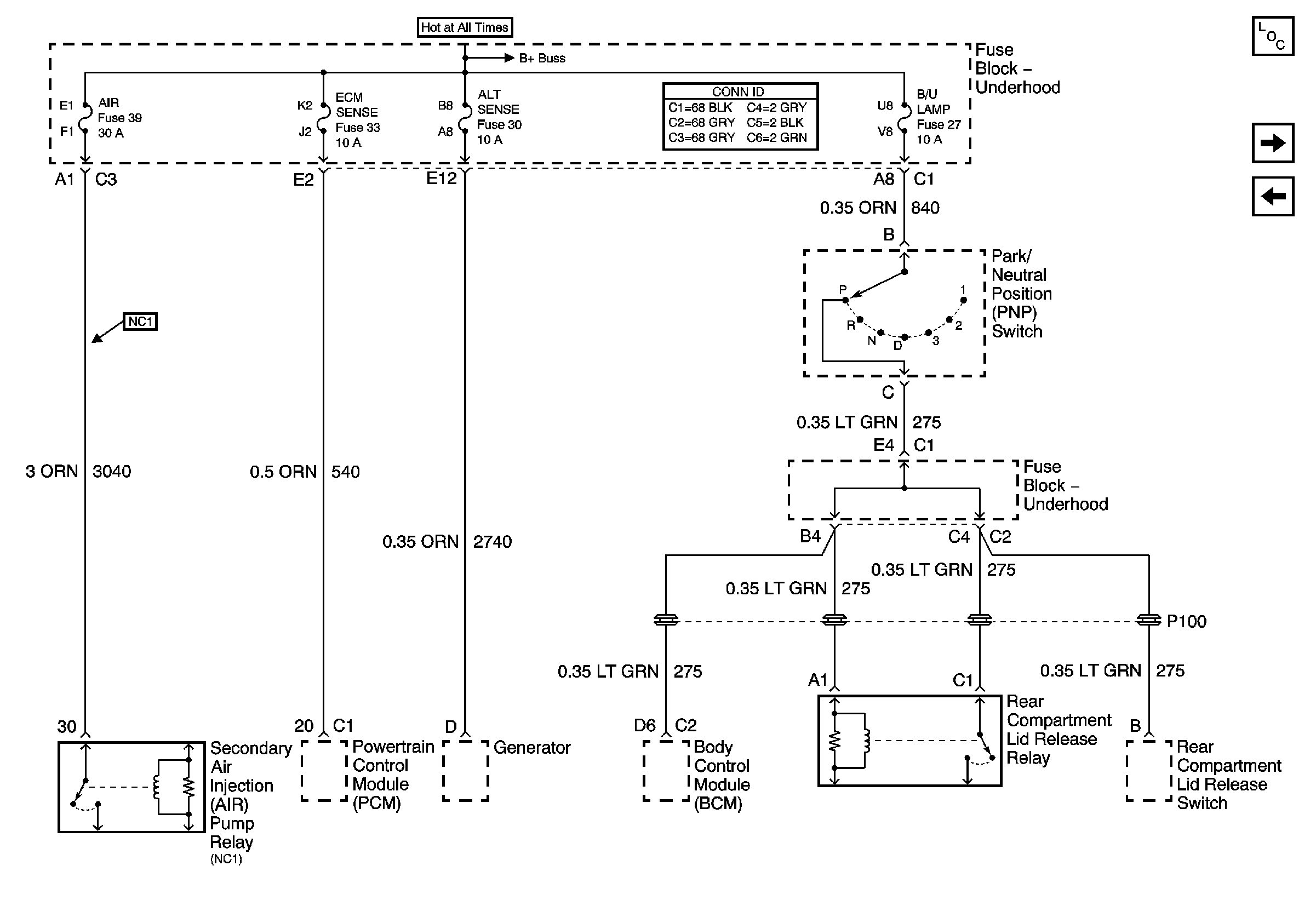
AIR, ECM SENSE, ALT SENSE, and B/U Lamp Fuses
HEADLAMPS, HVAC HI, PWR MIR, HAZARD, RAP, PASS-KEY Fuses and HEADLAMP Circuit Breaker
BATT MAIN 1, 2 IGN MAIN 1, 2 HEADLAMPS, PARK LP, HVAC/RKE BATT, AIR, ECM SENSE, ALT SENSE, B/U LAMP, COOL FAN 1, 2 FUEL PUMP, FOG LP, HORN, INJ, IGN1-UH, ELEK IGN, TCC, A/C CLU/ABS IGN Fuses
Headlamp Switch and Instrument Panel Lighting
SIR Caution for Zoning
Figure 6:

AIR, ECM SENSE, ALT SENSE, B/U LAMP Fuses


Object Number: 877292  Size: FS
BATT MAIN 1, 2 IGN MAIN 1, 2 HEADLAMPS, PARK LP, HVAC/RKE BATT, AIR, ECM SENSE, ALT SENSE, B/U LAMP, COOL FAN 1, 2 FUEL PUMP, FOG LP, HORN, INJ, IGN1-UH, ELEK IGN, TCC, A/C CLU/ABS IGN Fuses
Master Electrical Component List
INJ Fuse and S109 (RPO LG8)
PARK LP, HVAC/RKE BATT and Illum Fuses
Figure 7:

INJ Fuse and S109 (RPO LG8)


Object Number: 790716  Size: FS
BATT MAIN 1, 2 IGN MAIN 1, 2 HEADLAMPS, PARK LP, HVAC/RKE BATT, AIR, ECM SENSE, ALT SENSE, B/U LAMP, COOL FAN 1, 2 FUEL PUMP, FOG LP, HORN, INJ, IGN1-UH, ELEK IGN, TCC, A/C CLU/ABS IGN Fuses
Master Electrical Component List
INJ Fuse (RPO L36, L67)
AIR, ECM SENSE, ALT SENSE, and B/U Lamp Fuses
Figure 8:

INJ Fuse (RPO L36, L67)


Object Number: 790718  Size: FS
BATT MAIN 1, 2 IGN MAIN 1, 2 HEADLAMPS, PARK LP, HVAC/RKE BATT, AIR, ECM SENSE, ALT SENSE, B/U LAMP, COOL FAN 1, 2 FUEL PUMP, FOG LP, HORN, INJ, IGN1-UH, ELEK IGN, TCC, A/C CLU/ABS IGN Fuses
Master Electrical Component List
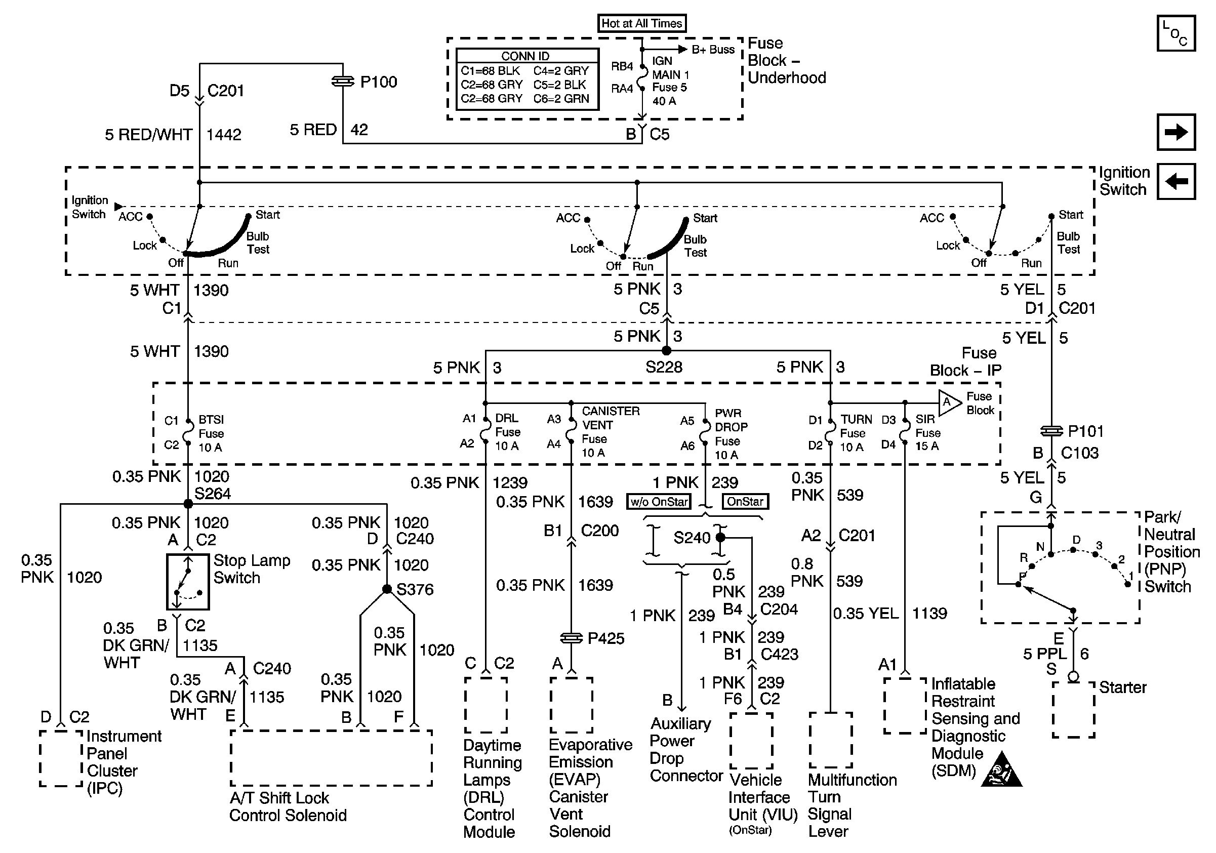
IGN 1-UH Fuse
INJ Fuse and S109 (RPO LG8)
Figure 9:

IGN 1-UH Fuse


Object Number: 877297  Size: FS
BATT MAIN 1, 2 IGN MAIN 1, 2 HEADLAMPS, PARK LP, HVAC/RKE BATT, AIR, ECM SENSE, ALT SENSE, B/U LAMP, COOL FAN 1, 2 FUEL PUMP, FOG LP, HORN, INJ, IGN1-UH, ELEK IGN, TCC, A/C CLU/ABS IGN Fuses
Master Electrical Component List
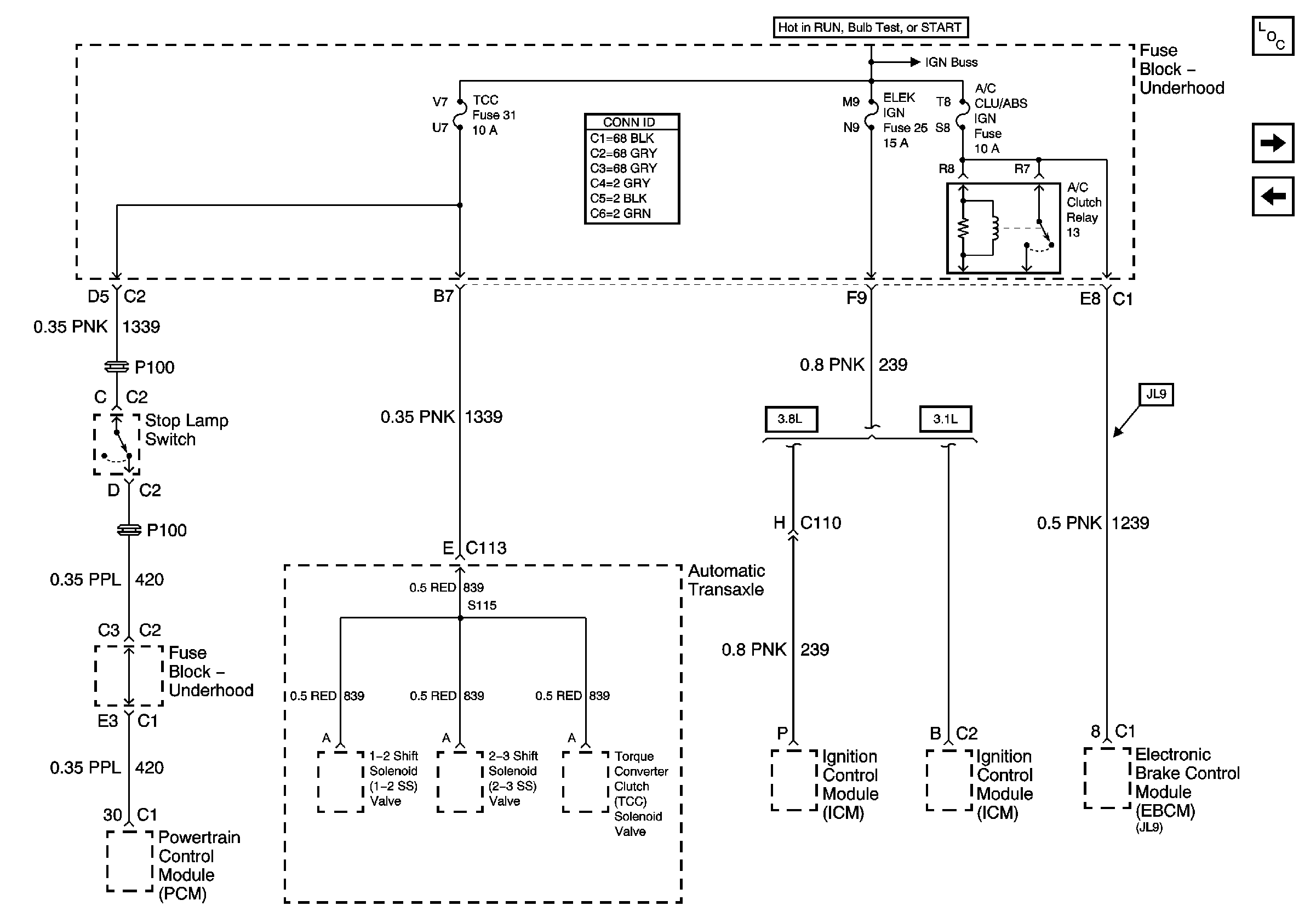
TCC, ELEK IGN, and A/C CLU/ABS IGN Fuses
INJ Fuse (RPO L36, L67)
Figure 10:

TCC, ELEK IGN, and A/C CLU/ABS IGN Fuses


Object Number: 877301  Size: FS
BATT MAIN 1, 2 IGN MAIN 1, 2 HEADLAMPS, PARK LP, HVAC/RKE BATT, AIR, ECM SENSE, ALT SENSE, B/U LAMP, COOL FAN 1, 2 FUEL PUMP, FOG LP, HORN, INJ, IGN1-UH, ELEK IGN, TCC, A/C CLU/ABS IGN Fuses
Master Electrical Component List
IGN MAIN 1, BTSI, DRL, CANISTER VENT, PWR DROP, TURN, and SIR Fuses
IGN 1-UH Fuse
Figure 11:

IGN MAIN 1, BTSI, DRL, CANISTER VENT, PWR DROP, TURN, SIR Fuses


Object Number: 877303  Size: FS
Master Electrical Component List
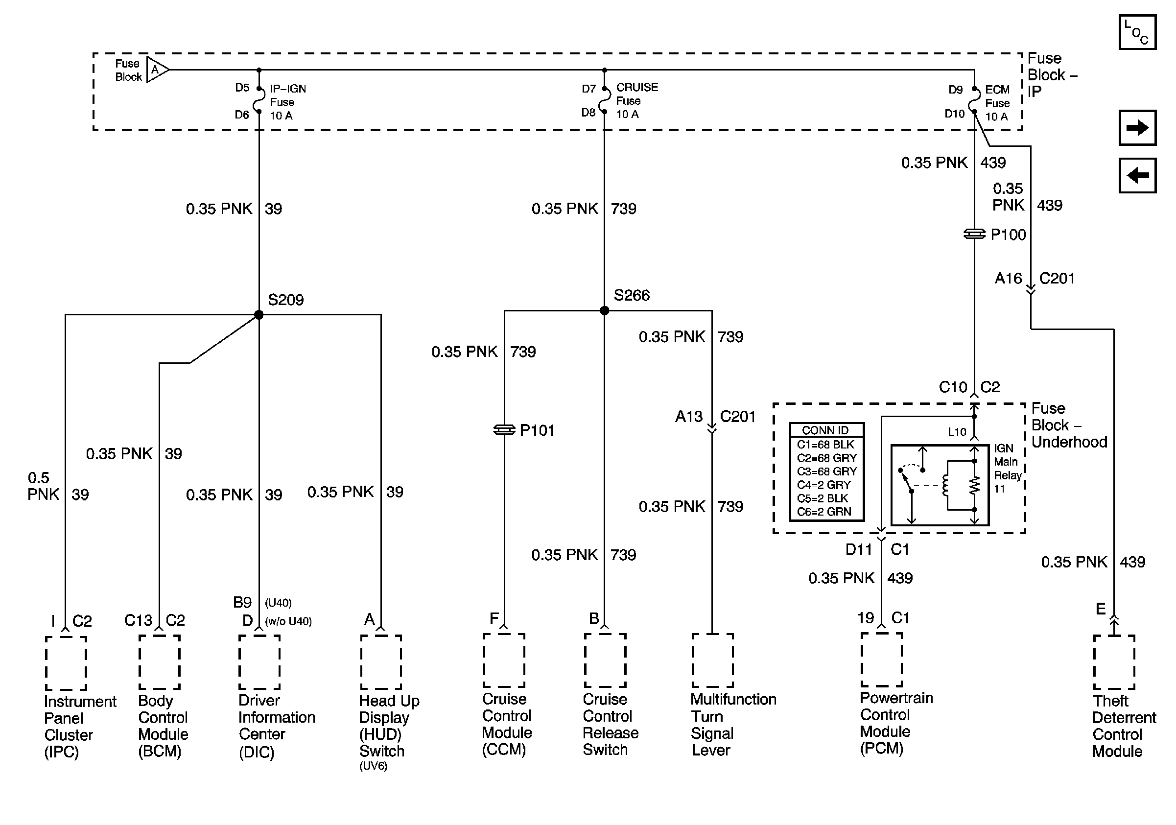
IP-IGN, CRUISE, and ECM Fuses
TCC, ELEK IGN, and A/C CLU/ABS IGN Fuses
BATT MAIN 1, 2 IGN MAIN 1, 2 HEADLAMPS, PARK LP, HVAC/RKE BATT, AIR, ECM SENSE, ALT SENSE, B/U LAMP, COOL FAN 1, 2 FUEL PUMP, FOG LP, HORN, INJ, IGN1-UH, ELEK IGN, TCC, A/C CLU/ABS IGN Fuses
IP-IGN, CRUISE, and ECM Fuses
SIR Caution for Zoning
Figure 12:

IP-IGN, CRUISE, ECM Fuses


Object Number: 790722  Size: FS
Master Electrical Component List
IGN MAIN 2, RADIO, SUNROOF, STR WHL CTRL, WIPER, MALL, MALL PGM Fuses, and PWR WDO Circuit Breaker
IGN MAIN 1, BTSI, DRL, CANISTER VENT, PWR DROP, TURN, and SIR Fuses
IGN MAIN 1, BTSI, DRL, CANISTER VENT, PWR DROP, TURN, and SIR Fuses
Figure 13:

IGN MAIN 2, RADIO, SUNROOF, STR WHL CTRL, WIPER, MALL, MALL PGM Fuses, and PWR WDO Circuit Breaker


Object Number: 877305  Size: FS
Master Electrical Component List
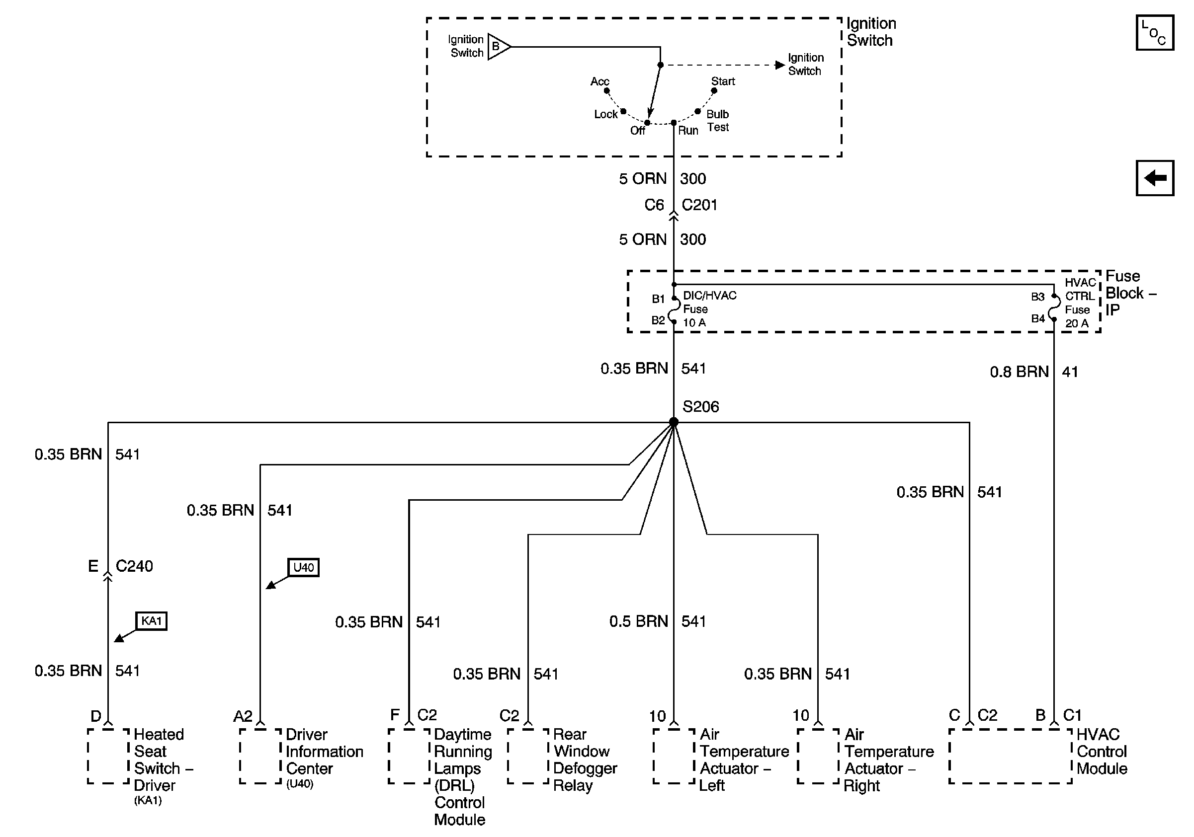
DIC/HVAC, and HVAC CTRL Fuses
IP-IGN, CRUISE, and ECM Fuses
BATT MAIN 1, 2 IGN MAIN 1, 2 HEADLAMPS, PARK LP, HVAC/RKE BATT, AIR, ECM SENSE, ALT SENSE, B/U LAMP, COOL FAN 1, 2 FUEL PUMP, FOG LP, HORN, INJ, IGN1-UH, ELEK IGN, TCC, A/C CLU/ABS IGN Fuses
DIC/HVAC, and HVAC CTRL Fuses
SIR Caution for Zoning
Figure 14:

DIC/HVAC, HVAC CTRL Fuses


Object Number: 877308  Size: FS
Master Electrical Component List
IGN MAIN 2, RADIO, SUNROOF, STR WHL CTRL, WIPER, MALL, MALL PGM Fuses, and PWR WDO Circuit Breaker
IGN MAIN 2, RADIO, SUNROOF, STR WHL CTRL, WIPER, MALL, MALL PGM Fuses, and PWR WDO Circuit Breaker