GM Service Manual Online
For 1990-2009 cars only
Makes
🢒
Pontiac
🢒
2003
🢒
Grand Prix
🢒
Brakes
🢒
Hydraulic Brakes
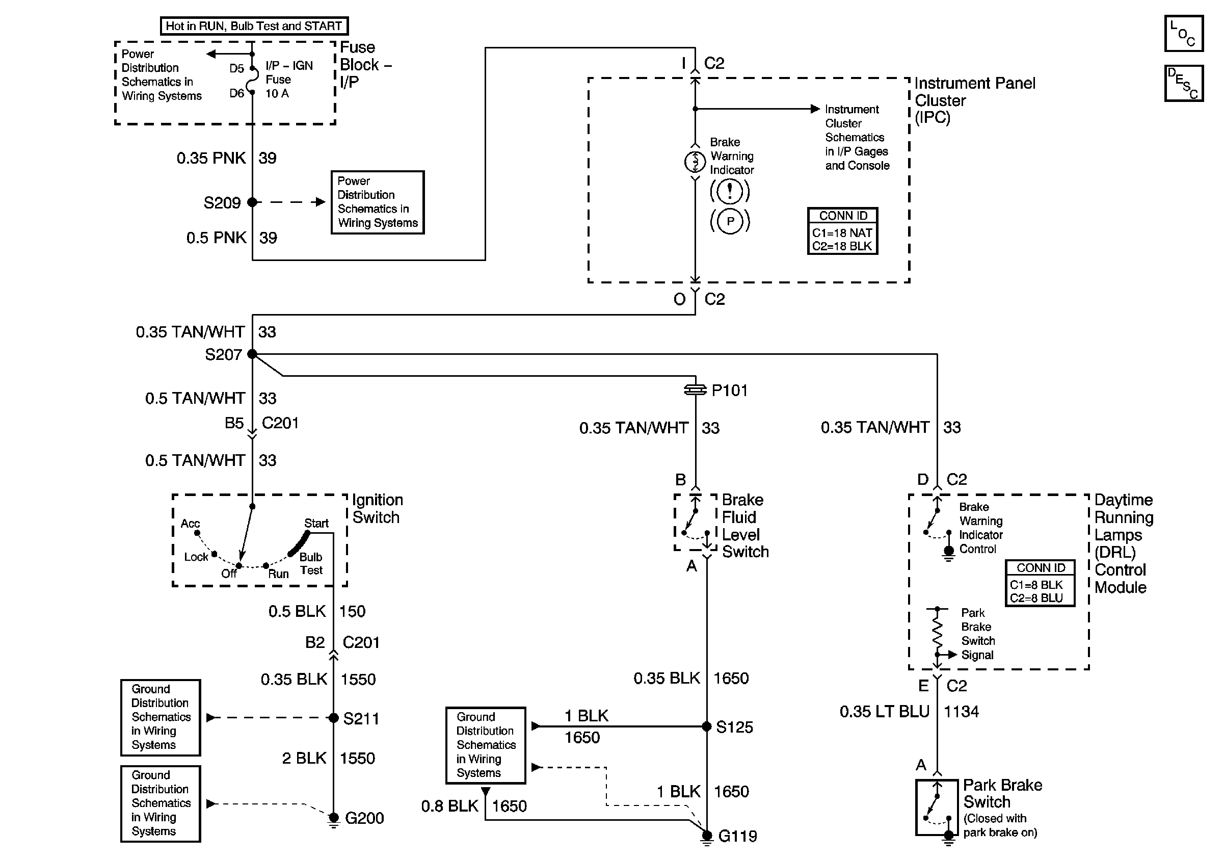
🢒 Brake Warning System Schematics
Master Electrical Component List
Brake Warning System Description and Operation
IP-IGN, CRUISE, and ECM Fuses
IP-IGN, CRUISE, and ECM Fuses
Indicators
G200, S211, S285
G119
G200, G213, S375