GM Service Manual Online
For 1990-2009 cars only
Figure 1:

Blower Motor Controls


Object Number: 792555  Size: FS
Master Electrical Component List
Air Delivery Description and Operation
A/C Compressor Controls
DIC/HVAC, and HVAC CTRL Fuses
HEADLAMPS, HVAC HI, PWR MIR, HAZARD, RAP, PASS-KEY Fuses and HEADLAMP Circuit Breaker
G200, G213, S375
G200, S211, S285
Figure 2:

A/C Compressor Controls


Object Number: 792556  Size: FS
Master Electrical Component List
Air Temperature Description and Operation
Air Temperature Control
Blower Motor Controls
DIC/HVAC, and HVAC CTRL Fuses
DIC/HVAC, and HVAC CTRL Fuses
PARK LP, HVAC/RKE BATT and Illum Fuses
BATT MAIN 1, 2 IGN MAIN 1, 2 HEADLAMPS, PARK LP, HVAC/RKE BATT, AIR, ECM SENSE, ALT SENSE, B/U LAMP, COOL FAN 1, 2 FUEL PUMP, FOG LP, HORN, INJ, IGN1-UH, ELEK IGN, TCC, A/C CLU/ABS IGN Fuses
BATT MAIN 1, 2 IGN MAIN 1, 2 HEADLAMPS, PARK LP, HVAC/RKE BATT, AIR, ECM SENSE, ALT SENSE, B/U LAMP, COOL FAN 1, 2 FUEL PUMP, FOG LP, HORN, INJ, IGN1-UH, ELEK IGN, TCC, A/C CLU/ABS IGN Fuses
TCC, ELEK IGN, and A/C CLU/ABS IGN Fuses
G117
G200, G213, S375
G117
G200, S211, S285
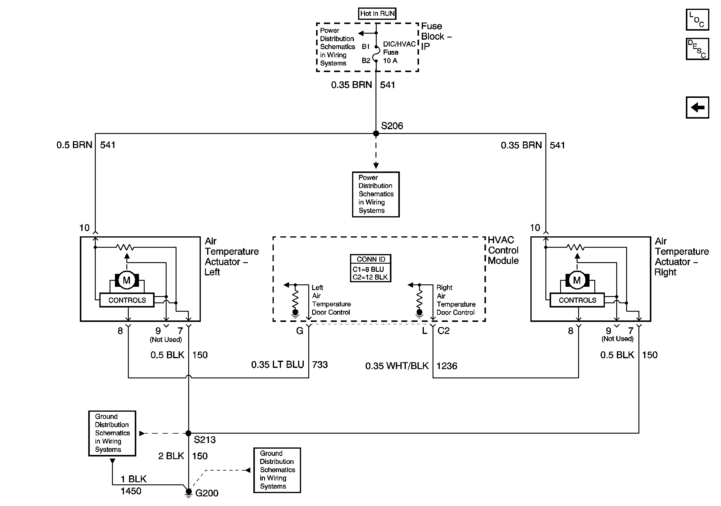
Figure 3:

Air Temperature Control


Object Number: 874523  Size: FS
Master Electrical Component List
Air Temperature Description and Operation
A/C Compressor Controls
DIC/HVAC, and HVAC CTRL Fuses
DIC/HVAC, and HVAC CTRL Fuses
G200, G213, S375
G200, S211, S285