GM Service Manual Online
For 1990-2009 cars only
Figure 1:

Rear Turn Signals and Stop Lamps


Object Number: 797071  Size: FS
Master Electrical Component List
Exterior Lighting Systems Description and Operation
Park Lamps Rear
IGN MAIN 1, BTSI, DRL, CANISTER VENT, PWR DROP, TURN, and SIR Fuses
HEADLAMPS, HVAC HI, PWR MIR, HAZARD, RAP, PASS-KEY Fuses and HEADLAMP Circuit Breaker
BATT MAIN 1, ONSTAR, STOPLAMP, INT LAMP, and CIG LTR Fuses
G200, S230
Cruise Control
ABS Indicator, Torque Signals, and Steering
G200, G213, S375
G200, S211, S285
Front Park and Turn Signal Lamps
Front Park and Turn Signal Lamps
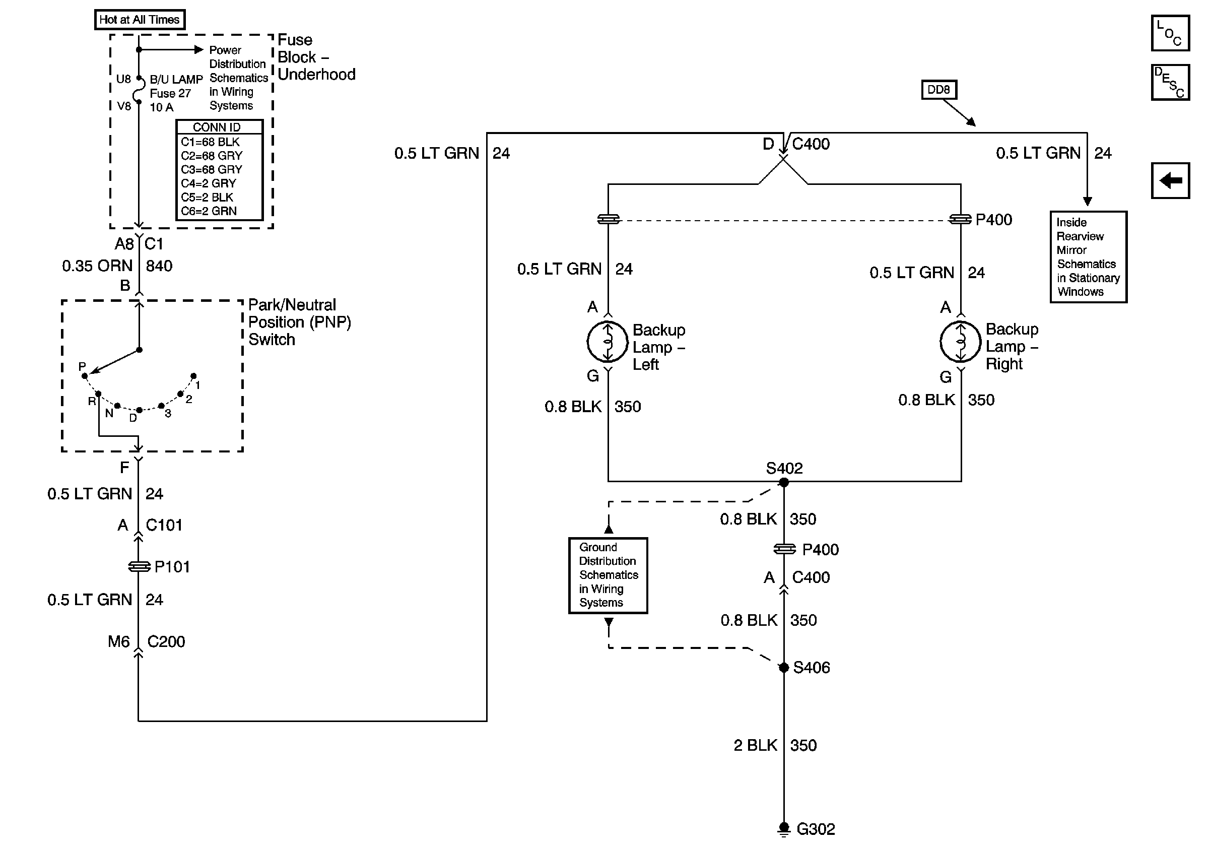
G302, S402, S406, S416
Figure 2:

Park Lamps Rear


Object Number: 877040  Size: FS
Master Electrical Component List
Exterior Lighting Systems Description and Operation
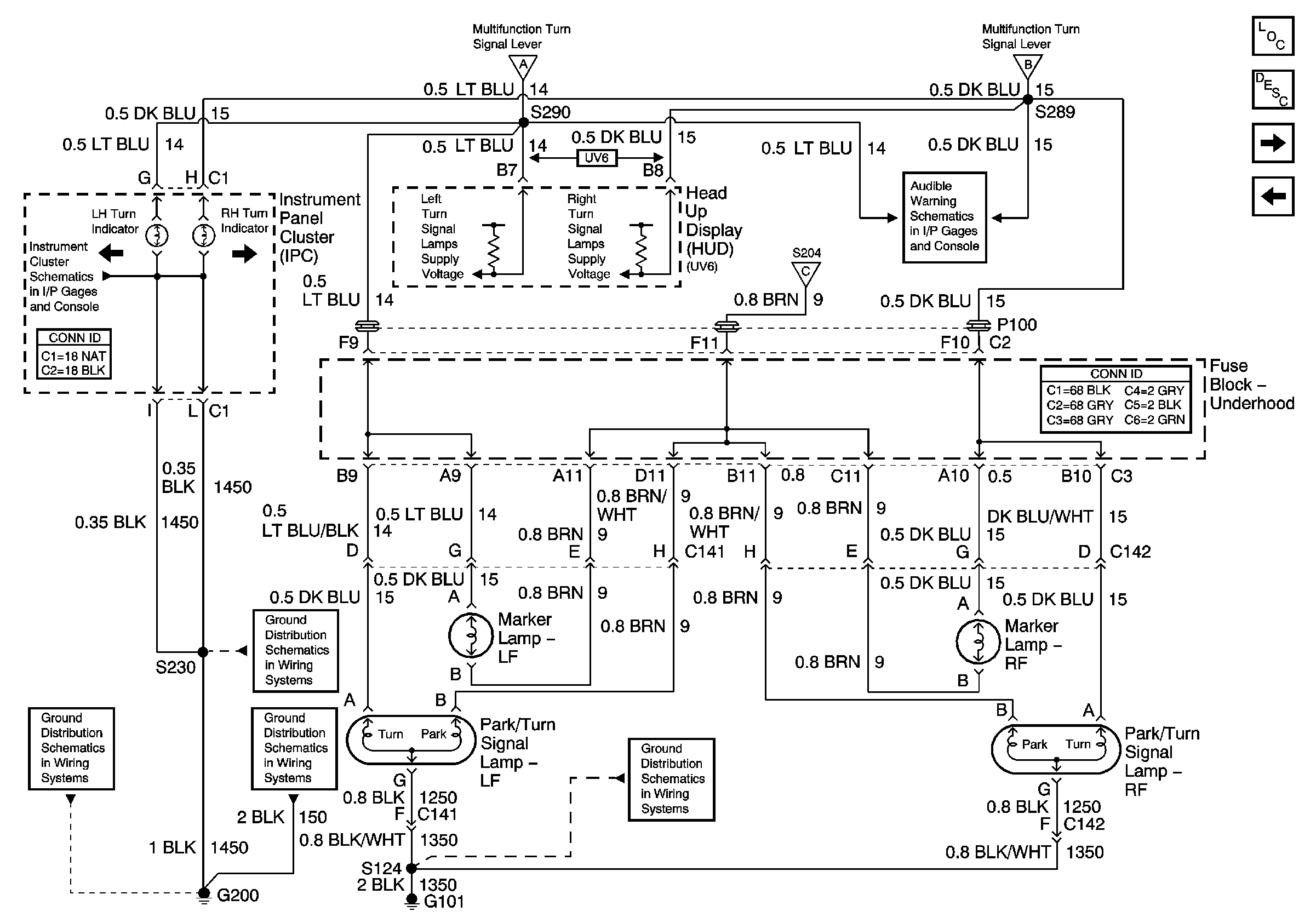
Front Park and Turn Signal Lamps
Rear Turn Signals and Stop Lamps
PARK LP, HVAC/RKE BATT and Illum Fuses
PARK LP, HVAC/RKE BATT and Illum Fuses
Headlamp Switch and Instrument Panel Lighting
Fog Lights
Front Park and Turn Signal Lamps
G302, S402, S406, S416
Figure 3:

Front Park and Turn Signal Lamps


Object Number: 877042  Size: FS
Master Electrical Component List
Exterior Lighting Systems Description and Operation
Backup Lights
Park Lamps Rear
Rear Turn Signals and Stop Lamps
Rear Turn Signals and Stop Lamps
Power, Ground, Illumination, and Seat belt, Turn Signal, Hi Beam Indicators
Park Lamps Rear
Audible Warning
G200, S230
G200, S211, S285
G200, G213, S375
G101
Figure 4:

Backup Lights


Object Number: 877043  Size: FS
Master Electrical Component List
Exterior Lighting Systems Description and Operation
Front Park and Turn Signal Lamps
AIR, ECM SENSE, ALT SENSE, and B/U Lamp Fuses
Automatic Day-Night Mirrors
G302, S402, S406, S416