GM Service Manual Online
For 1990-2009 cars only
Makes
🢒
Pontiac
🢒
2003
🢒
Grand Prix
🢒
Body and Accessories
🢒
Lighting Systems
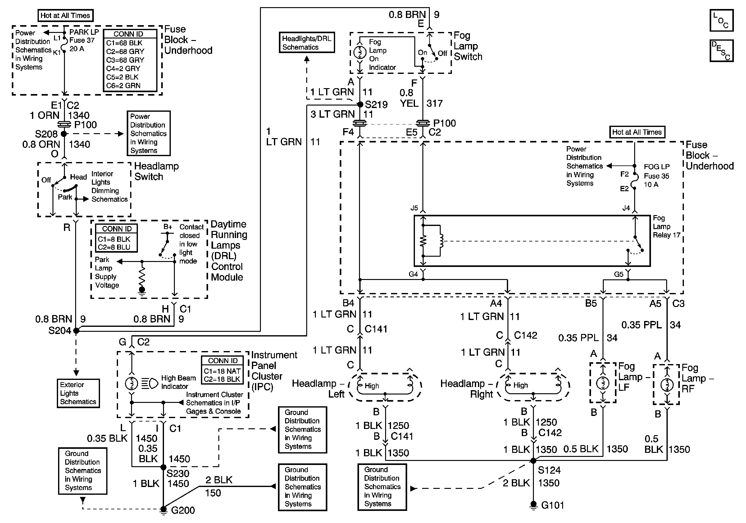
🢒 Fog Lights Schematics
Master Electrical Component List
Exterior Lighting Systems Description and Operation
PARK LP, HVAC/RKE BATT and Illum Fuses
PARK LP, HVAC/RKE BATT and Illum Fuses
Daytime Running Lamps (DRL) Control Module Outputs
BATT MAIN 1, 2 IGN MAIN 1, 2 HEADLAMPS, PARK LP, HVAC/RKE BATT, AIR, ECM SENSE, ALT SENSE, B/U LAMP, COOL FAN 1, 2 FUEL PUMP, FOG LP, HORN, INJ, IGN1-UH, ELEK IGN, TCC, A/C CLU/ABS IGN Fuses
Headlamp Switch and Instrument Panel Lighting
Park Lamps Rear
Power, Ground, Illumination, and Seat belt, Turn Signal, Hi Beam Indicators
G200, S230
G200, S211, S285
G200, G213, S375
G101