GM Service Manual Online
For 1990-2009 cars only
Makes
🢒
Pontiac
🢒
2003
🢒
Grand Prix
🢒 Seat Belts
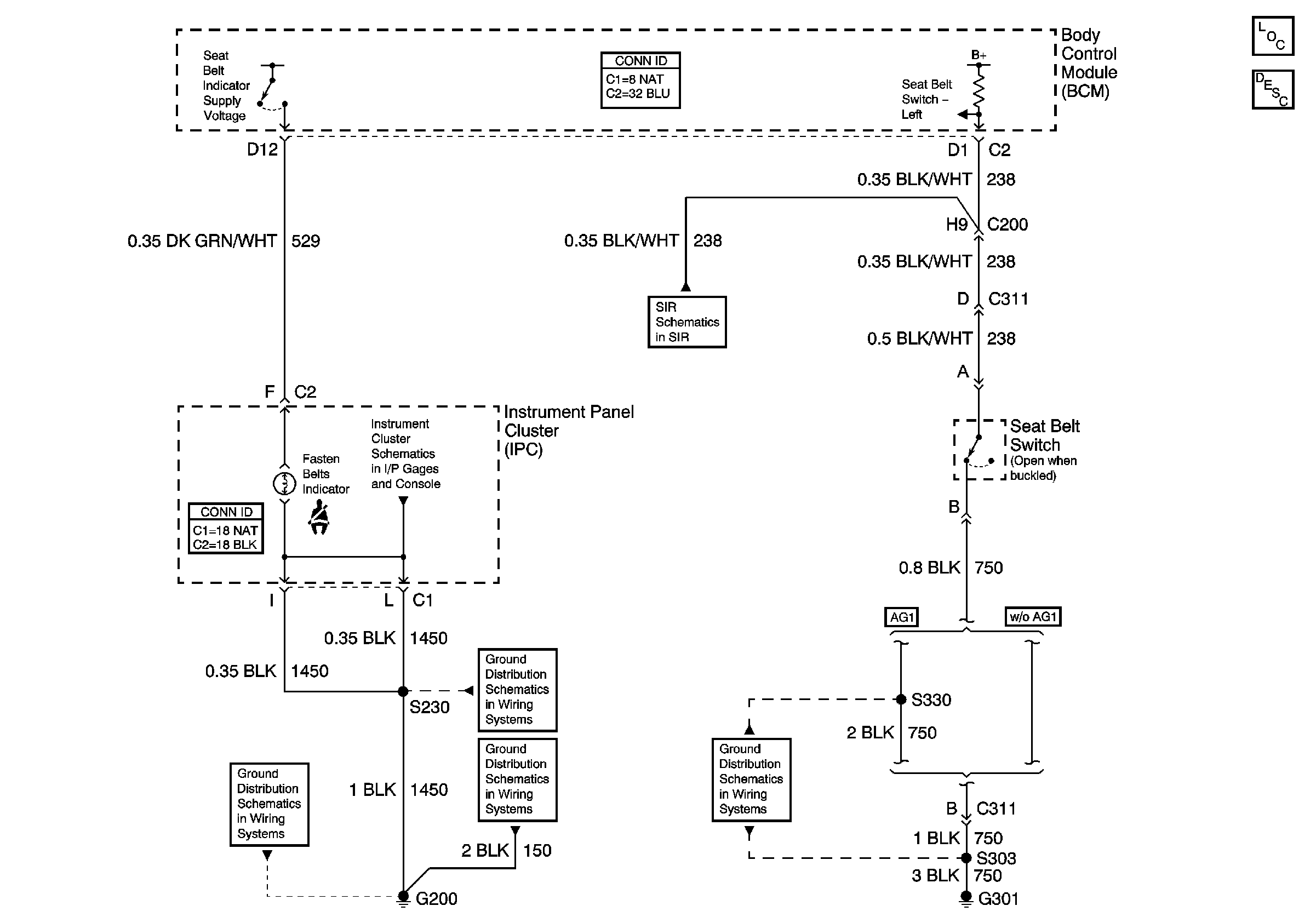
Seat Belts
Master Electrical Component List
Seat Belt System Description and Operation
SIR
Power, Ground, Illumination, and Seat belt, Turn Signal, Hi Beam Indicators
G200, S230
G200, S211, S285
G200, G213, S375
G301