GM Service Manual Online
For 1990-2009 cars only
Makes
🢒
Pontiac
🢒
2003
🢒
Grand Prix
🢒 Body Rear End
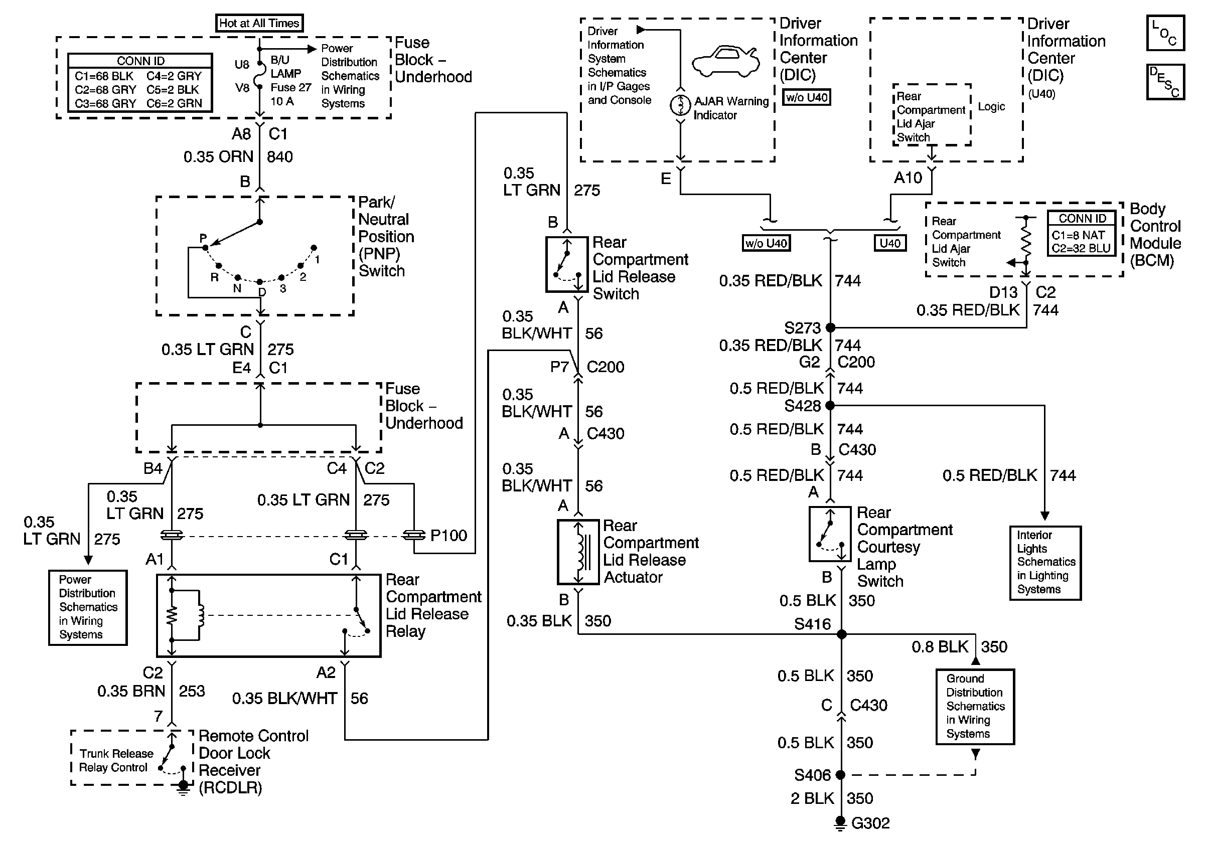
Body Rear End
Master Electrical Component List
Luggage Compartment Description and Operation
AIR, ECM SENSE, ALT SENSE, and B/U Lamp Fuses
Driver Information Center (DIC) (w/o U40)
AIR, ECM SENSE, ALT SENSE, and B/U Lamp Fuses
Instrument Panel and Rear Compartment Lamps
G302, S402, S406, S416