GM Service Manual Online
For 1990-2009 cars only
Makes
🢒
Pontiac
🢒
2004
🢒
Grand Prix
🢒 EVAP Solenoids, FTP Sensor, and EGR Valve
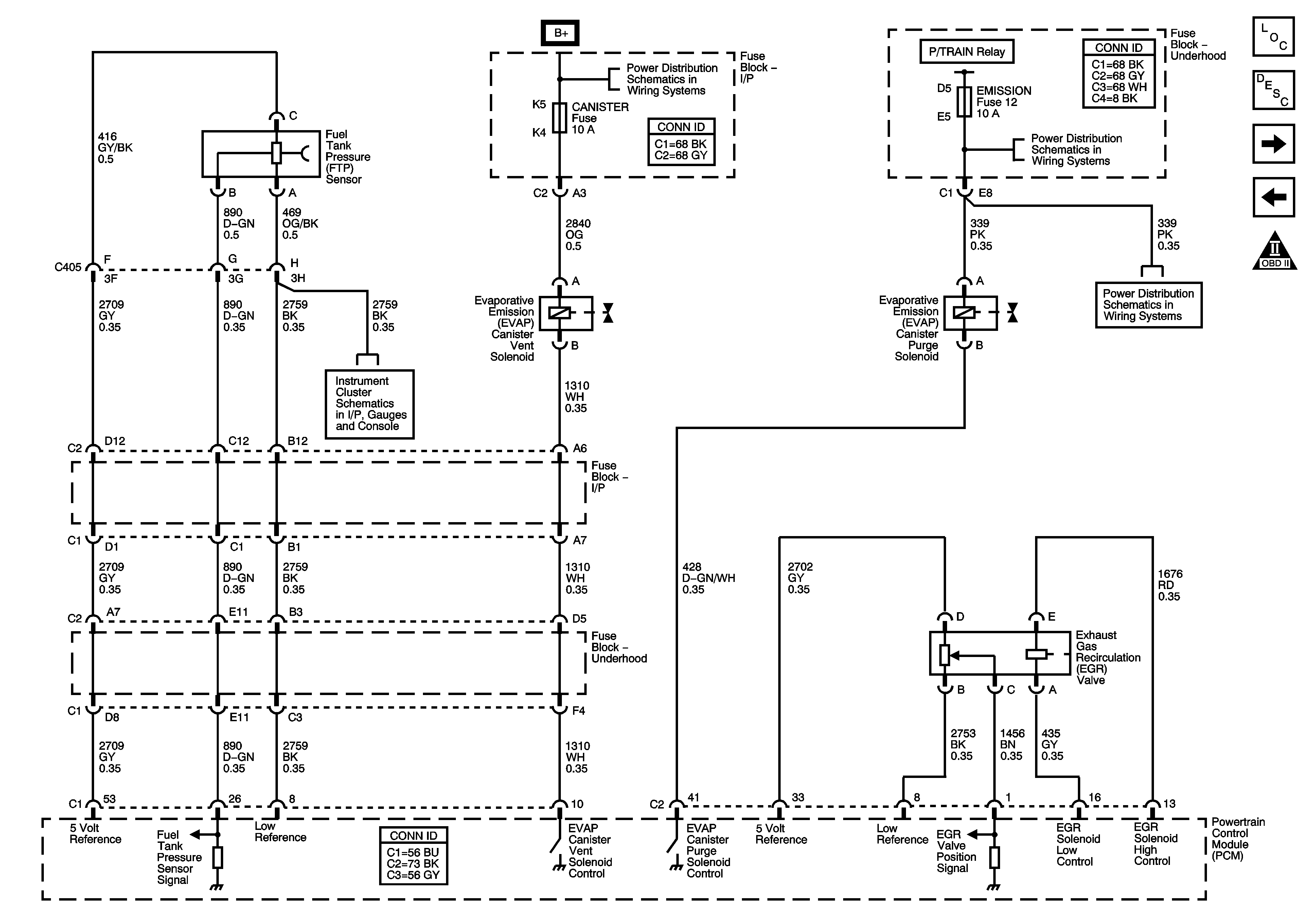
EVAP Solenoids, FTP Sensor, and EGR Valve
EVAP Solenoids, FTP Sensor, and EGR Valve
Master Electrical Component List
Evaporative Emission Control System Description
Controlled/Monitored Subsystem References
Fuel Injectors
Engine Controls Schematic Icons
BATT MAIN 1, PK LAMPS, DISPLAYS, CHMSL/BKUP, INT LIGHT, RFA/MOD, RADIO/AMP, ONSTAR/ALDL, HVAC, CANISTER Fuses, and PK LP Relay
BATT MAIN 1, PK LAMPS, DISPLAYS, CHMSL/BKUP, INT LIGHT, RFA/MOD, RADIO/AMP, ONSTAR/ALDL, HVAC, CANISTER Fuses, and PK LP Relay
PCM Power, Ground, MIL, and Serial Data
ETC, ELEK IGN, FUEL INJ, 02 SSR, and Emission Fuses
04 W Pontiac Instrument Cluster Schematics - Power, Ground and Gages
ETC, ELEK IGN, FUEL INJ, 02 SSR, and Emission Fuses