GM Service Manual Online
For 1990-2009 cars only

    Object Number: 189735  Size: SH
  1. Install the supercharger gasket.

  2. Object Number: 42224  Size: SH
  3. Install the supercharger.
  4. Notice: Use the correct fastener in the correct location. Replacement fasteners must be the correct part number for that application. Fasteners requiring replacement or fasteners requiring the use of thread locking compound or sealant are identified in the service procedure. Do not use paints, lubricants, or corrosion inhibitors on fasteners or fastener joint surfaces unless specified. These coatings affect fastener torque and joint clamping force and may damage the fastener. Use the correct tightening sequence and specifications when installing fasteners in order to avoid damage to parts and systems.

  5. Install the bolts and stud to the supercharger in the proper locations.
  6. Tighten
    Tighten the stud/bolts to 23 N·m (17 lb ft).


    Object Number: 965445  Size: SH
  7. Install the throttle body and seal.
  8. Install the throttle body bolts and nuts.
  9. Tighten
    Tighten the throttle body bolts and nuts to 10 N·m (89 lb in).


    Object Number: 1210601  Size: SH
  10. Install the MAP/BARO sensor bracket and bolts.
  11. Tighten
    Tighten the MAP/BARO sensor bracket bolts to 30 N·m (22 lb ft).


    Object Number: 1210599  Size: SH
  12. Install the MAP and BARO sensors.
  13. Install the MAP and BARO sensor retaining clips.

  14. Object Number: 965410  Size: SH
  15. Install the engine wiring harness heat shield.
  16. Install the engine wiring harness heat shield bolt and nut.
  17. Tighten
    Tighten the engine wiring harness heat shield bolt and nut to 10 N·m (89 lb in).


    Object Number: 965407  Size: SH
  18. Install the supercharger bypass valve, hose and nut.
  19. Tighten
    Tighten the supercharger bypass valve nut to 10 N·m (89 lb in).


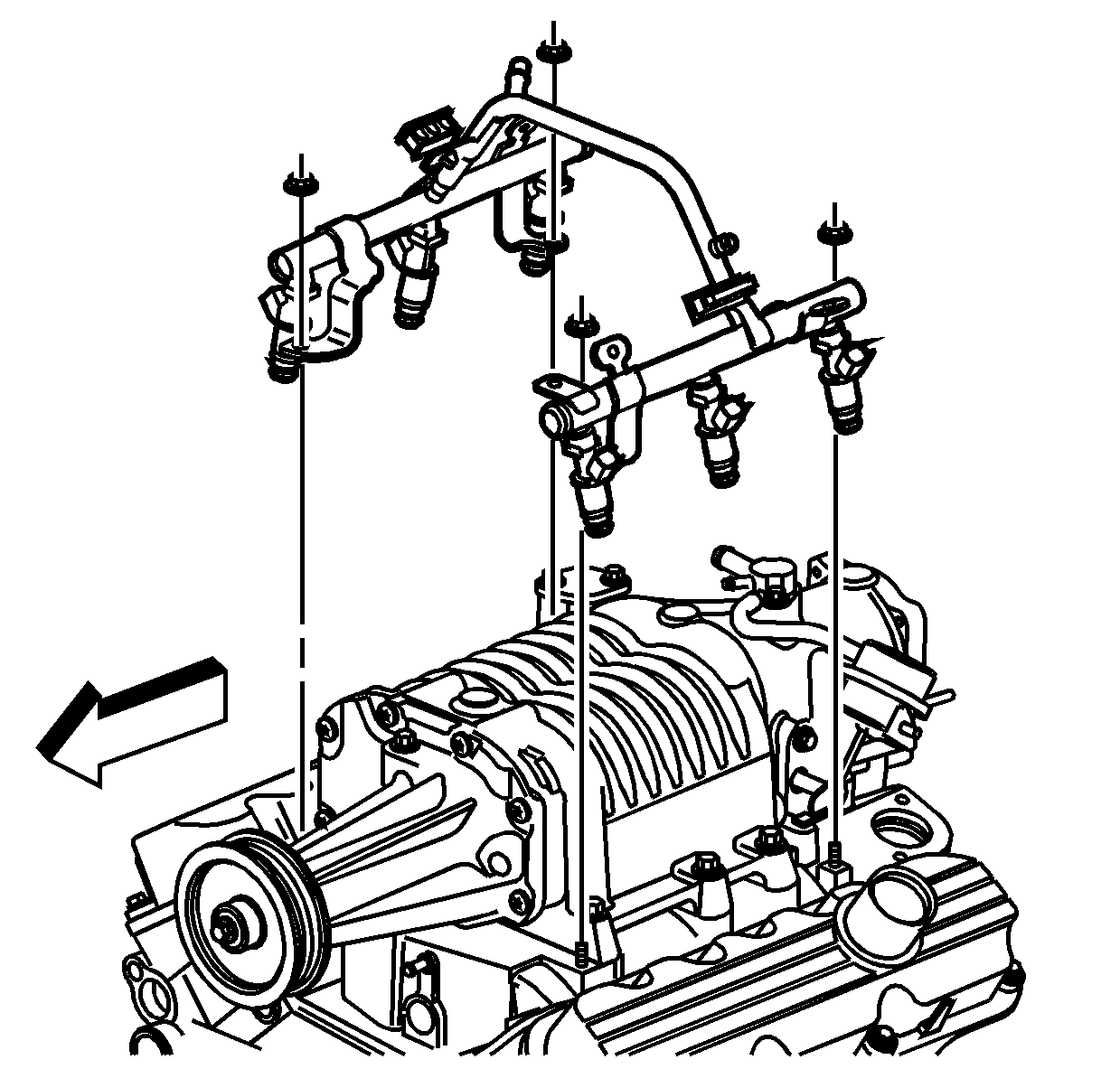
    Object Number: 965397  Size: SH
  20. Install the fuel rail.
  21. Install the fuel rail nuts.
  22. Tighten
    Tighten the fuel rail nuts to 10 N·m (89 lb in).

  23. Install the supercharger bypass valve harness.
  24. Install the wiring harness to the fuel rail.
  25. Install the spark plug wires to the retaining clips and spark plugs.