GM Service Manual Online
For 1990-2009 cars only

Removal Procedure

  1. Remove the radiator lower radiator air baffle . Refer to Radiator Air Lower Baffle and Deflector Replacement .

  2. Object Number: 1204143  Size: SH
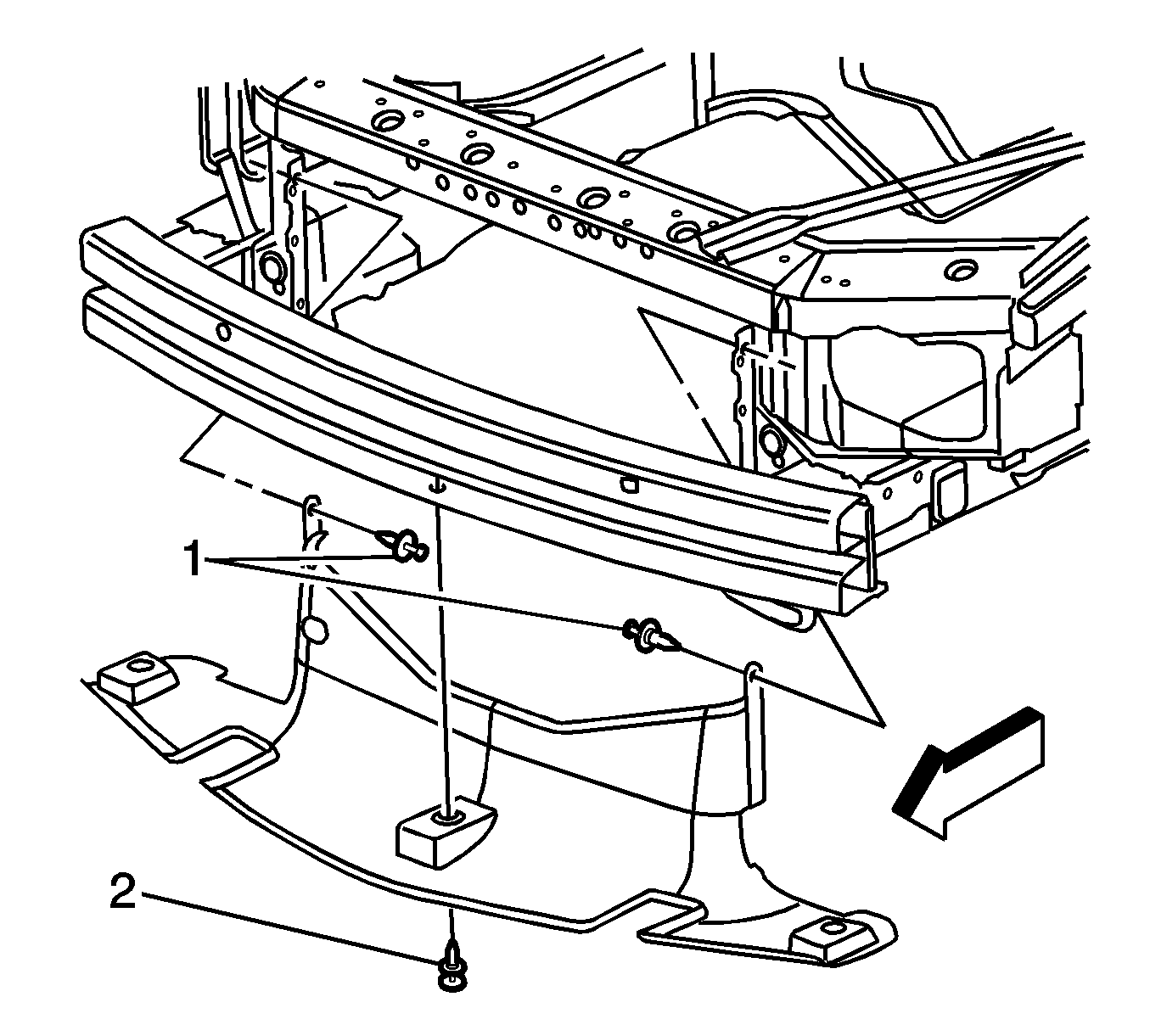
  3. Remove the center retainer from the upper radiator air baffle (2).
  4. Remove the upper retainers from the upper radiator air baffle (1).

  5. Object Number: 907819  Size: SH
  6. Remove the ambient air temperature sensor.
  7. Remove the upper radiator air baffle.

Installation Procedure

  1. Install the upper radiator air baffle.

  2. Object Number: 907819  Size: SH
  3. Install the ambient air temperature sensor.

  4. Object Number: 1204143  Size: SH
  5. Install the upper radiator air baffle retainers (1).
  6. Install the center radiator air baffle retainer (2).
  7. Install the lower radiator air baffle. Refer to Radiator Air Lower Baffle and Deflector Replacement .