GM Service Manual Online
For 1990-2009 cars only
Makes
🢒
Pontiac
🢒
2005
🢒
Grand Prix
🢒
Engine
🢒
Engine Controls - 3.8L
🢒 Instrument Cluster Schematics
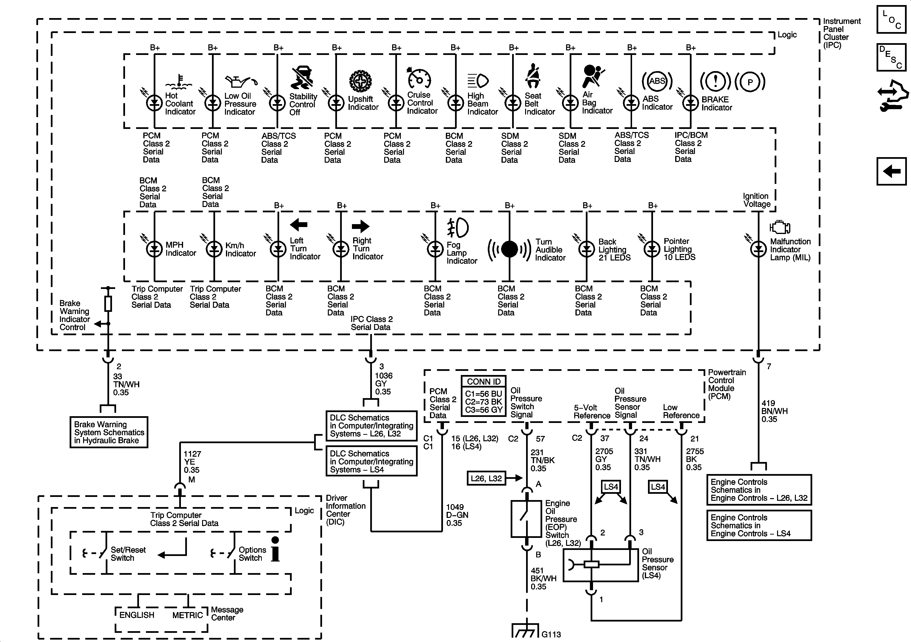
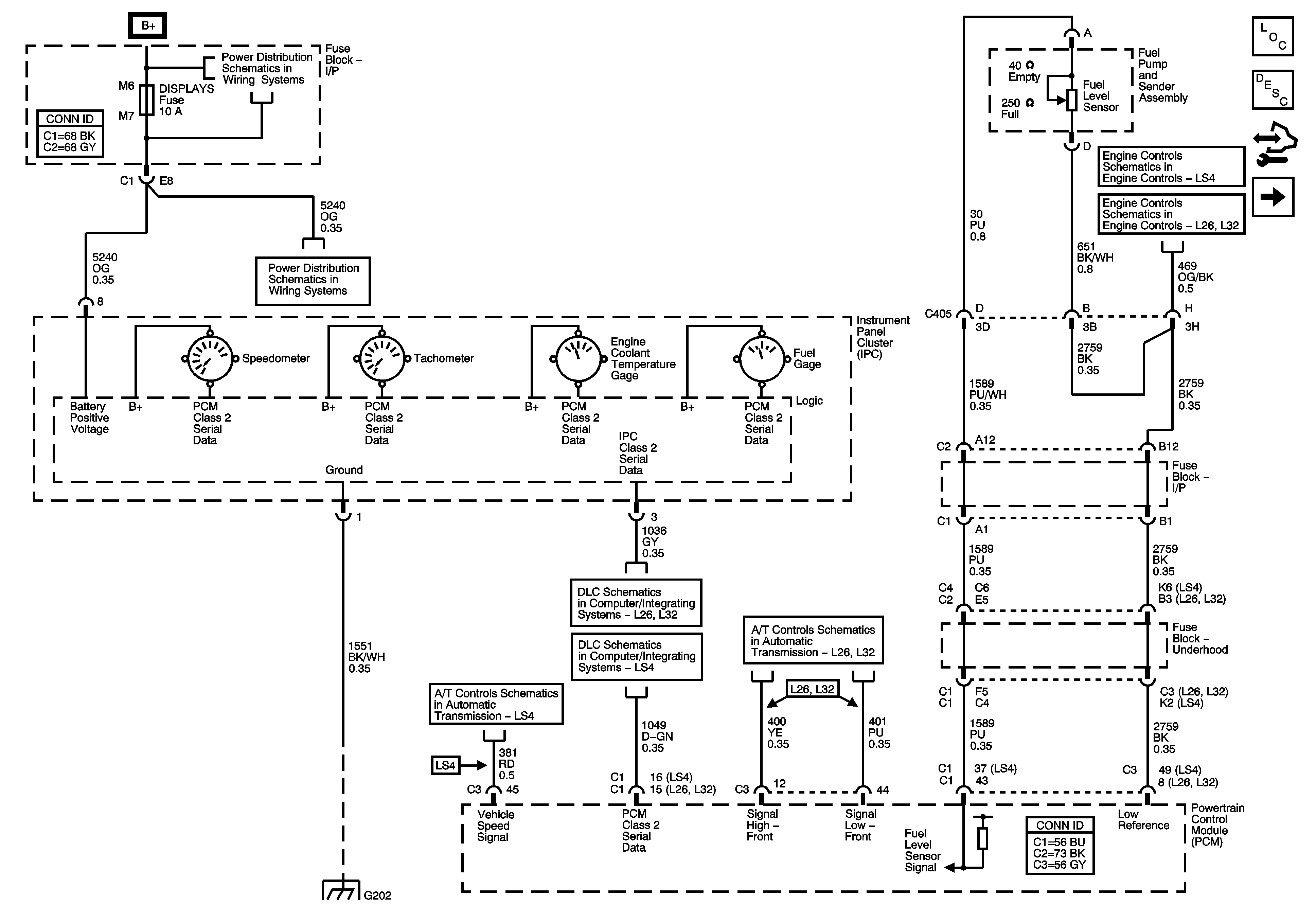
Figure
1:
Power, Ground, and Gages
Master Electrical Component List
Instrument Cluster Description and Operation
Control Module References
Indicators
BATT MAIN 1, PK LAMPS, DISPLAS, CHMSL/BKUP, INT LIGHT, RFA MOD, RADIO/AMP, ONSTAR/ALDL, HVAC, CANISTER Fuses and PKLP Relay
BATT MAIN 1, PK LAMPS, DISPLAS, CHMSL/BKUP, INT LIGHT, RFA MOD, RADIO/AMP, ONSTAR/ALDL, HVAC, CANISTER Fuses and PKLP Relay
BATT MAIN 1, PK LAMPS, DISPLAS, CHMSL/BKUP, INT LIGHT, RFA MOD, RADIO/AMP, ONSTAR/ALDL, HVAC, CANISTER Fuses and PKLP Relay
EVAP Solenoids and FTP Sensor
EVAP Solenoids, FTP Sensor, and EGR Valve
Data Link Communication
VSS and AT ISS Sensors, Pressure Control Solenoid Valve, and TCC Release Switch
LS4
VSS and AT Sensors, Pressure Control Solenoid Valve and TCC Release Switch
G202
Figure
2:
Indicators
Master Electrical Component List
Indicator/Warning Message Description and Operation
Control Module References
Power, Ground, and Gages
Data Link Communication
Brake Warning
LS4
ECM Power, Ground, MIL, and Serial Data
PCM Power, Ground, MIL, and Serial Data
G101, G112 (L26/L32), and G113 (L26/L32)