GM Service Manual Online
For 1990-2009 cars only

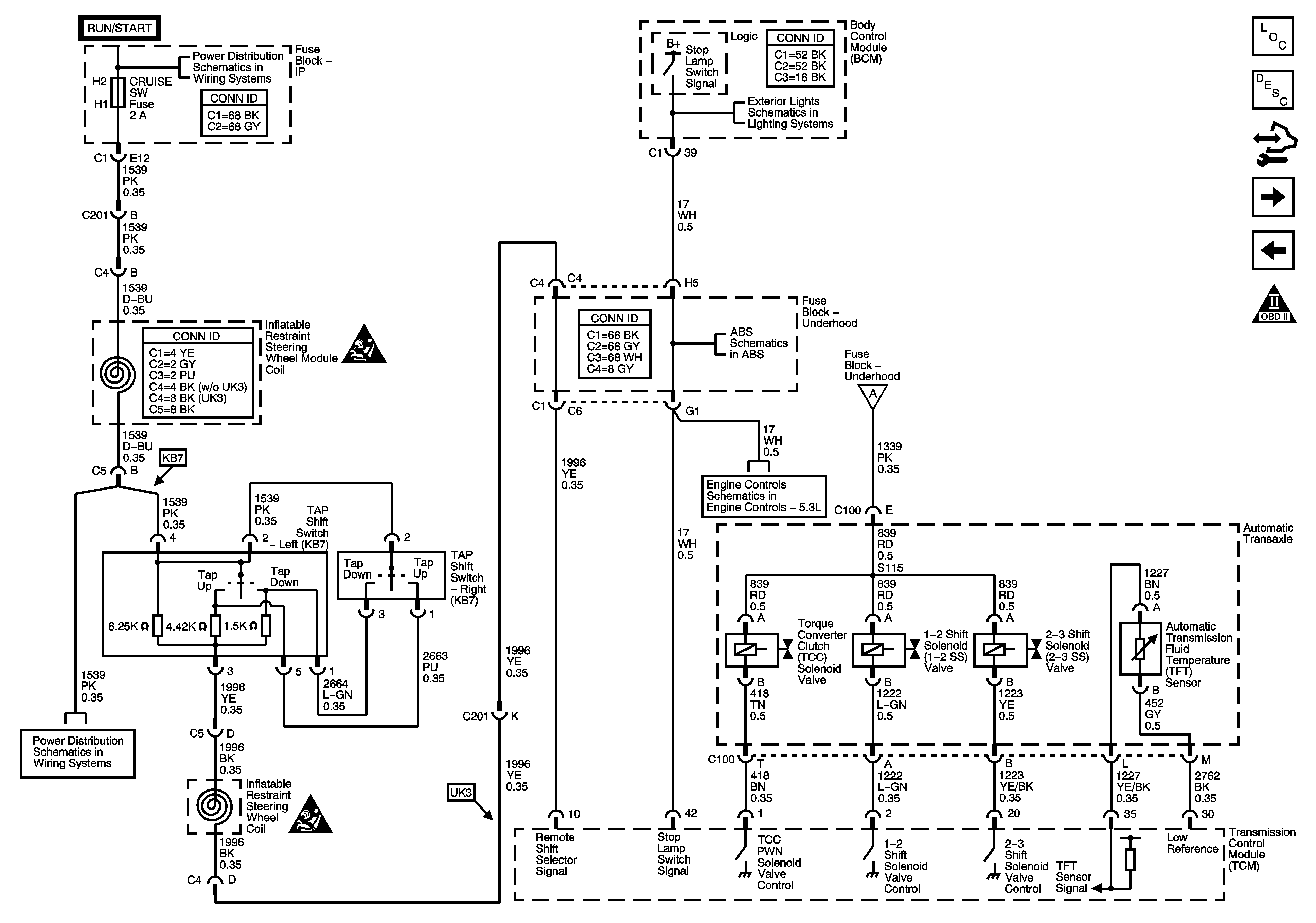
Automatic Transmission Controls Schematics L26, L32

Figure 1:

TAP Shift Switches, Stop Lamp Signal, TFT Sensor and TCC, Shift Solenoids


Object Number: 1457706  Size: FS
Master Electrical Component List
Electronic Component Description
Control Module References
VSS and AT Sensors, Pressure Control Solenoid Valve and TCC Release Switch
Automatic Transmission Schematic Icons
ABS, TRANS, ECM IGN, AIRBAG/DISPLAY, COMPASS, HVAC Fuses and STRTR Relay
ABS, TRANS, ECM IGN, AIRBAG/DISPLAY, COMPASS, HVAC Fuses and STRTR Relay
Turn Signal, Hazard and Stop Lamps Outputs
Automatic Transmission Schematic Icons
Indicator, ABS, Stability, and Traction Controls
Electronic Throttle Controls
Fuse Block Underhood Bussing
ABS, TRANS SOL, PCM, SIR, DISPLAY, CRUISE SW Fuses, and CRANK Relay
ABS, TRANS, ECM IGN, AIRBAG/DISPLAY, COMPASS, HVAC Fuses and STRTR Relay
Automatic Transmission Schematic Icons
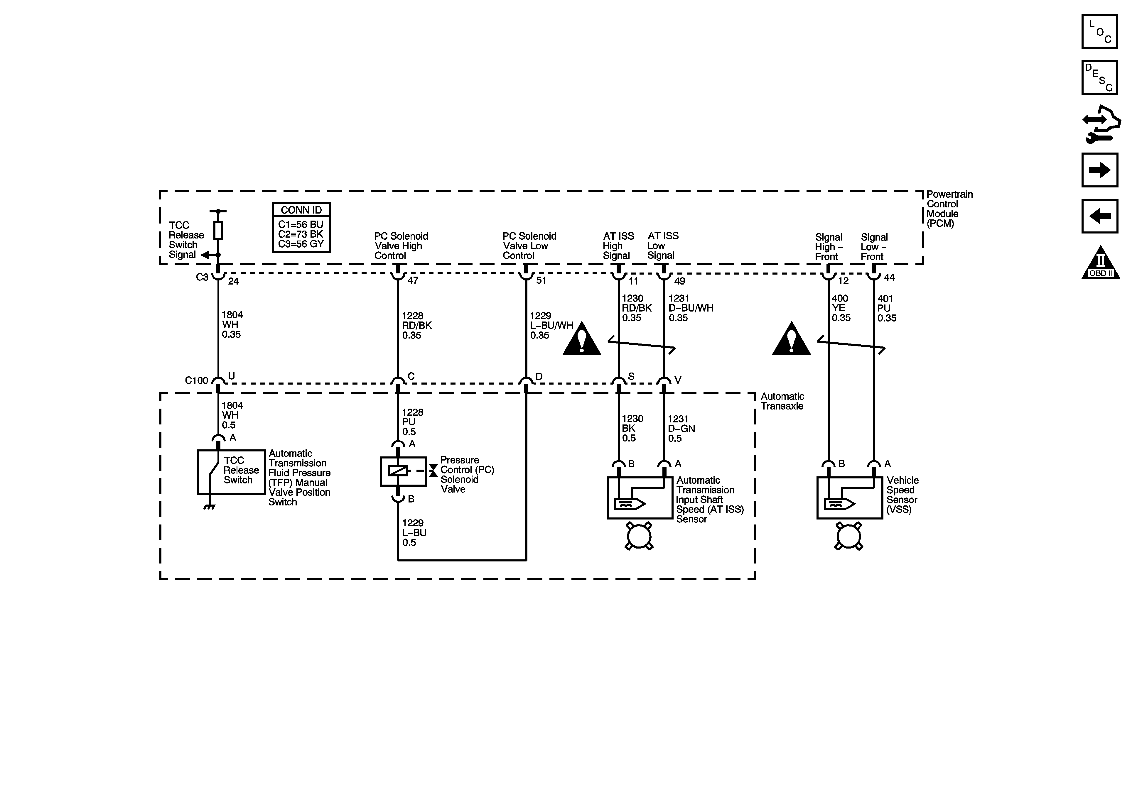
Figure 2:

VSS and AT ISS Sensors, Pressure Control Solenoid Valve, and TCC Release Switch


Object Number: 1457708  Size: FS
Master Electrical Component List
Electronic Component Description
Control Module References
PRNDL and IMS Switch
TAP Shift Switches, StopLamp Signal, TFT Sensor and TCC Shift Solenoids
Automatic Transmission Schematic Icons
Automatic Transmission Schematic Icons
Automatic Transmission Schematic Icons
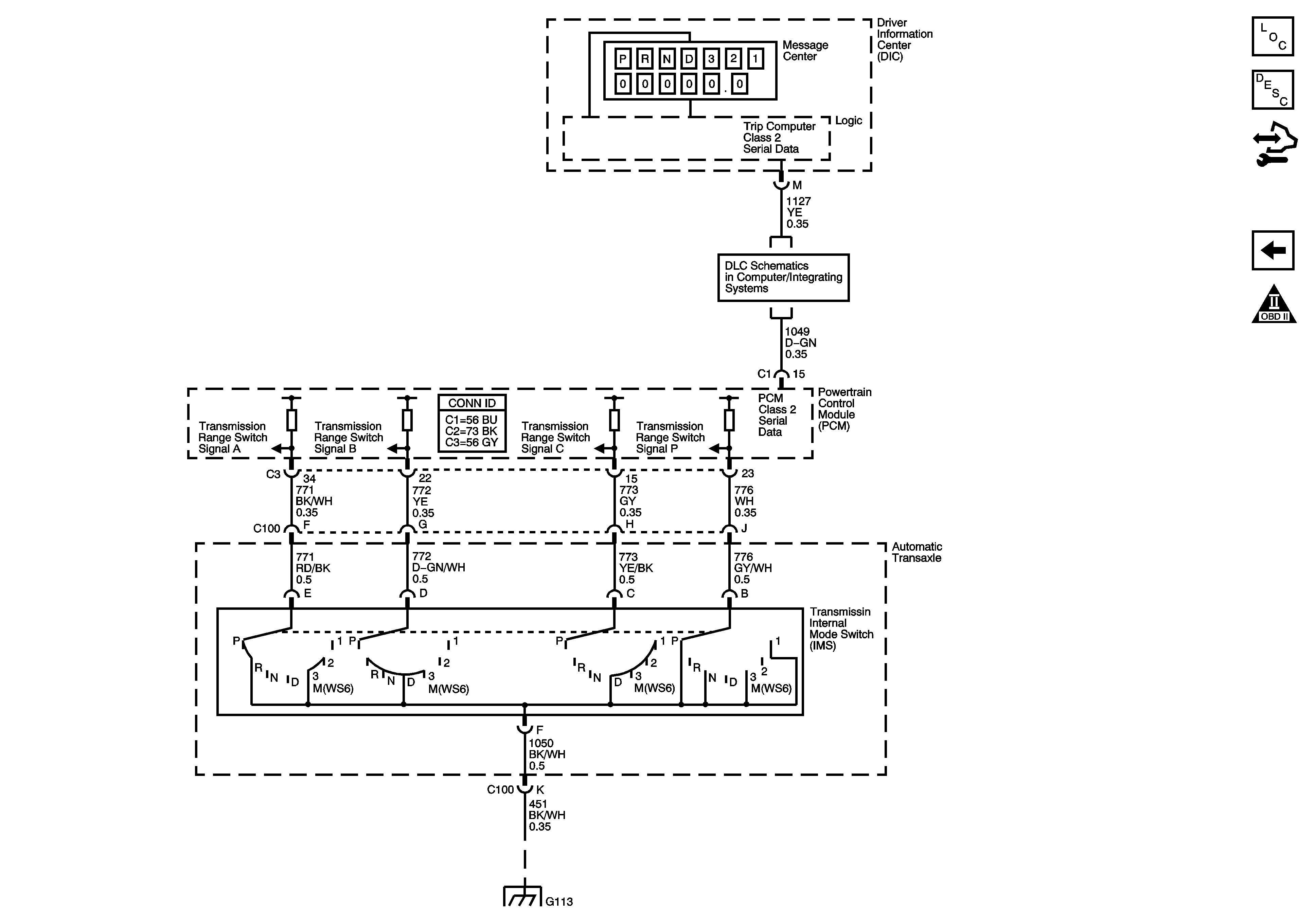
Figure 3:

PRNDL, and IMS Switch


Object Number: 1457709  Size: FS
Master Electrical Component List
Electronic Component Description
Control Module References
VSS and AT Sensors, Pressure Control Solenoid Valve and TCC Release Switch
Automatic Transmission Schematic Icons
Data Link Communication
G101, G112 (L26/L32), and G113 (L26/L32)

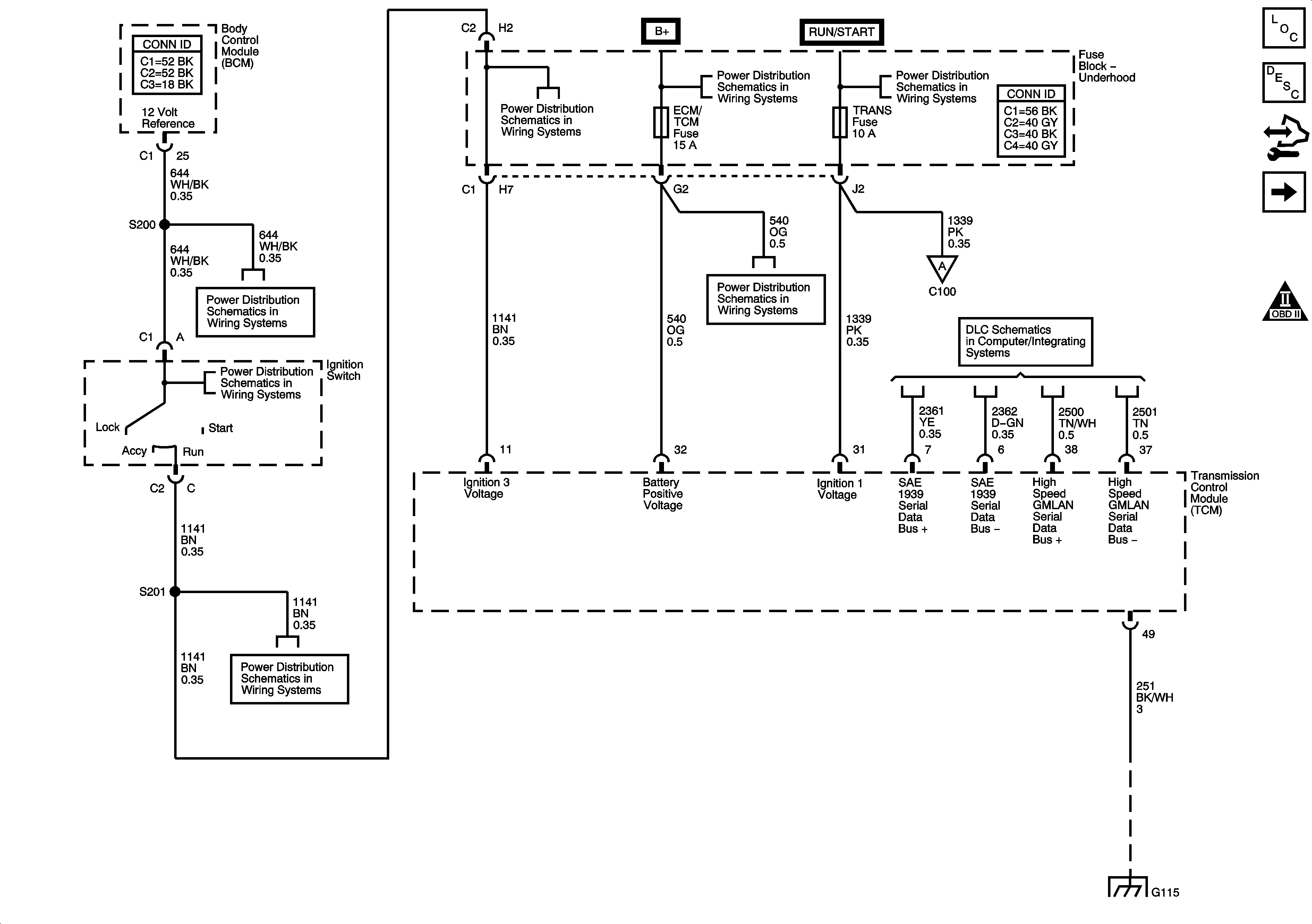
Automatic Transmission Controls Schematics LS4

Figure 1:

Power, Ground and Serial Data


Object Number: 1556128  Size: FS
Master Electrical Component List
Electronic Component Description
Control Module References
Tap Shift Switches, Stop Lamp Signal, TFT Sensor and TCC, Shift Solenoids
Automatic Transmission Schematic Icons
Fuse Block - Underhood Bussing
Fuse Block - Underhood Bussing
Ignition Switch
BATT 3, BATT 4, ABS MTR, ABS SOL, ECM/TCM, WSW/RVC, and AUX PWR Fuses
ABS, TRANS, ECM IGN, AIRBAG/DISPLAY, COMPASS, HVAC Fuses and STRTR Relay
Ignition Switch
Ignition Switch
Ignition Switch
BATT 3, BATT 4, ABS MTR, ABS SOL, ECM/TCM, WSW/RVC, and AUX PWR Fuses
Tap Shift Switches, Stop Lamp Signal, TFT Sensor and TCC, Shift Solenoids
LS4
G102, G115 and G201
Figure 2:

Tap Shift Switches, Stop lamp Signal, TFT Sensor and TCC, Shift Solenoids


Object Number: 1556131  Size: FS
Master Electrical Component List
Electronic Component Description
Control Module References
VSS and AT ISS Sensors, Pressure Control Solenoid Valve, and TCC Release Switch
Power, Ground and Serial Data
Automatic Transmission Schematic Icons
ABS, TRANS SOL, PCM, SIR, DISPLAY, CRUISE SW Fuses, and CRANK Relay
ABS, TRANS SOL, PCM, SIR, DISPLAY, CRUISE SW Fuses, and CRANK Relay
Automatic Transmission Schematic Icons
Automatic Transmission Schematic Icons
ABS, TRANS SOL, PCM, SIR, DISPLAY, CRUISE SW Fuses, and CRANK Relay
Turn Signal, Hazard and Stop Lamps Outputs
Indicator, ABS, Stability, and Traction Controls
Power, Ground and Serial Data
MAF/IAT Sensor, Stop Lamp Switch Signal and VSS
Figure 3:

VSS and ISS Sensors, Pressure Control Solenoid Valve, and TCC Release switch


Object Number: 1556133  Size: FS
Master Electrical Component List
Electronic Component Description
Control Module References
PRNDL, and IMS Switch
Tap Shift Switches, Stop Lamp Signal, TFT Sensor and TCC, Shift Solenoids
Automatic Transmission Schematic Icons
Automatic Transmission Schematic Icons
Automatic Transmission Schematic Icons
Figure 4:

PRNDL, and IMS Switch


Object Number: 1556134  Size: FS
Master Electrical Component List
Electronic Component Description
Control Module References
VSS and AT ISS Sensors, Pressure Control Solenoid Valve, and TCC Release Switch
Automatic Transmission Schematic Icons
LS4
G102, G115 and G201