GM Service Manual Online
For 1990-2009 cars only
Figure 1:

Power, Ground, and References


Object Number: 1457804  Size: FS
Master Electrical Component List
Radio/Audio System Description and Operation
Control Module References
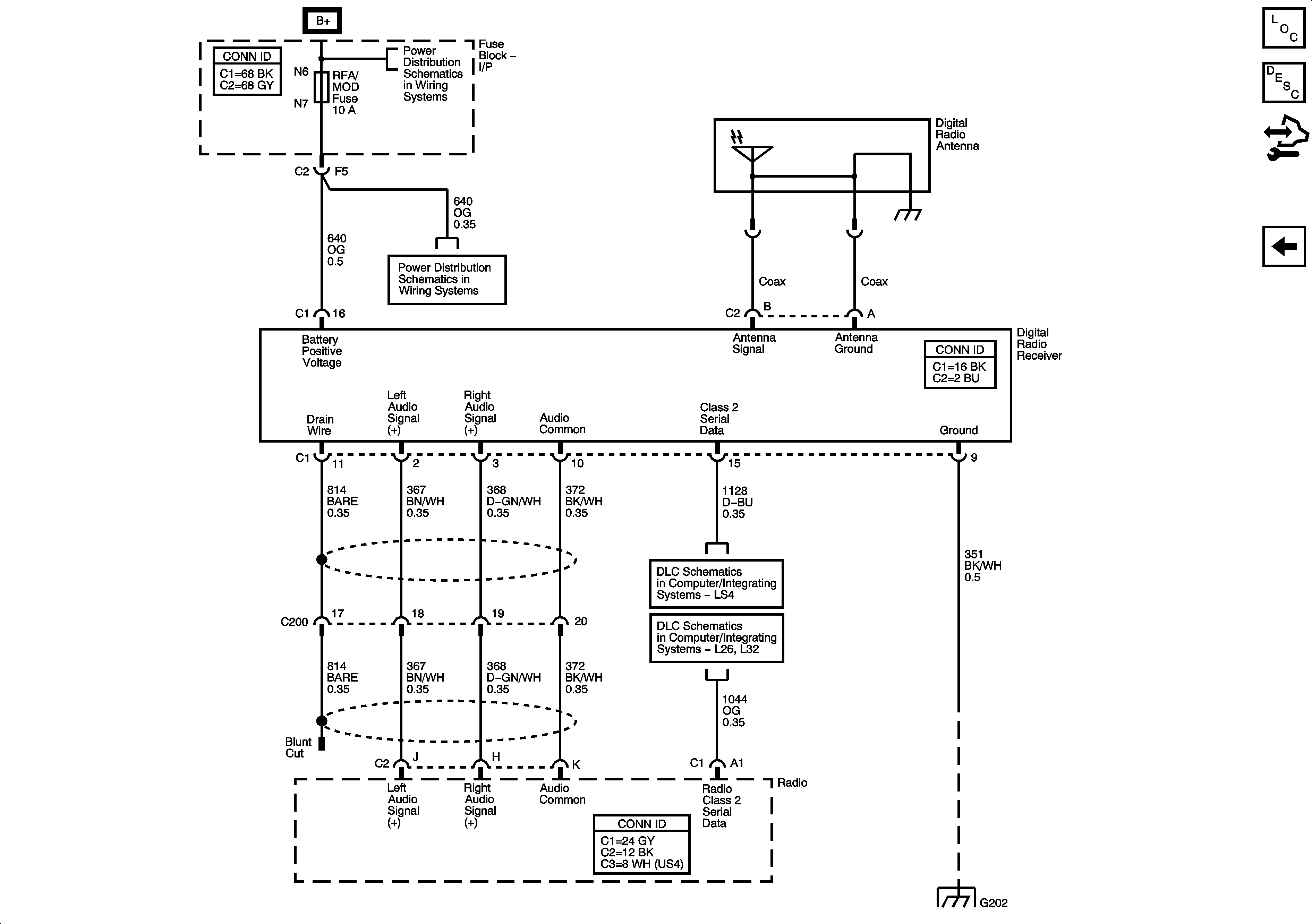
Radio to Speakers (UW6)
BATT MAIN 1, PK LAMPS, DISPLAS, CHMSL/BKUP, INT LIGHT, RFA MOD, RADIO/AMP, ONSTAR/ALDL, HVAC, CANISTER Fuses and PKLP Relay
BATT MAIN 1, PK LAMPS, DISPLAS, CHMSL/BKUP, INT LIGHT, RFA MOD, RADIO/AMP, ONSTAR/ALDL, HVAC, CANISTER Fuses and PKLP Relay
LS4
Data Link Communication
Steering Wheel Controls
OnStar Schematics
Navagation System Schematics
G202
G202
Figure 2:

Radio to Speakers - UW6


Object Number: 1457805  Size: FS
Master Electrical Component List
Radio/Audio System Description and Operation
Control Module References
Audio Signal Communication (U87)
Power, Ground, and References
Entertainment Schematic Icons
Entertainment Schematic Icons
Entertainment Schematic Icons
Entertainment Schematic Icons
Entertainment Schematic Icons
Entertainment Schematic Icons
Figure 3:

Audio Signal Communication - U87


Object Number: 1457806  Size: FS
Master Electrical Component List
Radio/Audio System Description and Operation
Control Module References
Speakers - Front (U87)
Radio to Speakers (UW6)
Entertainment Schematic Icons
Entertainment Schematic Icons
Entertainment Schematic Icons
Entertainment Schematic Icons
Entertainment Schematic Icons
Entertainment Schematic Icons
Entertainment Schematic Icons
Entertainment Schematic Icons
Figure 4:

Speakers - Front - U87


Object Number: 1457807  Size: FS
Master Electrical Component List
Radio/Audio System Description and Operation
Control Module References
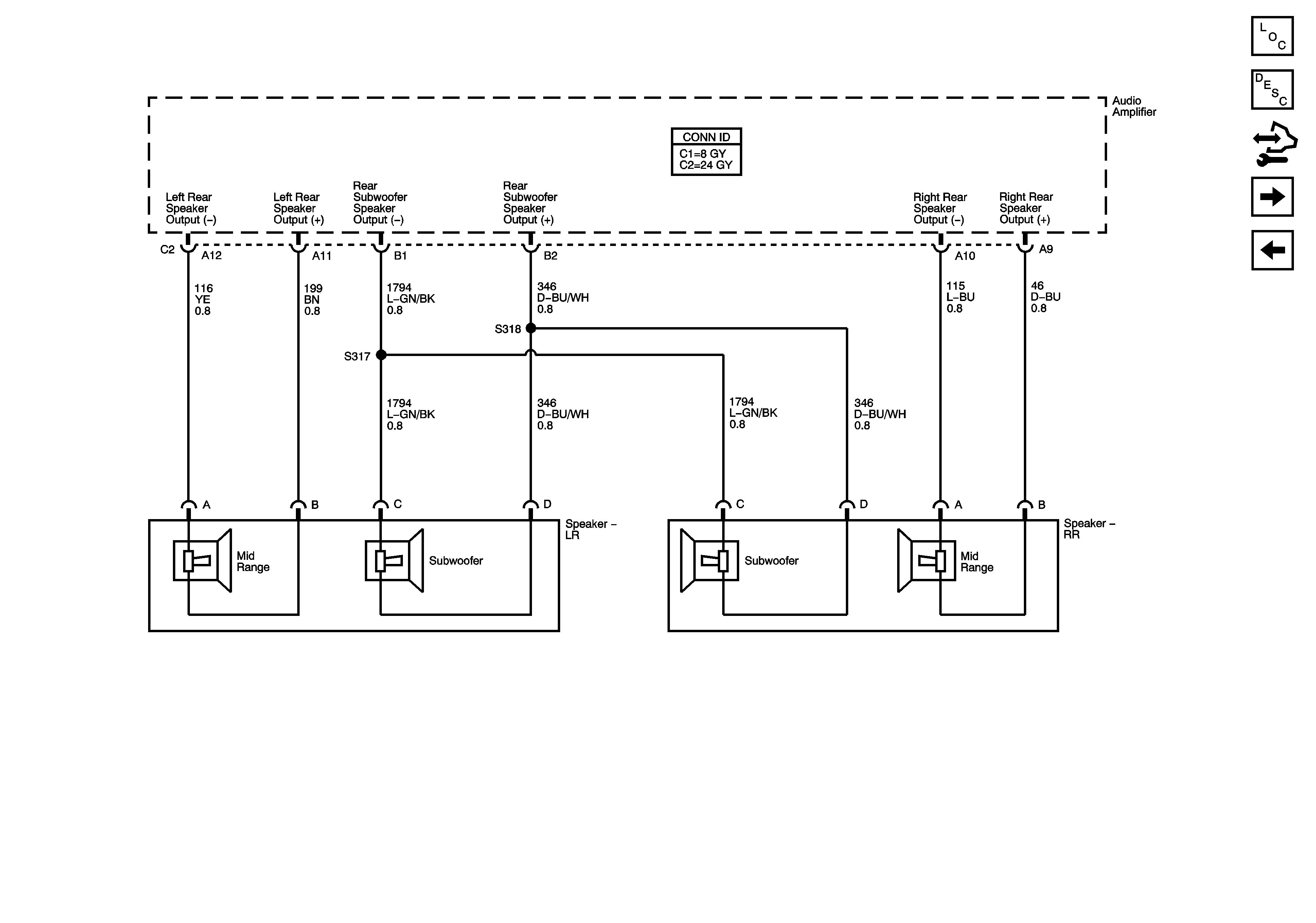
Speakers - Rear (U87)
Audio Signal Communication (U87)
Entertainment Schematic Icons
Entertainment Schematic Icons
Entertainment Schematic Icons
Entertainment Schematic Icons
Figure 5:

Speakers - Rear - U87


Object Number: 1457809  Size: FS
Master Electrical Component List
Radio/Audio System Description and Operation
Control Module References
Satelite Radio (U2K)
Speakers - Front (U87)
Figure 6:

Satellite Radio - U2K


Object Number: 1457810  Size: FS
Master Electrical Component List
Radio/Audio System Description and Operation
Control Module References
Speakers - Rear (U87)
BATT MAIN 1, PK LAMPS, DISPLAS, CHMSL/BKUP, INT LIGHT, RFA MOD, RADIO/AMP, ONSTAR/ALDL, HVAC, CANISTER Fuses and PKLP Relay
BATT MAIN 1, PK LAMPS, DISPLAS, CHMSL/BKUP, INT LIGHT, RFA MOD, RADIO/AMP, ONSTAR/ALDL, HVAC, CANISTER Fuses and PKLP Relay
BATT MAIN 1, PK LAMPS, DISPLAS, CHMSL/BKUP, INT LIGHT, RFA MOD, RADIO/AMP, ONSTAR/ALDL, HVAC, CANISTER Fuses and PKLP Relay
LS4
Data Link Communication
G202