GM Service Manual Online
For 1990-2009 cars only
Makes
🢒
Pontiac
🢒
2005
🢒
Grand Prix
🢒
Vehicle Control Systems
🢒
Vehicle DTC Information
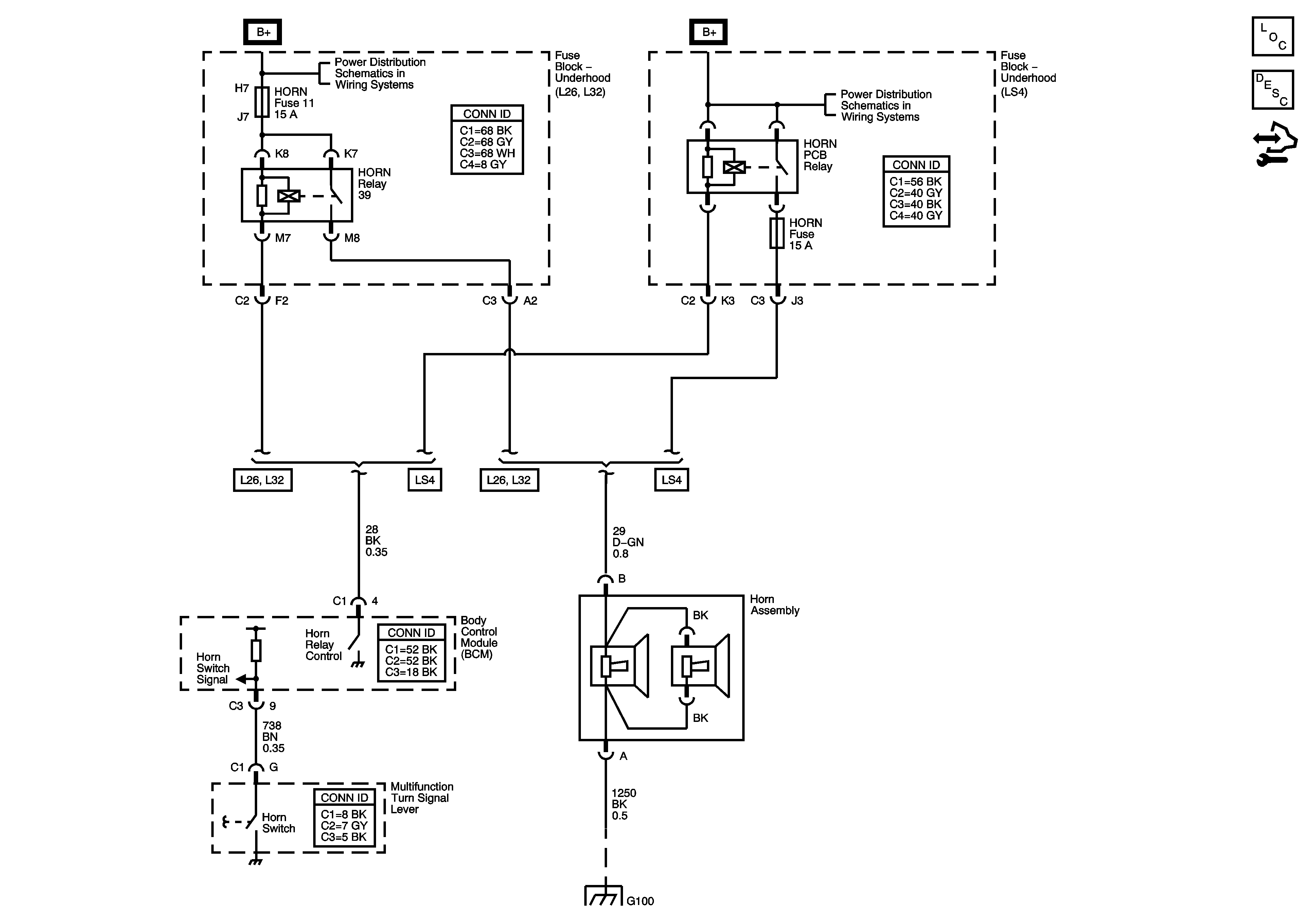
🢒 Horn Schematics
Master Electrical Component List
Horns System Description and Operation
Control Module References
Fuse Block Underhood Bussing
Fuse Block Underhood Bussing
G100
Fuse Block - Underhood Bussing
Fuse Block - Underhood Bussing