GM Service Manual Online
For 1990-2009 cars only
Makes
🢒
Pontiac
🢒
2005
🢒
Grand Prix
🢒
Body
🢒
Seats
🢒 Driver Seat Schematics
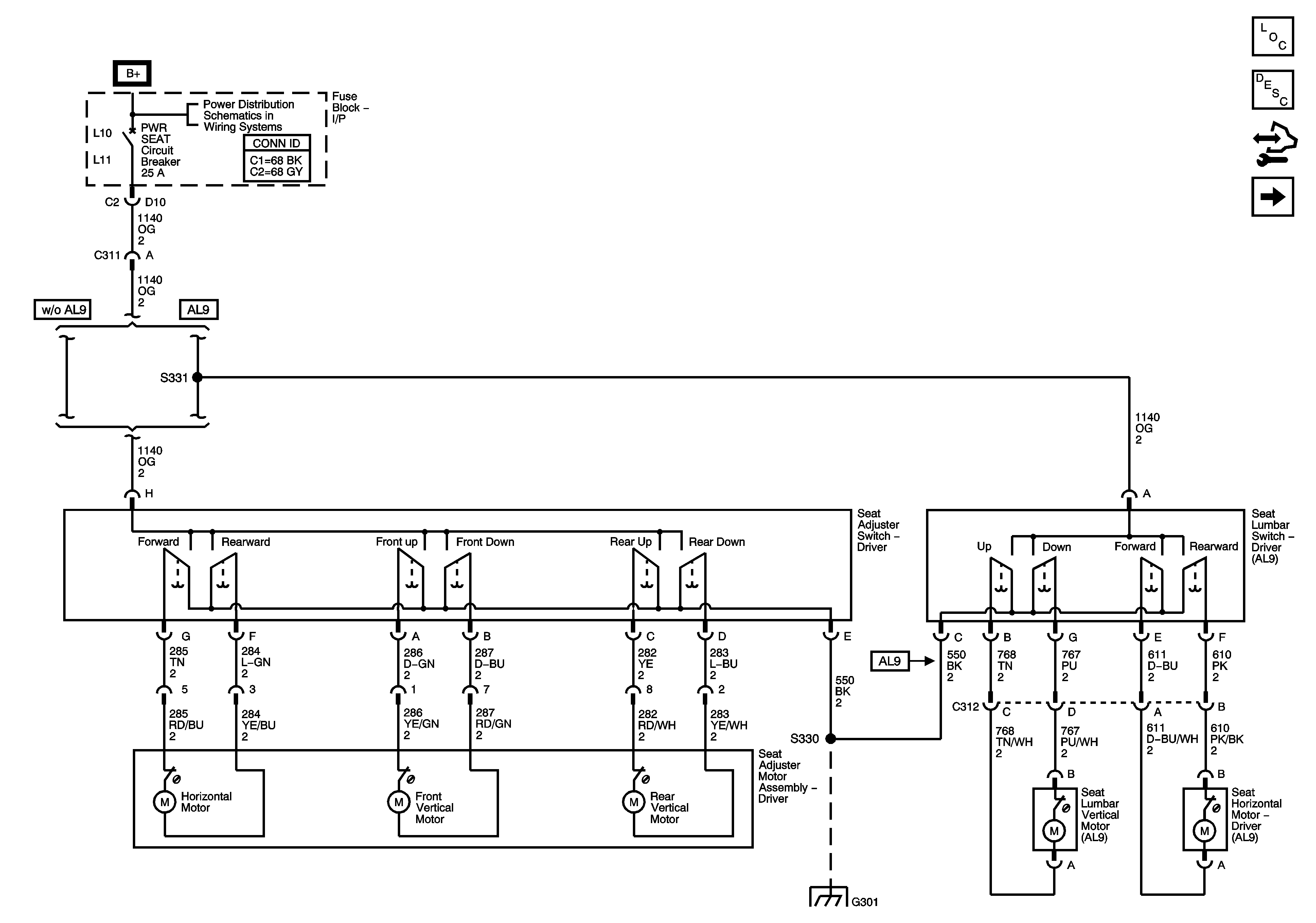
Figure
1:
6-Way Power and Lumbar Controls
Master Electrical Component List
Power Seats System Description and Operation
Control Module References
Heat Controls - Driver
BATT MAIN 2, HDT SEAT, PWR MIRS, TURN/HAZ, DR LK/TRUN,, SUNROOF Fuses, PWR SEAT, PWR WDO Circuit Breakers, and RAP Relay
BATT MAIN 2, HDT SEAT, PWR MIRS, TURN/HAZ, DR LK/TRUN,, SUNROOF Fuses, PWR SEAT, PWR WDO Circuit Breakers, and RAP Relay
G301
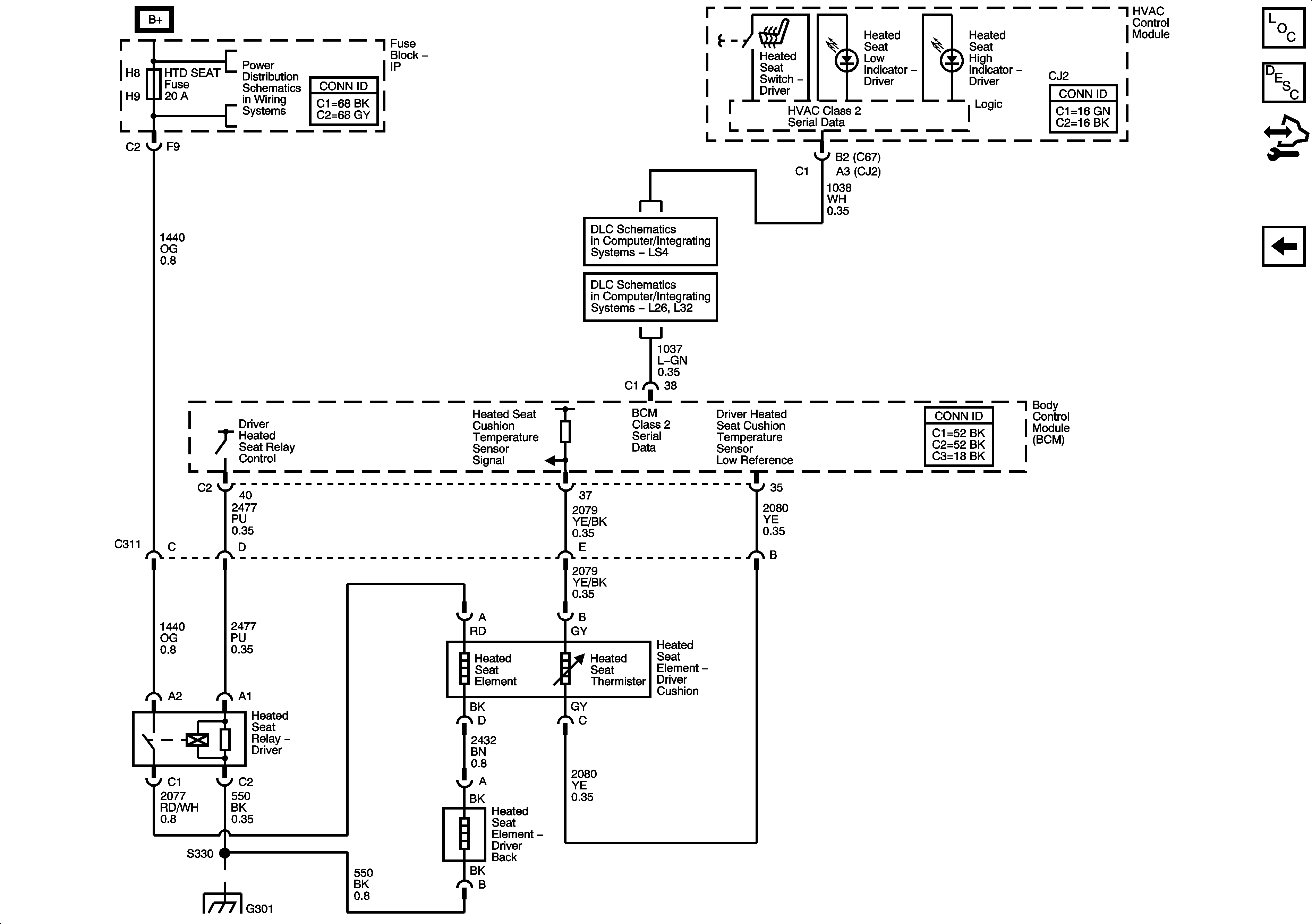
Figure
2:
Heat Controls
Master Electrical Component List
Heated Seats Description and Operation
Control Module References
6-Way Power and Lumbar Controls
BATT MAIN 2, HDT SEAT, PWR MIRS, TURN/HAZ, DR LK/TRUN,, SUNROOF Fuses, PWR SEAT, PWR WDO Circuit Breakers, and RAP Relay
BATT MAIN 2, HDT SEAT, PWR MIRS, TURN/HAZ, DR LK/TRUN,, SUNROOF Fuses, PWR SEAT, PWR WDO Circuit Breakers, and RAP Relay
LS4
Data Link Communication
G301